中古協和電機ユニバーサルシュリンカー

中古梱包機械

業務機器&資材 シロ産業 HOME
新製品情報 在庫処分情報 会社概要
見積依頼 ご注文フォーム お問い合わせ
業務用機材商社一筋で、創業41年。東大阪市商工会議所会員、2005年度IT百選企業。
国公立大学、研究所、自衛隊、警察庁 など主な国公立機関に納入実績多数。医療機器販売業免許取得済

包装資材 包装機械 物流機器 測定機器 洗剤 ケミカル 蛍光灯 季節品-夏 季節品-冬 弱電工具 ホイスト 環境機器 掃除機 ムーブテック 切削工具 機械工具調理厨房機器 研究室用品 安全防犯防災品 エクステリア 新商品 在庫処分


カテゴリー第二分類(包装機械)
包装機械カテゴリー一覧を見る

関連商品一覧

中古協和電機ユニバーサルシュリンカー/品番 KS-350
問い合わせ番号 Z-0899-4
【詳細表示】
商品番号 KS-350 価 格
本機は製品を包装するために使用した、シュリンクフィルムを収縮させるための装置です。 中古協和電機ユニバーサルシュリンカー
品番 KS-350
問い合わせ番号 Z-0899-4
■仕様
品番 KS-350
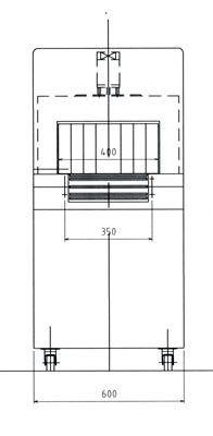
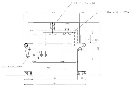
機械外寸 L1500×W600×H1280mm
コンベアまでの高さ GLより 約780mm
(出口シュートフランジ等の、突出部分を除く)
コンベア寸法
(RS40 SA-1 チェーン)
チェーンピッチ 350mm
コンベア有効巾 310mm
流れ方向 右→左
ヒーター容量 7.98Kw(1.33Kw×6本)
温度制御 デジタル温度指示調節計
温度制御範囲 常温~200℃
コンベア駆動方式
(インバーター制御)
ギアードモーター(200V 100W 1/30)
コンベア速度 10m/min
ファンモーター 90w×2台
所要動力 200V 3相 30A




■寸法図


運賃、および消費税は、記載価格には、含まれていません。

[トップページに戻る] [注文書] [見積り依頼] TEL 0729-64-8663 FAX 0729-61-4874

営業時間 AM9:00~PM7:00 営業日 月曜日~金曜日 定休日 土曜日 日曜日 祝日