熱風乾燥機(標準タイプ)
工業用ドライヤー
業務用機材商社一筋で、創業41年。東大阪市商工会議所会員、2005年度IT百選企業。
国公立大学、研究所、自衛隊、警察庁 など主な国公立機関に納入実績多数。医療機器販売業免許取得済
■包装資材
■包装機械
■物流機器
■測定機器
■洗剤 ■ケミカル
■蛍光灯
■季節品-夏
■季節品-冬
■弱電工具
■ホイスト
■環境機器
■掃除機
■ムーブテック
■切削工具
■機械工具■調理厨房機器
■研究室用品
■安全防犯防災品
■エクステリア
■新商品
■在庫処分
包装機械カテゴリー一覧を見る
| 熱風乾燥機(標準タイプ)/品番 M843HMD-12K |
【詳細表示】 |
| 商品番号 |
M843HMD-12K |
価 格 |
 |
熱風乾燥機(標準タイプ)
品番 M843HMD-12K
価格は下記をご覧ください。 |
365日連続運転 電気式熱風乾燥機
外部運転機能、異常出力機能を標準装備
電源ケーブルを接続するだけでご使用できます。
■タイプ
| M843HMD-12K |
M843HMD-22K |
 |
 |
■特長
●従来より定評をいただいている標準タイプ
●耐久性、経済性、高性能、高信頼性、安全性に使い易さ、新機能をプラスした操作パネルを搭載

●電源ケーブルを接続するだけでご使用できます
●フィルタ標準装備

●スライド式風量調節

■安全装置
万一の時を想定し高い安全性を確保するため使用される素材とその物理的特性を精密に実験して、理想的な答えを出しました。
過熱防止対策として温調にはバーンアウト回路、ヒータケースにはセンサを組み込んでおり、365日連続無人運転が可能です。
■間欠運転
オプションの専用外部センサを使用し、設定した温度により送風とヒータを同時停止して、指示された温度まで運転停止状態を維持する省エネモードを装備しています。部運転による熱風運転時においても、間欠運転は使用できます。
■新機能
●コネクタ装着式外部センサ機能
オプションの専用外部センサを装着するのみで、操作パネルでの設定不要。
●タイマ運転時間表示
タイマ運転時間の表示機能を追加し、タイマ運転設定を簡素化しました。
●外部運転機能
外部からの信号により、マルチドライヤの停止送風運転熱風運転の切り替えができます。
●異常出力機能
マルチドライヤの運転、異常、温度警報信号を出力できます(出荷時は異常出力)。
※外部運転機能・異常出力機能のご使用にあたっては、必ずオプションの外部運転用コネクタ付ケーブルが必要です。
■性能曲線
吸入温度は20C時における吐出側性能です。
青、黒曲線は静圧曲線です。
青:50Hz、黒:60Hz(ただし、ヒータ電源OFFの時)
赤曲線はヒータ電源100%入力時、無負荷状態の本体でのスライドシャッタによって調整可能な吐出熱風温度です。
また、赤破線は本体にスライドシャッタ以外の負荷をかけることにより吐出できる熱風温度曲線です。
温度調節の使い分けにより、この曲線以下の温度が自由に調節できます。
印は使用限界を示します。
これ以上の温度、これ以下の風量では使用できません。

■仕様
| 品番 |
M843HMD-12K |
M843HMD-22K |
| 電源 |
単相100V
50/60Hz |
単相200V/200V・220V
50/60Hz |
| ヒータ容量(電流値) |
1.4kW(14A) |
2.8kW(14A) |
| 連続使用熱風温度 |
常温~300℃ |
| 熱風吐出口の口径 |
φ50mm(SUSパイプ) |
| 最大風量(50/60Hz) |
1.0/1.2m3/min |
1.2/1.5m3/min |
| 最高静圧(50/60Hz) |
130/200Pa |
200/290Pa |
| 電動機の容量(電流値) |
12W(0.29A/0.37A) |
21W(0.25A/0.30A) |
| 騒音(50/60Hz) |
46/49dB |
47/50dB |
| 電源ケーブル |
2心×2mm2×5m |
3心×2mm2×5m |
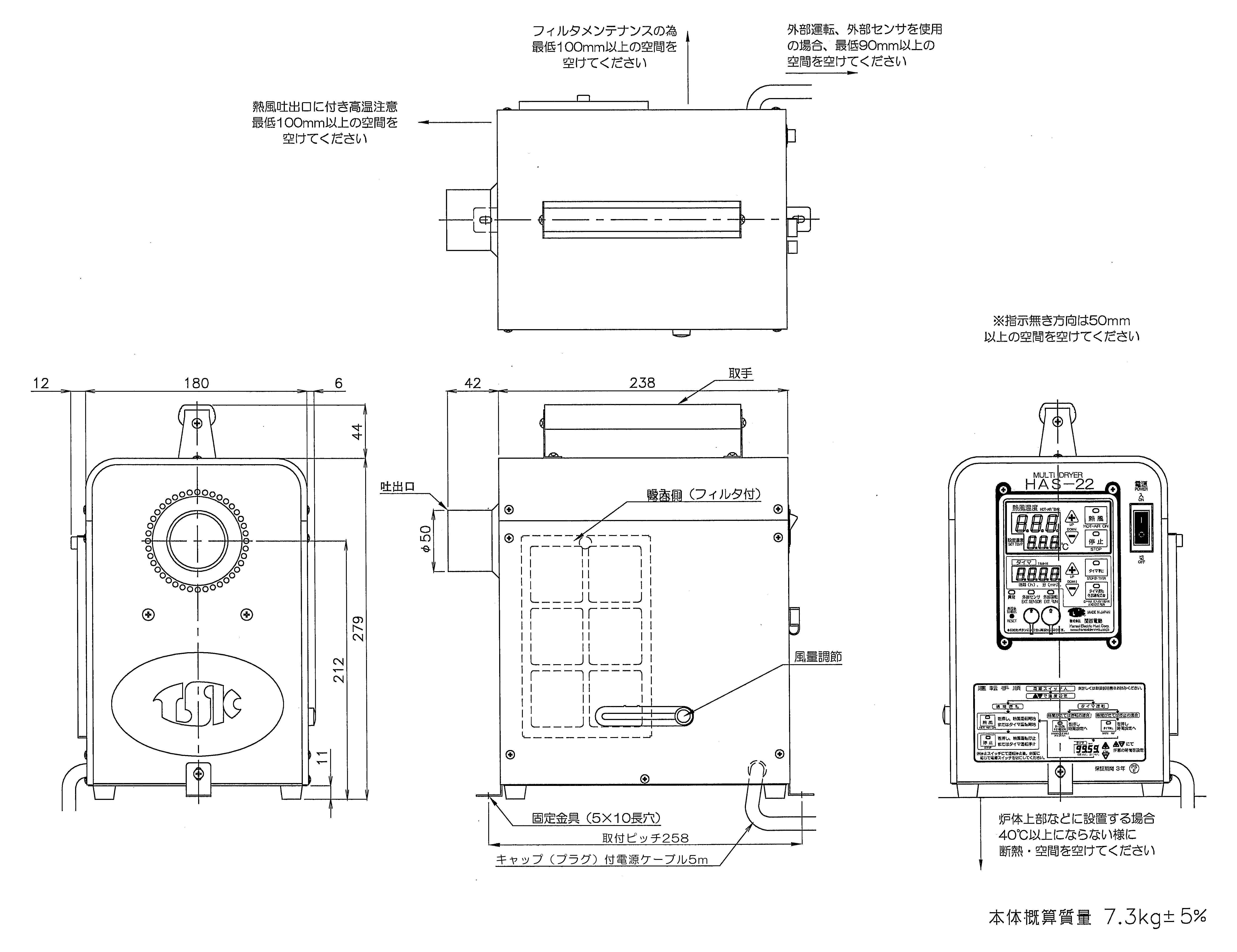
| 本体概算質量 |
5.9kg±5% |
7.3kg±5% |
| キャップ/コンセント |
WF4215/- |
WF5320/WK1320 |
| フィルタ |
スペアフィルタ 1枚付 |
| 定格 |
連続 |
| 絶縁 |
E種 |
| 周囲温度 |
0~+40℃ |
| 周囲湿度 |
85%R.H.以下(非結露) |
| 吸入気体度 |
常温 |
| 風量調節方式 |
スライドシャッタ(ダンパ) |
| 吸入口フィルタ |
標準装備 |
| 省エネ |
放熱ロスを抑える構造、間欠運転モード |
| 環境 |
クリーンルームクラス10000相当(工場出荷時) |
| 連続使用熱風温度 |
吐出口センサ位置での測定 |
| 各種記載数値 |
実測による保証値 |
| 据え付け |
風雨にさらされない場所(屋内仕様)、水平状態 |
| 耐振性 |
振動周波数33Hz
振動加速度1G
XYZ方向各30分
共振周波数20~38Hz(1サイクル/1分)
にて異常なし |
| 付属品 |
全品エア漏れ防止用ガラステープ |
| 寸法図 |
 |
 |
※最大消費電力(kW)はヒータ容量+送風機容量を合計した値
■オプション
| M843HMD-307PK |
M843HMD-350APK |
 |
 |
| 品番 |
品名 |
備考 |
| M843HMD-307PK |
外部運転用コネクタ付ケーブル |
|
| M843HMD-350APK |
専用外部センサ |
K熱電対 |
|
運賃、および消費税は、記載価格には、含まれていません。
[トップページに戻る]
[注文書]
[見積り依頼] TEL 0729-64-8663 FAX 0729-61-4874
営業時間 AM9:00~PM7:00 営業日 月曜日~金曜日 定休日 土曜日 日曜日 祝日