フォークリフト用スポットクーラー(エンジン車輌専用)

スポットエアコン・スポットクーラー

業務機器&資材 シロ産業 HOME
新製品情報 在庫処分情報 会社概要
見積依頼 ご注文フォーム お問い合わせ
業務用機材商社一筋で、創業41年。東大阪市商工会議所会員、2005年度IT百選企業。
国公立大学、研究所、自衛隊、警察庁 など主な国公立機関に納入実績多数。医療機器販売業免許取得済

包装資材 包装機械 物流機器 測定機器 洗剤 ケミカル 蛍光灯 季節品-夏 季節品-冬 弱電工具 ホイスト 環境機器 掃除機 ムーブテック 切削工具 機械工具調理厨房機器 研究室用品 安全防犯防災品 エクステリア 新商品 在庫処分


カテゴリー第二分類(季節商品-夏)
冷房商品カテゴリー一覧を見る

関連商品一覧

フォークリフト用スポットクーラー(エンジン車輌専用) 品番 ME1FT-144EG 【詳細表示】
商品番号 ME1FT-144EG 価 格
フォークリフト用スポットクーラー(エンジン車輌専用)
品番 ME1FT-144EG
価格は下記をご覧ください。
強力送風で、夏の暑い現場を快適に!!
●DCコンプレッサー搭載で本体を最小化しています。
●電源はバッテリー +/-端子へ直接接続するだけ。
●12V/24V/36V/48Vのバッテリーに対応しています。
●電圧を自動で検知するので入力電圧切替が不要です。
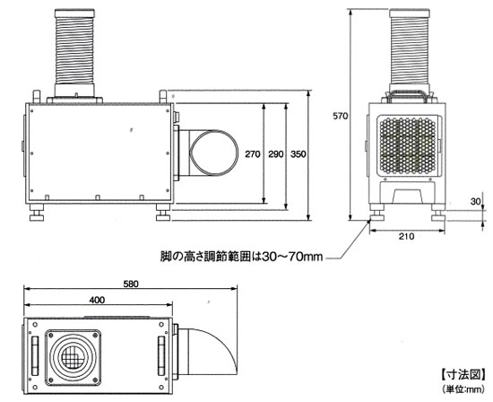
●脚は強力マグネットでフォークリフトや様々な車両へ搭載でき、高さ調整可能で段差が有っても取付け出来ます。



■特長
●中間シガーソケットが有り本体の取り外しが容易です。
●伸縮70cm冷風ダクトで運転席を快適に出来ます
●ME1FT-144EGは低電圧保護機能付きでバッテリー上がりを防止出来ます(バッテリーの種類や状態によってはバッテリーが上がる場合もございます。)
●ME1FT-144EGはエンジン式車両専用品です(エンジンをかけてご使用ください)
●ME1FT-145BT電気式車両専用品です(十分に充電してご使用ください)
●本製品を35℃環境下で使用した場合、冷風ダクト吹出口部の測定にて約23.4℃の冷風温度になります。
●JIS D1601(自動車部品振動試験方法・周波数33Hz、加速度5.0m/s2、上下3時間、左右・前後各1.5時間)に準拠した振動耐性を実現。
●48V/400Ah(19.2kWh)のバッテリー容量を持つ電機式フォークリフト1.5t車において本製品を35℃60パーセントの環境下で8時間使用した場合の電力使用量はバッテリー容量の約5.0%に相当します。





■様々な車両へ安定して搭載できます。
電源は付属の専用コードを使ってバッテリーへ接続します。 4つの固定脚を個別に高さ調整でき、様々な取付箇所に対応出来ます。 伸縮70cm冷風ダクトで運転席を快適に出来ます。

■強力マグネットで、本体をしっかり固定できる。


■寸法図(単位:mm)



■仕様
品番 ME1FT-144EG ME1FT-145BT
タイプ エンジン車輌専用 電気式車輌専用
幅(cm) 21
奥行(cm) 58
高(cm) 35~39
質量(kg) 約11
本体色 PANTONE:No11cグレー
主な材質 スチール/樹脂
電源 直流12V/24V/36V/48V
定格電流
(外気温35℃)
12V:12A
24V:5.5A
36V:3.5A
48V2.5A
冷房能力 0.33kW
タンク容量 1.6L
冷媒(封入量) HFC R134a (80g)
騒音値 約60dB
コンプレッサー定格出力 25W
定格時間 3時間
使用環境温度 15℃~40℃(連結コード使用時)
15℃~45℃(高温用直結コード使用時)
付属品 冷風ダクト×1
排熱用エルボ×1
バッテリー側コード(2m)×1
本体側コード(1.5m)×1
高温用直結コード(3m)×1
コード用マグネット付フック×4
フィルター×2(本体装着済み)
※冷房能力及び、電気特性は室温35℃相対湿度60%の条件で運転した時の値です。
※本機は定格時間(連続運転可能時間)があります。連続で3時間近く運転した場合、一度運転を停止し、本体の温度が下がってから運転を再開してください。

運賃、および消費税は、記載価格には、含まれていません。

[トップページに戻る] [注文書] [見積り依頼] TEL 0729-64-8663 FAX 0729-61-4874

営業時間 AM9:00~PM7:00 営業日 月曜日~金曜日 定休日 土曜日 日曜日 祝日