高揚程高荷重エンドレスワイヤーホイスト(有線タイプ)Φ6×32m

ウィンチ

業務機器&資材 シロ産業 HOME
新製品情報 在庫処分情報 会社概要
見積依頼 ご注文フォーム お問い合わせ
業務用機材商社一筋で、創業41年。東大阪市商工会議所会員、2005年度IT百選企業。
国公立大学、研究所、自衛隊、警察庁 など主な国公立機関に納入実績多数。医療機器販売業免許取得済

包装資材 包装機械 物流機器 測定機器 洗剤 ケミカル 蛍光灯 季節品-夏 季節品-冬 弱電工具 ホイスト 環境機器 掃除機 ムーブテック 切削工具 機械工具調理厨房機器 研究室用品 安全防犯防災品 エクステリア 新商品 在庫処分


カテゴリー第二分類(ホイスト)
ホイストカテゴリー一覧を見る

関連商品一覧

高揚程高荷重エンドレスワイヤーホイスト(有線タイプ)Φ6×32m/品番 M278W-200-6-32T 【詳細表示】
商品番号 M278W-200-6-32T 価 格
高揚程高荷重エンドレスワイヤーホイスト(有線タイプ)Φ6×32mM278W-200-6-32T 高揚程高荷重エンドレスワイヤーホイスト(有線タイプ)Φ6×32m
品番 M278W-200-6-32T
価格は下記をご覧ください
"荷重200kg・高揚程 50m "を実現した "エンドレスタイプ"小型ホイスト
作業の安全・安心を支える充実の装備
電子制御の安全装置内蔵



●ワイヤロープを"引き込み・排出"する構造で荷の揚げ降ろしをするホイストが新登場
●ワイヤロープを巻き取らないシンプルな構造により"乱巻き"や"段落ち"が無く、スムーズな荷の昇降ができます。
●小型ながら、重荷重200kg・高揚程50mを実現しました。
※垂直吊り専用です。斜め引きや往復牽引の用途では使用できません。




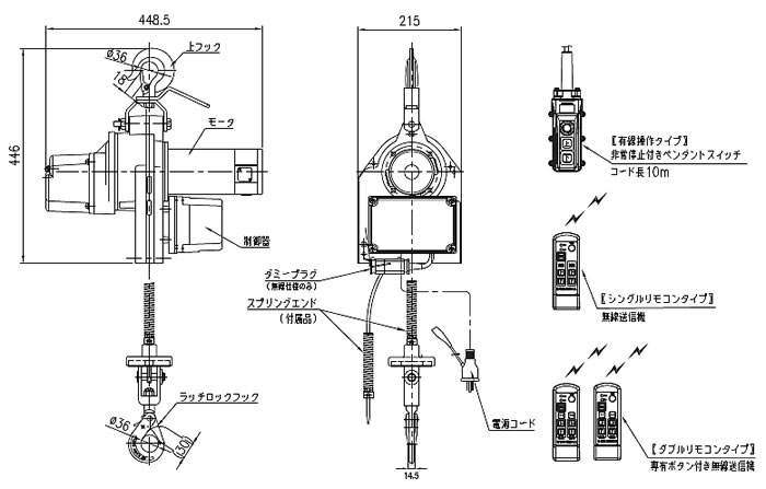
ワイヤロープには必ず弊社標準付属のスプリングエンドを取付けてご使用ください。

過負荷・過電流状態、過頻度状態などを自己判断、自動停止/自動復帰して、故障・事故の未然防止を図ります。
ブレーキ装置:当社独自のメカニカルブレーキと電子制御によるブレーキの併用で、より確実な荷の停止ができます。

巻上げスピードは"高速・低速"の2速可能
高速は20m/min、低速は6m/minの2速操作が可能で、地切り・荷取り時の作業の安全を図ります。


安全・安心・確実な作業の万一に対応するため、非常停止ボタンを標準装備(JIS規格)
オプションの操作中継コードで延長可能
非常停止ボタンと同等の停止ボタン付き
垂直送信距離50m以上(障害のない場合)
-



作業現場で2ヶ所から便利に操作
専有ボタンを押した無線送信機でのみ操作可能



■外形図





品番 操作方法 定格荷重
( kg )
巻上速度
(m/min)
モータ出力
(W)
ワイヤ
ロープ
操作
コネクタ
本体重量
(kg)
高速 低速
M278W-200-6-32T 有線 200 20 6 800 Φ6×32m 5芯角型 20
M278W-200-6-52T 有線 Φ6×52m
M278W-200RT 無線1個 -
M278W-200WRT 無線2個 -
M278W-300 有線 300 12 4 800 Φ6×32m 5芯角型 20
M278W-300RT 無線1個
M278W-300WRT 無線2個

電源:AC100V 50/60Hz  電源コード:2mm²×3芯×5m  無線:特定小電力
<付属品> ワイヤロープ…1本 / ラッチロックフック…1個 / スプリングエンド…2個 / 操作スイッチ…1セット
※有線操作タイプを無線操作のタイプに仕様変更できません。
※シングルリモコンタイプをダブルリモコンタイプに仕様変更することはできません。
※無線操作のタイプは、オプションの非常停止付きペンダントスイッチでの操作も可能ですが、ペンダントスイッチと無線送信機のどちらかでの操作になります。
※1台の無線送信機で複数のベビーワインダーを操作することはできません。
※ワイヤロープの長さはご注文時にご指定ください。
※ワイヤロープは必ず弊社純正品をご使用ください。
※標準よりも長いワイヤロープを使用したい場合は、「揚程+2m」の長さのワイヤロープをご注文ください。
また、その場合には下表を参照し、ご使用の揚程に対応した荷重を限度にご使用ください。
なお、50m以上の揚程でご使用の場合は、無線送信機での操作ができないことがあります。

運賃、および消費税は、記載価格には、含まれていません。

[トップページに戻る] [注文書] [見積り依頼] TEL 0729-64-8663 FAX 0729-61-4874

営業時間 AM9:00~PM7:00 営業日 月曜日~金曜日 定休日 土曜日 日曜日 祝日