ハイグレードなCEマーク対応

●EC法の手動ウインチに対する機械指令2006/42/ECに適合
●メカニカルブレーキは信頼性の高いダブルブレーキ爪(PNW型)
●ドラムのD/dは12倍以上
●MF7FE-40F・MF7SUS-40F以上の機種にもピニオン・ギヤ・ドラム軸にクロムモリブデン鋼を使用して強度UP
●ハンドルは蝶ネジで長さを自由に調整できます。
●無負荷時のみ使用可能で、途中で荷重が掛かるとブレーキが自動的に復帰する安心な空転装置付
●MF7SUS-***型はステンレス製でMF7FE-***型とほぼ同じ仕様
■注意
●MF7SUS-***型はドラム軸もSUS製の為容量がMF7FE-***型より落ちています。
●BS302に相当するワイヤ JIS6×Fi (29)またはJIS6×W (19)のご使用を推奨します。
■タイプ
| MF7FE-*** |
MF7SUS-*** |
 |
 |
■寸法図
| MF7FE-10F |
MF7SUS-10F |
 |
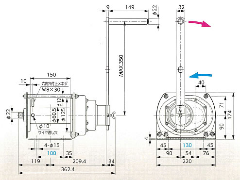
| MF7FE-25F |
MF7SUS-25F |
 |
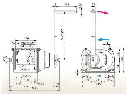
| MF7FE-40F |
MF7SUS-40F |
 |
| MF7FE-75F |
MF7SUS-65F |
 |
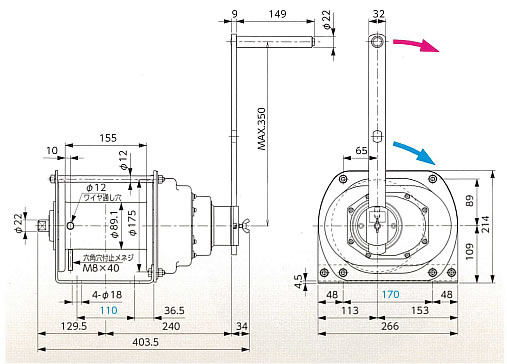
| MF7FE-110F |
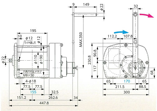
MF7FE-170F |
 |
■仕様
| 品番 |
MF7FE-10F |
MF7SUS-10F |
MF7FE-25F |
MF7SUS-25F |
| ケーブルBS302 |
4.0 |
4.0 |
5.0 |
5.0 |
| ケーブル断線負荷 |
890kgf |
890kgf |
1,390kgf |
1,390kgf |
| ケーブルの安全率 |
8.9 |
8.9 |
5.5 |
5.5 |
| 最大容量 |
100 |
100 |
250 |
250 |
| 第2層 |
86 |
86 |
216 |
216 |
| 第3層 |
76 |
76 |
191 |
191 |
| 第4層 |
68 |
68 |
171 |
171 |
| 第5層 |
61 |
61 |
155 |
155 |
| 第6層 |
56 |
56 |
141 |
141 |
| 第7層 |
52 |
52 |
- |
- |
| ドラム径 |
48.0mm |
48.0mm |
60.5mm |
60.5mm |
| D/d |
13.0 |
13.0 |
13.1 |
13.1 |
| 手動圧力負荷 |
11.5kgf |
11.5kgf |
9.0kgf |
9.0kgf |
| ドラム巻線容量 |
40m |
40m |
40m |
40m |
| ターンあたりの巻線長さ |
163.3mm |
163.3mm |
71.4mm |
71.4mm |
| 作業ハンドルの長さ |
240mm |
240mm |
350mm |
350mm |
| ギア比 |
1:1 |
1:1 |
2.88:1 |
2.88:1 |
全体寸法
(H×W×D) |
147.0×276.5×160.0 |
174.0×362.5×220.0 |
| 正味重量 |
6.9kg |
6.9kg |
11.8kg |
11.8kg |
| 総重量 |
7.6kg |
7.6kg |
12.9kg |
12.9kg |
| 品番 |
MF7FE-40F |
MF7SUS-40F |
MF7FE-75F |
MF7SUS-65F |
| ケーブルBS302 |
6.0 |
6.0 |
8.0 |
8.0 |
| ケーブル断線負荷 |
2,000kgf |
2,000kgf |
3,810kgf |
3,810kgf |
| ケーブルの安全率 |
5.0 |
5.0 |
5.0 |
5.0 |
| 最大容量 |
400 |
400 |
750(650)kgf |
750(650)kgf |
| 第2層 |
345 |
345 |
643(558)kgf |
643(558)kgf |
| 第3層 |
304 |
304 |
564(488)kgf |
564(488)kgf |
| 第4層 |
271 |
271 |
501(434)kgf |
501(434)kgf |
| 第5層 |
245 |
245 |
452(391)kgf |
452(391)kgf |
| 第6層 |
- |
- |
- |
- |
| 第7層 |
- |
- |
- |
- |
| ドラム径 |
70.0mm |
70.0mm |
89.1mm |
89.1mm |
| D/d |
12.6 |
12.6 |
12.1 |
12.1 |
| 手動圧力負荷 |
11.0kgf |
11.0kgf |
10.0(8.5)kgf |
10.0(8.5)kgf |
| ドラム巻線容量 |
30m |
30m |
30m |
30m |
| ターンあたりの巻線長さ |
55.1mm |
55.1mm |
25.0mm |
25.0mm |
| 作業ハンドルの長さ |
350mm |
350mm |
350mm |
350mm |
| ギア比 |
4.33:1 |
4.33:1 |
12.2:1 |
12.2:1 |
全体寸法
(H×W×D) |
182.0×362.5×245.0 |
214.0×403.5×266.0 |
| 正味重量 |
13.5kg |
13.5kg |
18.7kg |
18.7kg |
| 総重量 |
14.8kg |
14.8kg |
20.3kg |
20.3kg |
| 品番 |
MF7FE-110F |
MF7FE-170F |
| ケーブルBS302 |
10.0mm |
12.0mm |
| ケーブル断線負荷 |
5,950kgf |
8,570kgf |
| ケーブルの安全率 |
5.4 |
5.0 |
| 最大容量 |
1,100kgf |
1,700kgf |
| 第2層 |
942kgf |
1,467kgf |
| 第3層 |
825kgf |
1,291kgf |
| 第4層 |
733kgf |
- |
| 第5層 |
- |
- |
| 第6層 |
- |
- |
| 第7層 |
- |
- |
| ドラム径 |
110mm |
139.8mm |
| D/d |
12.0 |
12.0 |
| 手動圧力負荷 |
10.0kgf |
15.0kgf |
| ドラム巻線容量 |
30m |
20m |
| ターンあたりの巻線長さ |
16.9mm |
16.5mm |
| 作業ハンドルの長さ |
350mm |
350mm |
| ギア比 |
22.2:1 |
28.8:1 |
全体寸法
(H×W×D) |
231.0×448.0×300.0 |
296.0×509.0×362.0 |
| 正味重量 |
26.4kg |
44.9kg |
| 総重量 |
28.2kg |
47.6kg |
|