|
|
│作業台 │軽量作業台 │中量作業台 │重量作業台 │昇降式作業台 │ステンレス作業台 │台車 │軽量台車 │樹脂台車 │
│レベラー台車 │ストッパー付台車 │静音台車 │折りたたみ台車 │プレス製台車 │網カゴ台車 │長尺台車/長物台車 │鉄板台車 │
│二段台車 │三段台車 │一輪車 │二輪車 │アルミ台車 │アルミ製運搬車 │ガスボンベ運搬車 │ドラム缶運搬車 │ステンレス台車 │
│パレット台車 │コンテナ台車 │電動台車 │牽引車 │平台車 │エンジンクローラー運搬車 │マルチキャリー │階段運搬車 │リヤカー │
│アルミリヤカー │ピッキングカー │手動リフター │エアーリフト │電動フォークリフト │電動リフター │電動テーブルリフト │
│手動テーブルリフト │手動油圧リフター │油圧リフター │油圧ハンドリフター │コゾウリフター │ハンドパレット │台車リフト │
│ステンレスリフター │ステンレス台車リフト │エアコン室外機リフター │集塵機 │一斗缶ペール缶ドラム缶反転リフト │ボンベスタンド │
│一斗缶・ペール缶スタンド │ドラム缶ヒーター │一斗缶ペール缶ドラム缶給油コック │ドラム缶液面計・残量ゲージ │攪拌混合機 │
│ワゴン │ステンレスワゴン │ショッピングカート │ショッピングバスケット │ホワイトラスティー │スリムカート │棚 │ステンレス棚 │
│パレット │プラスチックパレット │再生エコパレット │樹脂パレット │アルミパレット │輸出用パレット │ネスティングパレットラック │
│ボックスパレット │パレットカバー │タンク │ポリエチレン製タンク │ステンレスタンク │雨水タンク │FRPタンク │耐熱タンク │
│貯水タンク │ドラム缶 │ドラムポンプ/ケミカルポンプ │コンテナ │防水コンテナ │アルミコンテナ │樹脂コンテナ │
│折り畳み式コンテナ │マワール │ターンテーブル │ベルト荷締機 │高所作業用品 │脚立・はしご・踏み台 │安全用品 │
│作業用イス(オフィスチェア) │クリーンルーム用チェア │導電作業椅子・導電チェア │ライン引き │ラインテープ │キャスター │
│ゴミ箱 │分別ゴミ箱 │ステンレスゴミ箱 │防犯対策用窓付ゴミ箱 │傘立て │コンベア │ステンレス機器 │テント/シート/網/カーテン │
│油圧ジャッキ │エアー搬送機器 │保管庫 │ステンレス保管庫 │PCB廃棄物保管庫 │保冷庫/保温庫 │作業マット/フロアマット │
│農業関連物流機器 │その他の物流機器 │中古物流機器 │
≪物流機器メインページ≫
| 電動油圧式低床テーブルリフト/品番 MD18B-150-0309シリーズ | 【詳細表示】 | |||||||||||||||||||||||||||||||||||||||||||||||||||||||||||||||||||||||||||||||||||||
| 商品番号 | MD18B-150-0309シリーズ | 価 格 | ||||||||||||||||||||||||||||||||||||||||||||||||||||||||||||||||||||||||||||||||||||
![]() |
積載荷重:150~1000kg 超低床式の中でも最も、低い商品です。 傾斜台を置けば運搬車も乗せられます。 |
電動油圧式低床テーブルリフト 品番 MD18B-150-0309 廃番 |
||||||||||||||||||||||||||||||||||||||||||||||||||||||||||||||||||||||||||||||||||||
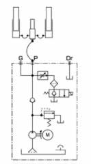
| ■特長 ●超低床 ●油圧シリンダー ●ユニット別置 ●3相200V電源(モーター:15分定格) ●過負荷防止装置 ●PCフローコントロール ●フットスイッチ コード:2m ●最大使用頻度:15回/h ●高圧ホース:2m ●電源コード:4m ■下降時 ![]()
■寸法図 ![]() ■仕様
※最大使用頻度:15回/h ※内臓リミットスイッチ取付け不可 |
||||||||||||||||||||||||||||||||||||||||||||||||||||||||||||||||||||||||||||||||||||||
運賃、および消費税は、記載価格には、含まれていません。

[トップページに戻る][注文書] [見積り依頼] TEL0729-64-8663 FAX 0729-61-4874
営業時間 AM9:00~PM7:00 営業日 月曜日~金曜日 定休日 土曜日 日曜日 祝日