レバーバンド式ステンレス密閉タンク

ステンレスタンク

業務機器&資材 シロ産業 HOME
新製品情報 在庫処分情報 会社概要
見積依頼 ご注文フォーム お問い合わせ
業務用機材商社一筋で、創業41年。東大阪市商工会議所会員、2005年度IT百選企業。
国公立大学、研究所、自衛隊、警察庁 など主な国公立機関に納入実績多数。医療機器販売業免許取得済

包装資材 包装機械 物流機器 測定機器 洗剤 ケミカル 蛍光灯 季節品-夏 季節品-冬 弱電工具 ホイスト 環境機器 掃除機 ムーブテック 切削工具 機械工具調理厨房機器 研究室用品 安全防犯防災品 エクステリア 新商品 在庫処分


カテゴリー第二分類(物流機器)
物流機器カテゴリー一覧を見る
作業台軽量作業台中量作業台重量作業台昇降式作業台ステンレス作業台台車軽量台車樹脂台車レベラー台車ストッパー付台車静音台車折りたたみ台車プレス製台車網カゴ台車長尺台車/長物台車鉄板台車二段台車三段台車一輪車二輪車アルミ製二輪/三輪運搬車ガスボンベ運搬車ドラム缶運搬車ステンレス台車アルミ台車パレット台車コンテナ台車電動台車牽引車平台車アルミ製運搬車エンジンクローラー運搬車マルチキャリー電動階段運搬車リヤカーアルミリヤカーピッキングカー手動リフターエアーリフト電動フォークリフト電動リフター電動テーブルリフト手動テーブルリフト手動油圧リフター油圧リフター油圧ハンドリフターコゾウリフターハンドパレット台車リフトステンレスリフターステンレス台車リフトエアコン室外機リフター集塵機一斗缶ペール缶ドラム缶反転リフトボンベスタンド一斗缶・ペール缶スタンドドラム缶ヒーター一斗缶ペール缶ドラム缶給油コックドラム缶液面計・残量ゲージ攪拌混合機ワゴンステンレスワゴンショッピングカートショッピングバスケットホワイトラスティースリムカートステンレス棚パレットプラスチックパレット再生エコパレット樹脂パレットアルミパレット輸出用パレットネスティングパレットラックボックスパレットパレットカバータンクポリエチレン製タンクステンレスタンク雨水タンクFRPタンク耐熱タンク貯水タンクドラム缶ドラムポンプ/ケミカルポンプコンテナ防水コンテナアルミコンテナ樹脂コンテナ折り畳み式コンテナマワールターンテーブルベルト荷締機高所作業用品脚立・はしご・踏み台安全用品作業用イス(オフィスチェア)クリーンルーム用チェア導電作業椅子・導電チェアライン引きラインテープキャスターゴミ箱分別ゴミ箱ステンレスゴミ箱防犯対策用窓付ゴミ箱傘立てコンベアステンレス機器テント/シート/網/カーテン油圧ジャッキエアー搬送機器保管庫ステンレス保管庫PCB廃棄物保管庫保冷庫/保温庫作業マット/フロアマット農業関連物流機器その他の物流機器中古物流機器

関連商品一覧

レバーバンド式ステンレス密閉タンク/品番 SCTL-24シリーズ 【詳細表示】
商品番号 SCTL-24シリーズ 価 格
●レバーバンドとパッキンでフタを固定して密閉します。
●ワンタッチ式レバーバンドで簡単にフタの着脱ができ、洗浄も容易です。
●密閉式ですので、内容物の飛散を防止し、外からのほこりなどの混入を防ぎます。
●SCTL-24~47Hは空の容器(フタを締めた)の積み重ねが出来ます。
●パッキンは食品衛生適合品のシリコンゴムが標準です。
●底の角は、汚れが溜まりにくいR構造です。
レバーバンド式
ステンレス密閉タンク
品番 SCTL-24シリーズ
価格は下記をご覧下さい
■パッキン形状
L型パッキン B型パッキン
・フタの溝に取り付けます。
・適用容器サイズ:SCTL-24~47H
・フタの溝に取付ます。
・適用容器サイズ:SCTL-565~77H

■容器積み重ね
SCTL-24~47Hの容器は積み重ねが可能です。SCTL-565以上は積み重ねが出来ません。


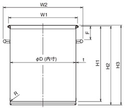
■ストレートタイプ
SCTL-24シリーズ

■仕様
容器本体・・・SUS304
フタ・・・SUS304
取手・・・SUS304
レバーバンド・・・SUS304
パッキン・・・シリコンゴム(食品衛生法適合品)
表面処理・・・内外面バフ研磨
使用条件・・・大気圧(加減圧不可)
※バンドは上下逆には使用できません。
品番 容量 重量 内径 内高 外径 最大幅 取手高 板厚 パッキン
L kg D H1 W1 W2 F t R
SCTL-24 10 1.8 240 240 255 315 41 0.7 5 L型
SCTL-27 15 2.8 270 270 285 350 56 0.8 5
SCTL-30 20 3.4 300 300 316 380 56 0.8 5
SCTL-33 25 4.2 330 330 347 436 63 0.8 5
SCTL-36 36 5.3 360 360 377 469 52 0.9 5
SCTL-39 45 6.1 387 390 406 496 67 0.9 5
SCTL-43 65 8.2 430 450 451 548 82 1.0 5
SCTL-47 80 10.8 470 470 492 592 101 1.2 5
SCTL-47H 100 12.5 470 600 492 592 101 1.2 5
※単位は(mm)


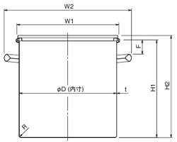
■ストレートタイプ
SCTL-565シリーズ

■仕様
容器本体・・・SUS304
袴・・・SUS304
フタ・・・SUS304
取手・・・SUS304
レバーバンド・・・SUS304
パッキン・・・シリコンゴム(食品衛生法適合品)
表面処理・・・内外面バフ研磨
使用条件・・・大気圧(加減圧不可)
品番 容量 重量 内径 内高 最大幅 全高 外径 最大幅 取手高 板厚 パッキン
L kg D H1 H2 H3 W1 W2 F t R
SCTL-565 150 18.3 565 600 630 638 595 685 116 1.2 5 B型
SCTL-565H 200 23.2 565 900 930 938 595 685 116 1.2 5
SCTL-635 300 35 635 1000 1030 1039 660 750 182 1.5 15
SCTL-77 400 52 770 900 930 938 800 887 182 2.0 15
SCTL-77H 500 60 770 1100 1130 1138 800 887 182 2.0 15
※SCTHタイプの形状となります。
※単位は(mm)


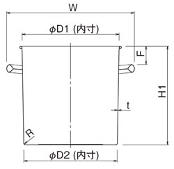
■テーパータイプ
STP-CTLシリーズ
●粉体・液体などの一時保管や運搬用として手軽な貯蔵容器です。
●空の状態の時に積み重ねが出来る省スペースタイプの貯蔵容器です。
●ストレート容器に比べ約12%の軽量化になります。
●底の角は、汚れが溜まりにくいR構造です。

■仕様
容器本体・・・SUS304
袴・・・SUS304
フタ・・・SUS304
取手・・・SUS304
レバーバンド・・・SUS304
パッキン・・・シリコンゴム(食品衛生法適合品)
表面処理・・・内外面バフ研磨
使用条件・・・大気圧(加減圧不可)
品番 容量 重量 内径 内高 全高 最大幅 取手高 板厚 フタ
L kg D1 D2 H1 W F t R
STP-CTL-24 10 1.9 240 230 244 312 56 0.6 5 L型
STP-CTL-27 15 2.5 270 260 279 345 71 0.7 5
STP-CTL-30 20 3.1 300 289 304 377 71 0.7 5
STP-CTL-33 25 3.8 330 318 336 433 63 0.7 5
STP-CTL-36 35 4.8 360 346 362 465 82 0.8 5
STP-CTL-39 45 5.6 387 373 405 492 107 0.8 5
STP-CTL-43 65 7.6 430 413 475 543 107 0.9 5
STP-CTL-47  80 9.4 470 452 485 585 106 1.0 5
STP-CTL-47H  100 10.8 470 448 615 585 106 1.0 5
STP-CTL-565 150 15.4 565 543 635 700 116 1.0 5 B型
STP-CTL-565H 200 18.7 565 534 905 700 116 1.0 5
※単位は(mm)

●タンク移動に便利な運搬用台車です。
●SKMシリーズは、台車(SUS304)+キャスター(SSクロームメッキ、ゴム車)
●ストッパー付2ヵ所
●ストレートタンク(SCTL、SCTH、SCTB、SST)用の台車です。
(テ-パ付タンクには適合しません
タンク運搬用台車
品番 SKM-30シリーズ
廃番
後継機種はこちら→
ストレートタンク用
ME22KM-30Nシリーズ
ME22KMS-30Nシリーズ
テーパータンク用
ME22KM43-TPNシリーズ


■仕様
品番

内径(mm)

摘要 キャスター径(mm) 耐荷重(kg) 質量(kg) 価格
SKM-30 306 20L用 φ50 112 1.3 廃番
SKM-33 335 25L用 φ50 112 1.4 廃番
SKM-36 365 36L用 φ65 160 2.9 廃番
SKM-39 392 45L用 φ65 160 3.1 廃番
SKM-43 435 65L用 φ75 176 3.6 廃番
SKM-47 477 80・100L用 φ75 176 4.2 廃番
SKM-565 578 150・200L用 φ100 320 10.5 廃番

運賃、および消費税は、記載価格には、含まれていません。

[トップページに戻る] [注文書] [見積り依頼] TEL 0729-64-8663 FAX 0729-61-4874

営業時間 AM9:00~PM7:00 営業日 月曜日~金曜日 定休日 土曜日 日曜日 祝日