|
|
│作業台
│台車
│手動リフター
│電動リフター
│油圧ハンドリフター
│ステンレス作業台
│プレス製台車
│油圧リフター
│電動テーブルリフト │
│作業用イス(オフィスチェア)
│鉄板台車
│コゾウリフター
│ハンドパレット
│台車リフト
│ステンレス台車
│パレット台車
│安全用品 │
│電動台車
│マルチキャリー
│ドラム缶運搬車
│ワゴン
│パレット
│平台車
│二輪車
│ガスボンベドラム缶運搬車 │
│アルミ運搬車
│ホワイトラスティー
│棚
│ボックスパレット
│コンテナ
│マワール
│ベルト荷締機
│高所作業用品 │
│ピッキングカー
│コンテナ台車
│タンク
│キャスター
│電動階段運搬車
│ゴミ箱
│コンベア
│ステンレス機器
│保管庫
│作業マット│
│集塵機
│傘立て
│ドラムポンプケミカルポンプ
│農業関連物流機器
│保冷庫
│その他の物流機器
│中古物流機器│
≪物流機器メインページ≫
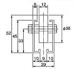
| 樹脂製ホイールコンベヤ樹脂ホイールφ38mm/品番 SV-38Nシリーズ | 【詳細表示】 | |||||||||||||||||||||||||||||||||||||||||||||||||||||||||||||||||||||||||||||||||||||||||
|---|---|---|---|---|---|---|---|---|---|---|---|---|---|---|---|---|---|---|---|---|---|---|---|---|---|---|---|---|---|---|---|---|---|---|---|---|---|---|---|---|---|---|---|---|---|---|---|---|---|---|---|---|---|---|---|---|---|---|---|---|---|---|---|---|---|---|---|---|---|---|---|---|---|---|---|---|---|---|---|---|---|---|---|---|---|---|---|---|---|---|
| 商品番号 | SV-38Nシリーズ | 価 格 | ||||||||||||||||||||||||||||||||||||||||||||||||||||||||||||||||||||||||||||||||||||||||
|
樹脂製ホイールの採用により静かで安定した搬送に適します。また、ワークへの傷が付きにくいコンベヤです。 | 樹脂製 ホイールコンベヤ樹脂ホイールφ38mm 品番 SV-38Nシリーズ 価格は下記をご覧下さい |
||||||||||||||||||||||||||||||||||||||||||||||||||||||||||||||||||||||||||||||||||||||||
| ■用途 傷や汚れの付けたくない品物の搬送に。 ■寸法図 ![]() ■仕様
|
||||||||||||||||||||||||||||||||||||||||||||||||||||||||||||||||||||||||||||||||||||||||||