|
|
│作業台
│台車
│手動リフター
│電動リフター
│油圧ハンドリフター
│ステンレス作業台
│プレス製台車
│油圧リフター
│電動テーブルリフト │
│作業用イス(オフィスチェア)
│鉄板台車
│コゾウリフター
│ハンドパレット
│台車リフト
│ステンレス台車
│パレット台車
│安全用品 │
│電動台車
│マルチキャリー
│ドラム缶運搬車
│ワゴン
│パレット
│平台車
│二輪車
│ガスボンベドラム缶運搬車 │
│アルミ運搬車
│ホワイトラスティー
│棚
│ボックスパレット
│コンテナ
│マワール
│ベルト荷締機
│高所作業用品 │
│ピッキングカー
│コンテナ台車
│タンク
│キャスター
│電動階段運搬車
│ゴミ箱
│コンベア
│ステンレス機器
│保管庫
│作業マット│
│集塵機
│傘立て
│ドラムポンプケミカルポンプ
│農業関連物流機器
│保冷庫
│その他の物流機器
│中古物流機器│
≪物流機器メインページ≫
| 搭乗式電動オートカートユニット/品番 M82CU-1000 |
【詳細表示】 |
|||||||||||||||||||||||||
| 商品番号 | M82CU-1000 | |||||||||||||||||||||||||
![]() |
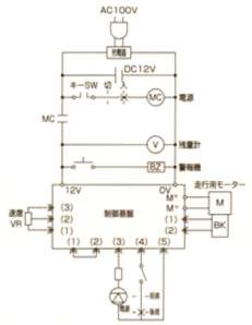
1000kgの重荷を軽快に電動運搬 搭乗式 積載荷重 1000kg ●付属のボルト8本で取付けるだけで搭乗型自走機に。 ●面倒な配線不要。制御装置、バッテリー一体型。 |
搭乗式電動オートカートユニット 品番 M82CU-1000 定価 \450,000- 廃番 |
||||||||||||||||||||||||
|
||||||||||||||||||||||||||
■仕様(単位o)M82CU-1000
|
||||||||||||||||||||||||||
運賃、および消費税は、記載価格には、含まれていません。

[トップページに戻る][注文書] [見積り依頼] TEL0729-64-8663 FAX 0729-61-4874
営業時間 AM9:00〜PM7:00 営業日 月曜日〜金曜日 定休日 土曜日 日曜日 祝日