電動式耐圧防爆型ポンプ(有機溶剤用・大容量) 

ドラムポンプ/ケミカルポンプ

業務機器&資材 シロ産業 HOME
新製品情報 在庫処分情報 会社概要
見積依頼 ご注文フォーム お問い合わせ
業務用機材商社一筋で、創業41年。東大阪市商工会議所会員、2005年度IT百選企業。
国公立大学、研究所、自衛隊、警察庁 など主な国公立機関に納入実績多数。医療機器販売業免許取得済

包装資材 包装機械 物流機器 測定機器 洗剤 ケミカル 蛍光灯 季節品-夏 季節品-冬 弱電工具 ホイスト 環境機器 掃除機 ムーブテック 切削工具 機械工具調理厨房機器 研究室用品 安全防犯防災品 エクステリア 新商品 在庫処分


カテゴリー第二分類(物流機器)
物流機器カテゴリー一覧を見る
作業台軽量作業台中量作業台重量作業台昇降式作業台台車ストッパ付台車樹脂台車アルミ台車レベラ台車長尺台車/長物台車静音台車ワゴンステンレスワゴンピッキングカーコンテナ台車ショッピングカート二段台車三段台車手動リフター手動油圧リフターステンレスリフター電動リフター電動フォークリフト油圧ハンドリフターエアーリフト油圧リフター油圧ジャッキ電動テーブルリフト作業イス(オフィスチェア)クリーンルーム用チェア導電作業椅子鉄板台車コゾウリフターハンドパレット台車リフトステンレス台車ステンレス台車リフトパレット台車ステンレス作業台プレス製台車電動台車エンジンクローラー運搬車マルチキャリー一斗缶ペール缶ドラム缶反転リフト一斗缶ペール缶ドラム缶給油コックドラム缶残量ゲージ・液面計パレットプラスチックパレット再生エコパレット樹脂パレットアルミパレット輸出パレット平台車二輪車リヤカーアルミリヤカーボンベスタンドドラム缶運搬車ドラム缶ヒーターボンベドラム缶運搬車アルミ運搬車電動階段運搬車ホワイトラスティーボックスパレットコンテナ折畳式コンテナアルミコンテナ防水コンテナマワールターンテーブルベルト荷締機高所作業用品タンクステンレスタンク雨水タンクFRPタンク耐熱タンク貯水タンクドラム缶キャスターゴミ箱分別ゴミ箱集塵機安全用品ライン引きラインテープコンベアステンレス機器保管庫作業マット傘立てテント・シート・網・カーテンエアー搬送機器ドラムポンプ/ケミカルポンプ農業関連物流機器保冷庫/保温庫その他の物流機器中古物流機器

関連商品一覧

電動式耐圧防爆型ポンプ(有機溶剤用・大容量)/品番 WPHC-300 【詳細表示】
商品番号 WPHC-300 価 格
有機溶剤・化学薬品等の燃性の液体の移送(高揚程・大吐出量)に安全で最適です。
構造規格d2G3で、耐圧防爆構造と耐食性
SUS304を使用し、耐薬品性と耐熱性に優れています。
電動式耐圧防爆型ポンプ(有機溶剤用・大容量)
品番 WPHC-300
■特長
●耐圧防爆モーター(d2G3)を採用
●高揚程と大きな吐出量
●インペラー2段式 低速回転のため耐久性抜群
●すぐれた耐蝕性と耐熱性
●誘導電動機採用のため安全で運転音が静か※
※他社製品はブラシモーターを使用している為、火花が発生し発火の恐れが生じます。


■使用例
設置例 利用流体 利用業種
●アセトン
●メチルエチルケトン(MEK)
●トルエン
●ヘキサン
●アルコール
●ベンゼン
●その他
●化学工場
●製薬
●化粧品
●プラントエンジニアリング
●香料
●家電メーカー
●農薬
●その他

■仕様
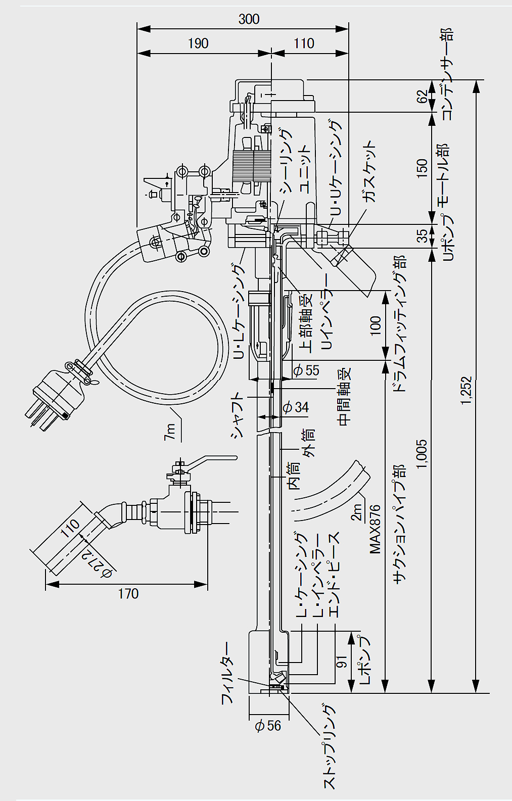
品番 WPHC-300
ホース 25A×2000mm
電源コード長さ 7m
使用可能粘度 60mPa・s以下
ホース先端 ノズル付SUSコック
吐出量 90L/min
揚程 10m
電源 AC100V
全長 1252mm
材質 本体 ステンレス(SUS304)・PPS樹脂
ホース ポリプロピレン(PP)・ステンレス(SUS304)
パッキン テフロン
質量 13kg
注意事項 80℃以上使用不可。


■特性


■寸法図

運賃、および消費税は、記載価格には、含まれていません。

[トップページに戻る] [注文書] [見積り依頼] TEL 0729-64-8663 FAX 0729-61-4874

営業時間 AM9:00~PM7:00 営業日 月曜日~金曜日 定休日 土曜日 日曜日 祝日