重量物運搬コロローラ標準タイプ(スチールローラー)ダブル型ダブル型4ローラー

キャスター

業務機器&資材 シロ産業 HOME
新製品情報 在庫処分情報 会社概要
見積依頼 ご注文フォーム お問い合わせ
業務用機材商社一筋で、創業41年。東大阪市商工会議所会員、2005年度IT百選企業。
国公立大学、研究所、自衛隊、警察庁 など主な国公立機関に納入実績多数。医療機器販売業免許取得済

包装資材 包装機械 物流機器 測定機器 洗剤 ケミカル 蛍光灯 季節品-夏 季節品-冬 弱電工具 ホイスト 環境機器 掃除機 ムーブテック 切削工具 機械工具調理厨房機器 研究室用品 安全防犯防災品 エクステリア 新商品 在庫処分


カテゴリー第二分類(物流機器)
物流機器カテゴリー一覧を見る
作業台軽量作業台中量作業台重量作業台昇降式作業台ステンレス作業台台車軽量台車樹脂台車レベラー台車ストッパー付台車静音台車折りたたみ台車プレス製台車網カゴ台車長尺台車/長物台車鉄板台車二段台車三段台車一輪車二輪車アルミ製二輪/三輪運搬車ガスボンベ運搬車ドラム缶運搬車ステンレス台車アルミ台車パレット台車コンテナ台車電動台車牽引車平台車アルミ製運搬車エンジンクローラー運搬車マルチキャリー電動階段運搬車リヤカーアルミリヤカーピッキングカー手動リフターエアーリフト電動フォークリフト電動リフター電動テーブルリフト手動テーブルリフト手動油圧リフター油圧リフター油圧ハンドリフターコゾウリフターハンドパレット台車リフトステンレスリフターステンレス台車リフトエアコン室外機リフター集塵機一斗缶ペール缶ドラム缶反転リフトボンベスタンド一斗缶・ペール缶スタンドドラム缶ヒーター一斗缶ペール缶ドラム缶給油コックドラム缶液面計・残量ゲージ攪拌混合機ワゴンステンレスワゴンショッピングカートショッピングバスケットホワイトラスティースリムカートステンレス棚パレットプラスチックパレット再生エコパレット樹脂パレットアルミパレット輸出用パレットネスティングパレットラックボックスパレットパレットカバータンクポリエチレン製タンクステンレスタンク雨水タンクFRPタンク耐熱タンク貯水タンクドラム缶ドラムポンプ/ケミカルポンプコンテナ防水コンテナアルミコンテナ樹脂コンテナ折り畳み式コンテナマワールターンテーブルベルト荷締機高所作業用品脚立・はしご・踏み台安全用品作業用イス(オフィスチェア)クリーンルーム用チェア導電作業椅子・導電チェアライン引きラインテープキャスターゴミ箱分別ゴミ箱ステンレスゴミ箱防犯対策用窓付ゴミ箱傘立てコンベアステンレス機器テント/シート/網/カーテン油圧ジャッキエアー搬送機器保管庫ステンレス保管庫PCB廃棄物保管庫保冷庫/保温庫作業マット/フロアマット農業関連物流機器その他の物流機器中古物流機器

関連商品一覧

重量物運搬コロローラ低床タイプ(プレスフレーム)ダブル型4ローラー 品番 M1147SW-10M 【詳細表示】
商品番号 M1147SW-10M 価 格
重量物運搬コロローラ標準タイプ(スチールローラー)ダブル型/M1147UW-1PM 重量物運搬コロローラ標準タイプ(スチールローラー)ダブル型
品番 M1147SW-10M
価格は下記をご覧ください
●標準タイプ(スチールローラー)
●15万台の実績が証明。耐荷重に優れたスチールローラーを採用。搬送作業に抜群の耐久性を発揮
●耐久性、耐荷性に優れたスチールローラーを採用。
●高い積載能力で重量物の移動を省力化、迅速な作業が行えます。
 (鉄板路面上での走行抵抗は、ウレタンローラーの約1/2以下となります)
※床面にダメージを与える恐れのある場合は、鉄板などを敷いて保護、養生を行ってください 。


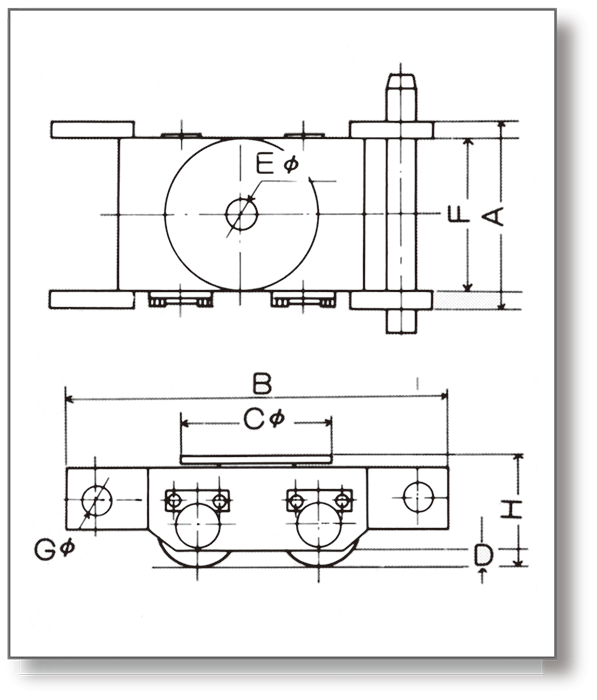
■ダブル型

・自在回転テーブルにより方向転換が容易に行えます。
・4輪タイプ鉄車輪。
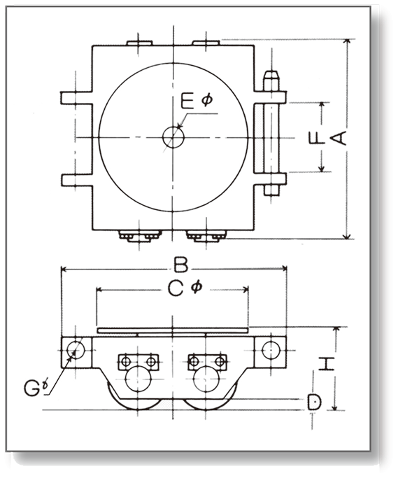
品番 能力(t) ローラー(φ×L×個数) 重量(kg) A B D F H高さ
M1147SW-10M 10 60x80x4 13 215 250 150 11 M16 114 23 80
M1147SW-15M 15 80x80x4 20 215 295 200 13 M20 114 23 105
M1147SW-20M 20 100x125x4 41 315 355 240 21 M20 114 23 128


■ボギー型

・前輪が左右30°旋回。移動中の方向変換が容易です。
・ストッパーピンをセットすることにより、ダブル型としても使用できます。
品番 能力(t) ローラー(φ×L×個数) 重量(kg) A B D F H高さ
前輪 後輪
M1147SB-5M 5 50x73x2 80x80x2 20x 250 309 200 10 M20 114 23 105
M1147SB-10M 10 60x80x2 100x125x2 41 300 357 240 13 M20 114 23 128


■スペシャル型

・凹凸や傾斜面に対し、トッププレートが傾斜します。
・傾斜や凹凸のある床面でも安定した搬送が行えます。
品番 能力(t) ローラー(φ×L×個数) 重量(kg) A B D F H高さ
M1147SWS-10M 10 60x80x4 15 230 300 150 10 M16 114 23 95
M1147SWS-15M 15 80x80x4 23 230 348 200 15 M20 114 23 105
M1147SWS-20M 20 100x125x4 46 320 394 240 18 M20 114 23 128


■シングル型

・1本のシャフトに2個のローラーを配列
・移動中の方向転換が容易に行えます。
・搬送物と本体は必ずボルトで固定してください。
品番 能力(t) ローラー(φ×L×個数) 重量(kg) A B D F H高さ
M1147SS-7.5M 7.5 80x80x2 11 215 210 110 13 M16 114 23 105
M1147SS-10M 10 100x125x2 21 315 250 150 21 M16 114 23 128


■直列型

・2本のシャフトにそれぞれ1個のローラーを配列。
・直進性が高く、前進後退専用です。
品番 能力(t) ローラー(φ×L×個数) 重量(kg) A B D F H高さ
M1147SD-3M 3 60x80x2 8 138 280 110 11 M16 114 23 80
M1147SD-7.5M 7.5 80x80x2 11 138 293 110 13 M16 114 23 105
M1147SD-10M 10 100x125x2 21 156 355 150 18 M16 114 23 128

※表示のない単位は(mm)
移動物は付属のボルトで必ず固定してください。


■オプション
搬送・移動作業がより安全、快適に行える専用ハンドルです

品番 品名
M1147SRH-1000D 一般コロローラー用ハンドル


■寸法図
※蛇行防止用連結棒はお客様にてご用意ください。

運賃、および消費税は、記載価格には、含まれていません。

[トップページに戻る] [注文書] [見積り依頼] TEL 0729-64-8663 FAX 0729-61-4874

営業時間 AM9:00~PM7:00 営業日 月曜日~金曜日 定休日 土曜日 日曜日 祝日