ポリエチレン製撹拌タンク(底部傾斜)50L白色

貯水タンク

業務機器&資材 シロ産業 HOME
新製品情報 在庫処分情報 会社概要
見積依頼 ご注文フォーム お問い合わせ
業務用機材商社一筋で、創業41年。東大阪市商工会議所会員、2005年度IT百選企業。
国公立大学、研究所、自衛隊、警察庁 など主な国公立機関に納入実績多数。医療機器販売業免許取得済

包装資材 包装機械 物流機器 測定機器 洗剤 ケミカル 蛍光灯 季節品-夏 季節品-冬 弱電工具 ホイスト 環境機器 掃除機 ムーブテック 切削工具 機械工具調理厨房機器 研究室用品 安全防犯防災品 エクステリア 新商品 在庫処分


カテゴリー第二分類(物流機器)
物流機器カテゴリー一覧を見る
作業台軽量作業台中量作業台重量作業台昇降式作業台台車ストッパー付台車樹脂台車アルミ台車レベラ台車長尺台車/長物台車静音台車ドラム缶運搬台車ワゴンステンレスワゴンピッキングカーコンテナ台車ショッピングカート二段台車三段台車手動リフター手動油圧リフターステンレスリフター電動リフター電動フォークリフト油圧ハンドリフターエアーリフト油圧リフター油圧ジャッキ電動テーブルリフト作業イス(オフィスチェア)クリーンルーム用チェア導電作業椅子鉄板台車コゾウリフターハンドパレット台車リフトステンレス台車ステンレス台車リフトパレット台車ステンレス作業台プレス製台車網カゴ台車電動台車エンジンクローラー運搬車マルチキャリードラム缶反転リフトドラム缶給油コックドラム缶残量ゲージ・液面計パレットプラスチックパレット再生エコパレット樹脂パレットアルミパレット輸出パレット平台車二輪車リヤカーアルミリヤカーボンベスタンドガスボンベ運搬車ドラム缶ヒーターアルミ運搬車電動階段運搬車ホワイトラスティーボックスパレットコンテナ折畳式コンテナアルミコンテナ防水コンテナマワールターンテーブルベルト荷締機高所作業用品タンクステンレスタンク雨水タンクFRPタンク耐熱タンク貯水タンクドラム缶キャスターゴミ箱分別ゴミ箱集塵機安全用品ライン引きラインテープコンベアステンレス機器保管庫作業マット傘立てテント・シート・網・カーテンエアー搬送機器ドラムポンプ/ケミカルポンプ農業関連物流機器保冷庫/保温庫その他の物流機器中古物流機器

関連商品一覧

ポリエチレン製撹拌タンク(底部傾斜)50L白色 品番 M2655CT-50LPEWK 【詳細表示】
商品番号 M2655CT-50LPEWK 価 格
ポリエチレン製撹拌タンク(底部傾斜)50L白色/M2655CT-50LPEWK ポリエチレン製撹拌タンク(底部傾斜)50L白色
品番 M2655CT-50LPEWK
価格は下記をご覧ください
独自の底部形状で残液わずか0.1%
従来にはない、 新しい発想で生まれたタンクです。
多くのお客様からいただいた要望をギューッと詰め込んで開発しました。
多目的にご使用いただけるように設計しており、様々なオプション品もご用意しました。
耐食に優れ、幅広い液体にご利用いただけるポリエチレン製撹拌用タンクです。



液出口付近に下段バドルがくるので、沈降しやすい液や、100mPa・s以下の液(高分子凝集剤の溶解)、沈降防止等、幅広くご使用いただけます。
50L・100Lは最小4L、200Lは最小7Lまで撹拌できます。(水相当)
※メーカー撹拌機は空転可能です。
※粘度が水程度の液や、溶けやすい粉体を攪拌する場合は、従来のタンクをご使用ください。
ご使用の液はどのタンクが適しているかわからない、またはご不明な点があれば、「お問い合わせ」よりお気軽にお尋ねください。




■残液 なんと 0.1%
底部はコニカルになっており、99 .9%の排出が可能

残量 本体のみ:14cc
ボールバルブ付:25cc
(水におけるテスト)



■タンクの底部まで撹拌可能
タンクの液出口付近まで下段パドルが届くことで最小下記容量まで撹拌可能。
幅広い液量の撹拌対応できます。



■ドレン口径は50Aでスラリーの排出も容易
出口は50Aジョイントが標準装備。偏心レジューサにて50Aから 15A、20A、25A、40Aに変更可能。


■撹拌機の着脱が容易



■撹拌機無しの対応可能



■便利なインサーナットをご用意



■上面管座は3ヶ所ご用意
口径25Aまで(2ヶ所)
口径50Aまで(1ヶ所)
フィッティング等取付可能




■側面切欠き部より液取出可(25A まで)
上澄み液など、底部以外からの液の排出に側面ノズル取付可能です。


■転倒防止にアンカー座をご用意
アンカープレート等固定部品を 別途用意する必要がありません。
※ワッシャーは付属 ※ケミカルアンカー等はお客様にてご準備く  ださい。



■液量が一目でわかる液面計(赤玉)付
透明PVCパイプ(目盛りはタンクに成形) で液量を目視で把握できます。



■強くそして柔軟に。KCTタンクの対応性。
・薬品の反応熱対策に
・FRPタンクの代替として
PP(ポリプロピレン)製
耐熱性と耐薬品性を兼ね備えたタンクです。
従来のPE(ポリエチレン)製と比べてより優れた耐熱性80℃を実現しました。

※ハンドホールのフタ、タンク架台は ※ハンドホールのフタは白色です。PE製です。
※液面計は付属しません。
使用する液温によっては (50℃以下) 、オプションで液面計取付可能です


■PE(ポリエチレン)製/黒
・光の影響に強い!
・薬品等の保存に
紫外線の透過を抑え、内部への影響を抑えることができます。
紫外線や光の影響を受けやすい薬品のタンクとしてお勧めです。
※ハンドホールのフタは白色です。



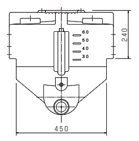
■外形寸法
M2655CT-50*****本体 M2655CT-100*****本体
M2655CT-200****本体



■タイプ
M2655CT-50*****本体 M2655CT-100*****本体
M2655CT-200****本体



■選定につきましては下記の事項をご確認ください
・内溶液 ・液名 ・粘度 ・液温 ・撹拌用途 ・比重


■標準付属品
エアー抜き、撹拌機座、ジョイント、タンク固定用ワッシャー


■仕様
品番 材質 容量 シール部材質
M2655CT-50LPEWK PE
(直鎖状低密度ポリエチレン)
50L
(MAX60L)
FKMまたはEPDM ホワイト
M2655CT-50LPEBK ブラック
M2655CT-100LPEWK 100L
(MAX120L)
ホワイト
M2655CT-100LPEBK ブラック
M2655CT-200LPEWK 200L
(MAX200L)
ホワイト
M2655CT-200LPEBK ブラック
M2655CT-50LPPWK PP
(ポリプロピレン)
50L
(MAX60L)
ホワイト
M2655CT-50LPPBK ブラック
M2655CT-100LPPWK 100L
(MAX120L)
ホワイト
M2655CT-100LPPBK ブラック
M2655CT-200LPPWK 200L
(MAX200L)
ホワイト
M2655CT-200LPPBK ブラック
※PE製タンクの液温は40℃以下で、PP製タンクの液温は80℃以下でご使用ください。
※薬液比重は1.3以下でご使用ください。上記を越える条件でご使用の場合は別途ご相談ください。
※PE製の寸法は±1.5%程度、PP製の寸法は+2.5%、-0.5%程度の誤差が生じることがあります。












■ミキサー仕様
品番 対応機種 材質 モーター(W) シャフト(W) パドル(mm) 取付フランジ
M2655MC-608K M2655CT-50***用 SUS304
(標準)
60 480 上段:200
下段:120
JIS5K65A
M2655MC-908K M2655CT-100***用 90 700 上段:250
下段:120
M2655MC-1008K M2655CT-200***用 100 1000 上段:230
下段:120
JIS10K65A

運賃、および消費税は、記載価格には、含まれていません。

[トップページに戻る] [注文書] [見積り依頼] TEL 0729-64-8663 FAX 0729-61-4874

営業時間 AM9:00~PM7:00 営業日 月曜日~金曜日 定休日 土曜日 日曜日 祝日