キャスターユニット軽中荷重用(防振ゴムスイベルボルト付)

キャスター

業務機器&資材 シロ産業 HOME
新製品情報 在庫処分情報 会社概要
見積依頼 ご注文フォーム お問い合わせ
業務用機材商社一筋で、創業41年。東大阪市商工会議所会員、2005年度IT百選企業。
国公立大学、研究所、自衛隊、警察庁 など主な国公立機関に納入実績多数。医療機器販売業免許取得済

包装資材 包装機械 物流機器 測定機器 洗剤 ケミカル 蛍光灯 季節品-夏 季節品-冬 弱電工具 ホイスト 環境機器 掃除機 ムーブテック 切削工具 機械工具調理厨房機器 研究室用品 安全防犯防災品 エクステリア 新商品 在庫処分


カテゴリー第二分類(物流機器)
物流機器カテゴリー一覧を見る
作業台軽量作業台中量作業台重量作業台昇降式作業台ステンレス作業台台車軽量台車樹脂台車レベラー台車ストッパー付台車静音台車折りたたみ台車プレス製台車網カゴ台車長尺台車/長物台車鉄板台車二段台車三段台車一輪車二輪車アルミ製二輪/三輪運搬車ガスボンベ運搬車ドラム缶運搬車ステンレス台車アルミ台車パレット台車コンテナ台車電動台車牽引車平台車アルミ製運搬車エンジンクローラー運搬車マルチキャリー電動階段運搬車リヤカーアルミリヤカーピッキングカー手動リフターエアーリフト電動フォークリフト電動リフター電動テーブルリフト手動テーブルリフト手動油圧リフター油圧リフター油圧ハンドリフターコゾウリフターハンドパレット台車リフトステンレスリフターステンレス台車リフトエアコン室外機リフター集塵機一斗缶ペール缶ドラム缶反転リフトボンベスタンド一斗缶・ペール缶スタンドドラム缶ヒーター一斗缶ペール缶ドラム缶給油コックドラム缶液面計・残量ゲージ攪拌混合機ワゴンステンレスワゴンショッピングカートショッピングバスケットホワイトラスティースリムカートステンレス棚パレットプラスチックパレット再生エコパレット樹脂パレットアルミパレット輸出用パレットネスティングパレットラックボックスパレットパレットカバータンクポリエチレン製タンクステンレスタンク雨水タンクFRPタンク耐熱タンク貯水タンクドラム缶ドラムポンプ/ケミカルポンプコンテナ防水コンテナアルミコンテナ樹脂コンテナ折り畳み式コンテナマワールターンテーブルベルト荷締機高所作業用品脚立・はしご・踏み台安全用品作業用イス(オフィスチェア)クリーンルーム用チェア導電作業椅子・導電チェアライン引きラインテープキャスターゴミ箱分別ゴミ箱ステンレスゴミ箱防犯対策用窓付ゴミ箱傘立てコンベアステンレス機器テント/シート/網/カーテン油圧ジャッキエアー搬送機器保管庫ステンレス保管庫PCB廃棄物保管庫保冷庫/保温庫作業マット/フロアマット農業関連物流機器その他の物流機器中古物流機器

関連商品一覧

キャスターユニット軽中荷重用(防振ゴムスイベルボルト付) 品番 M3583SPAR-60T 【詳細表示】
商品番号 M3583SPAR-60T 価 格
キャスターユニット軽中荷重用(防振ゴムスイベルボルト付)/M3583SPAR-60T キャスターユニット軽中荷重用(防振ゴムスイベルボルト付)
品番 M3583SPAR-60T
価格は下記をご覧ください
■特長
●移動、固定、高さ調整を一体化構造。
●振動、床の滑りを嫌う機器の足元に最適。
●丸座は床に傷を付けない防振ゴム採用。
●丸座とボルトの間にナイロンワッシャー使用でレベル出しスムーズ。
●ご使用例(真空装置、各種検査機器、オーディオ等)


■材質
本体:アルミダイカスト ADC12 黒塗装(ツヤ消)、ネジ部は長ナットがインサートされています。
ジャッキボルト:SS400 ユニクロメッキ
丸座:カバーSPCC 浸炭焼入黒クロメート、
底部:EPゴム
車輪:ポリアミド樹脂(ジャッキボルトと座は一体化しています。)

■特性
耐衝撃性・耐摩耗性・耐油性(機械)

■強度
許容荷重の4倍ものテストをクリアしています。(丸座が防振ゴム仕様となっております。)


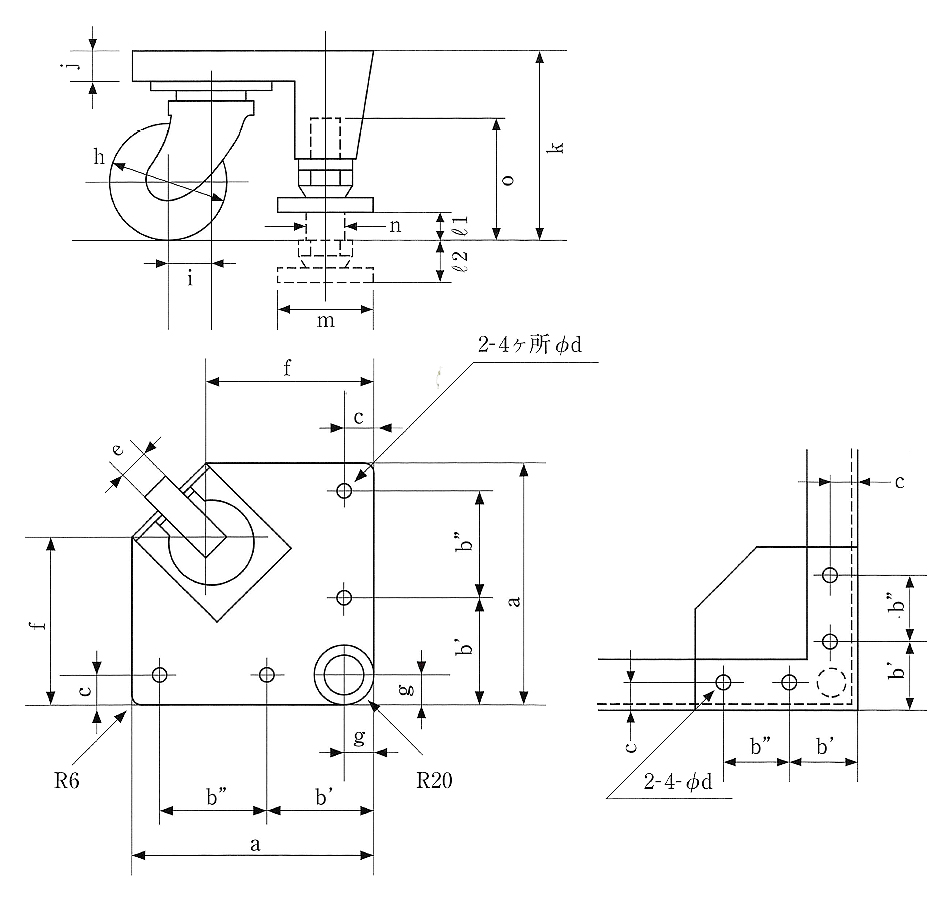
■寸法図


■仕様
品番 M3583SPAR-60T M3583SPAR-80T M3583SPAR-130T
許容荷重(1ヶ) 60kg 80kg 130kg
自重 550g 800g 1100g
寸法
(mm)
a 95 108 125
b' 73 52 56
b'' - 37 50
c 15 19 20
取付け穴(d) φ10 φ10 φ10
車輪幅(e) 18 22 25
f 63 71 83
g 20 20 20
車輪径(h) φ40 φ50 φ63
偏心距離(i) 19 19 25
j 10 14 14
高さ(k) 66 80 95
L1 8 12 17
L2 12 16 18
m φ40 φ50 φ50
調節ボルト(n) M16 M16 M16
調整ボルト長(o) 40 50 60
※M3583SPAR-60Tは取付け穴2ケ所


運賃、および消費税は、記載価格には、含まれていません。

[トップページに戻る] [注文書] [見積り依頼] TEL 0729-64-8663 FAX 0729-61-4874

営業時間 AM9:00~PM7:00 営業日 月曜日~金曜日 定休日 土曜日 日曜日 祝日