キャスターユニット中高荷重用(スイベルボルト付)

キャスター

業務機器&資材 シロ産業 HOME
新製品情報 在庫処分情報 会社概要
見積依頼 ご注文フォーム お問い合わせ
業務用機材商社一筋で、創業41年。東大阪市商工会議所会員、2005年度IT百選企業。
国公立大学、研究所、自衛隊、警察庁 など主な国公立機関に納入実績多数。医療機器販売業免許取得済

包装資材 包装機械 物流機器 測定機器 洗剤 ケミカル 蛍光灯 季節品-夏 季節品-冬 弱電工具 ホイスト 環境機器 掃除機 ムーブテック 切削工具 機械工具調理厨房機器 研究室用品 安全防犯防災品 エクステリア 新商品 在庫処分


カテゴリー第二分類(物流機器)
物流機器カテゴリー一覧を見る
作業台軽量作業台中量作業台重量作業台昇降式作業台ステンレス作業台台車軽量台車樹脂台車レベラー台車ストッパー付台車静音台車折りたたみ台車プレス製台車網カゴ台車長尺台車/長物台車鉄板台車二段台車三段台車一輪車二輪車アルミ製二輪/三輪運搬車ガスボンベ運搬車ドラム缶運搬車ステンレス台車アルミ台車パレット台車コンテナ台車電動台車牽引車平台車アルミ製運搬車エンジンクローラー運搬車マルチキャリー電動階段運搬車リヤカーアルミリヤカーピッキングカー手動リフターエアーリフト電動フォークリフト電動リフター電動テーブルリフト手動テーブルリフト手動油圧リフター油圧リフター油圧ハンドリフターコゾウリフターハンドパレット台車リフトステンレスリフターステンレス台車リフトエアコン室外機リフター集塵機一斗缶ペール缶ドラム缶反転リフトボンベスタンド一斗缶・ペール缶スタンドドラム缶ヒーター一斗缶ペール缶ドラム缶給油コックドラム缶液面計・残量ゲージ攪拌混合機ワゴンステンレスワゴンショッピングカートショッピングバスケットホワイトラスティースリムカートステンレス棚パレットプラスチックパレット再生エコパレット樹脂パレットアルミパレット輸出用パレットネスティングパレットラックボックスパレットパレットカバータンクポリエチレン製タンクステンレスタンク雨水タンクFRPタンク耐熱タンク貯水タンクドラム缶ドラムポンプ/ケミカルポンプコンテナ防水コンテナアルミコンテナ樹脂コンテナ折り畳み式コンテナマワールターンテーブルベルト荷締機高所作業用品脚立・はしご・踏み台安全用品作業用イス(オフィスチェア)クリーンルーム用チェア導電作業椅子・導電チェアライン引きラインテープキャスターゴミ箱分別ゴミ箱ステンレスゴミ箱防犯対策用窓付ゴミ箱傘立てコンベアステンレス機器テント/シート/網/カーテン油圧ジャッキエアー搬送機器保管庫ステンレス保管庫PCB廃棄物保管庫保冷庫/保温庫作業マット/フロアマット農業関連物流機器その他の物流機器中古物流機器

関連商品一覧

キャスターユニット中高荷重用(スイベルボルト付) 品番 M3583SPMU-260T 【詳細表示】
商品番号 M3583SPMU-260T 価 格
キャスターユニット中高荷重用(スイベルボルト付)/M3583SPMU-260T キャスターユニット中高荷重用(スイベルボルト付)
品番 M3583SPMU-260T
価格は下記をご覧ください
■特長
●中重量から超重量まで対応。機能性,耐久性に優れた設計です。
●座を分離させた事により移動(キャスター)の障害を無くしました。
●重荷重設備の長期設置に最適。
●RoHS対応

■材質
●本体:FCD45黒塗装(ツヤ消)
●ジャッキボルト:鉄 ユニクロメッキ
●丸座:鉄ユニクロメッキ
●車輪:特殊強化プラスチック

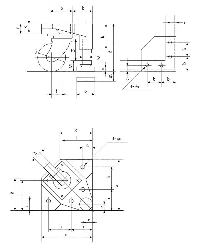
■寸法図


■仕様
品番 M3583SPMU-260T M3583SPMU-400T
許容荷重(1ヶ) 260kg 400kg
自重 4.3kg 4.6kg
寸法
(mm)
a 165 165
b 65 65
c 25 25
取付け穴(d) φ12 φ12
e 22 22
f 93.5 93.5
g 100 100
車輪幅(h) 38 38
偏心距離(i) 30 30
車輪径(j) φ65 φ75
k 68 68
高さ(L) 112 126
調節量(m) 25 30
n 15 15
o φ65 φ65
調節ボルト(P) M20 M20
調整ボルト長(P1) 80 80
q - -
r 21 21
s 19 22

運賃、および消費税は、記載価格には、含まれていません。

[トップページに戻る] [注文書] [見積り依頼] TEL 0729-64-8663 FAX 0729-61-4874

営業時間 AM9:00~PM7:00 営業日 月曜日~金曜日 定休日 土曜日 日曜日 祝日