ステンレススタッキング食品用コンテナ

ステンレスタンク

業務機器&資材 シロ産業 HOME
新製品情報 在庫処分情報 会社概要
見積依頼 ご注文フォーム お問い合わせ
業務用機材商社一筋で、創業41年。東大阪市商工会議所会員、2005年度IT百選企業。
国公立大学、研究所、自衛隊、警察庁 など主な国公立機関に納入実績多数。医療機器販売業免許取得済

包装資材 包装機械 物流機器 測定機器 洗剤 ケミカル 蛍光灯 季節品-夏 季節品-冬 弱電工具 ホイスト 環境機器 掃除機 ムーブテック 切削工具 機械工具調理厨房機器 研究室用品 安全防犯防災品 エクステリア 新商品 在庫処分


カテゴリー第二分類(物流機器)
物流機器カテゴリー一覧を見る
作業台軽量作業台中量作業台重量作業台昇降式作業台ステンレス作業台台車軽量台車樹脂台車レベラー台車ストッパー付台車静音台車折りたたみ台車プレス製台車網カゴ台車長尺台車/長物台車鉄板台車二段台車三段台車一輪車二輪車アルミ台車アルミ製運搬車ガスボンベ運搬車ドラム缶運搬車ステンレス台車パレット台車コンテナ台車電動台車牽引車平台車エンジンクローラー運搬車マルチキャリー階段運搬車リヤカーアルミリヤカーピッキングカー手動リフターエアーリフト電動フォークリフト電動リフター電動テーブルリフト手動テーブルリフト手動油圧リフター油圧リフター油圧ハンドリフターコゾウリフターハンドパレット台車リフトステンレスリフターステンレス台車リフトエアコン室外機リフター集塵機一斗缶ペール缶ドラム缶反転リフトボンベスタンド一斗缶・ペール缶スタンドドラム缶ヒーター一斗缶ペール缶ドラム缶給油コックドラム缶液面計・残量ゲージ攪拌混合機ワゴンステンレスワゴンショッピングカートショッピングバスケットホワイトラスティースリムカートステンレス棚パレットプラスチックパレット再生エコパレット樹脂パレットアルミパレット輸出用パレットネスティングパレットラックボックスパレットパレットカバータンクポリエチレン製タンクステンレスタンク雨水タンクFRPタンク耐熱タンク貯水タンクドラム缶ドラムポンプ/ケミカルポンプコンテナ防水コンテナアルミコンテナ樹脂コンテナ折り畳み式コンテナマワールターンテーブルベルト荷締機高所作業用品脚立・はしご・踏み台安全用品作業用イス(オフィスチェア)クリーンルーム用チェア導電作業椅子・導電チェアライン引きラインテープキャスターゴミ箱分別ゴミ箱ステンレスゴミ箱防犯対策用窓付ゴミ箱傘立てコンベアステンレス機器テント/シート/網/カーテン油圧ジャッキエアー搬送機器保管庫ステンレス保管庫PCB廃棄物保管庫保冷庫/保温庫作業マット/フロアマット農業関連物流機器その他の物流機器中古物流機器

関連商品一覧

ステンレススタッキング食品用コンテナ/品番 M118H-6704SUS 【詳細表示】
商品番号 M118H-6704SUS 価 格
  ステンレススタッキング食品用コンテナ
品番 M118H-6704SUS
価格は下記をご覧ください。
ステンレススタッキング食品用コンテナ
徹底した洗浄効果を追求し残留食材の付着を許さない形状と収納スペースの削減を考えて開発された商品です。




■積み重ねて保管できるテーパー形状 テーパー(先細)形状のため、積み重ねて保管することができ、保管スペースが小さくなります。 使用時には、付属のフタを使用することでコンテナを重ねることができます。

■本体は継ぎ目のない一体深絞り 一枚のステンレス板を絞るプレス加工により、溶接などによる、継ぎ目がない一体成形の本体になっています。

■腐食や錆に強い18-8ステンレス製 18-8ステンレス(SUS304)製ですので、腐食や錆にも強く、衛生的に使用できます。

■ファイバー溶接 M118H-6712SUSのみファイバー溶接になります

■渕は半カールで衛生的です。 全周溶接(取手ベース)
 


■全周溶接(取手ベース) 取手のベース部分は本体と全周溶接で加工され、雑菌などたまる事なく非常に衛生的です。

■本体はテーパー付ですので重ねて保管出来てスペースを取りません。蓋をした状態であれば食品を入れた状態で重ねる事ができます。 収納時は蓋を外し重ねて収納ができ保管スペースを有効に使う事ができます。


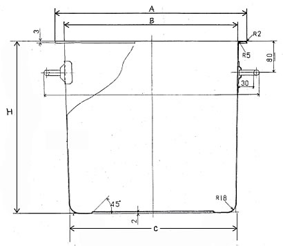
■寸法図



■タイプ
M118H-6704SUS M118H-6712SUS
M118H-6727SUS M118H-6720SUS


■仕様(フタ付き)
品番 フランジ外径 内径 内径最小底部 高さ 板厚 容量
M118H-6704SUS φ197mm φ165mm φ138mm 215mm 0.8mm 約4L
M118H-6712SUS φ320mm φ278mm φ265mm 265mm 約12L
M118H-6720SUS φ320mm φ278mm φ265mm 265mm 約20L
※カタログに記載してあります、寸法・容量・重量・形様・強度・仕上り等は多少の変化がある場合があります。


■仕様(フタ付き)
品番 サイズ(mm)
(A×B×C)
深さ
(H)
板厚 容量
M118H-6727SUS 304×270×260mm 275mm 0.7mm 12L
M118H-6733SUS 364×330×317mm 330mm 0.8mm 20L
※カタログに記載してあります、寸法・容量・重量・形様・強度・仕上り等は多少の変化がある場合があります。

運賃、および消費税は、記載価格には、含まれていません。

[トップページに戻る] [注文書] [見積り依頼] TEL 0729-64-8663 FAX 0729-61-4874

営業時間 AM9:00~PM7:00 営業日 月曜日~金曜日 定休日 土曜日 日曜日 祝日