|
|
■包装資材 ■包装機械 ■物流機器 ■測定機器 ■洗剤 ■ケミカル ■蛍光灯 ■季節品-夏 ■季節品-冬 ■弱電工具 ■ホイスト ■環境機器 ■掃除機 ■ムーブテック ■切削工具 ■機械工具■調理厨房機器 ■研究室用品 ■安全防犯防災品 ■エクステリア ■新商品 ■在庫処分
| アルミコンテナタンク角型槽(排水ボールバルブ付)250L/品番 M2641CT-250H | 【詳細表示】 | ||||||||||||||||||||||||||||||||||||||||||||||||||||||||||||
| 商品番号 | M2641CT-250H | 価 格 | |||||||||||||||||||||||||||||||||||||||||||||||||||||||||||
![]() |
アルミコンテナタンク角型槽(排水ボールバルブ付)250L 品番 M2641CT-250H 価格は下記をご覧ください |
||||||||||||||||||||||||||||||||||||||||||||||||||||||||||||
油の流出を未然に防ぐ![]() ■タンク設置例 ![]() ![]() ![]() ■タイプ
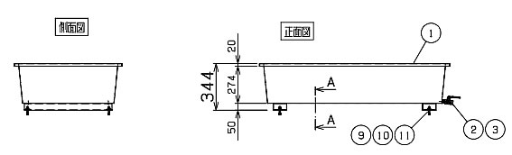
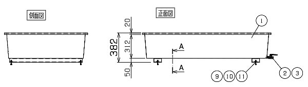
■寸法図
■仕様
|
|||||||||||||||||||||||||||||||||||||||||||||||||||||||||||||
運賃、および消費税は、記載価格には、含まれていません。

[トップページに戻る] [注文書] [見積り依頼] TEL 0729-64-8663 FAX 0729-61-4874
営業時間 AM9:00~PM7:00 営業日 月曜日~金曜日 定休日 土曜日 日曜日 祝日