レール用L型片ツバ車輪(材質S45C焼入品/外径加工済下穴品)

キャスター

業務機器&資材 シロ産業 HOME
新製品情報 在庫処分情報 会社概要
見積依頼 ご注文フォーム お問い合わせ
業務用機材商社一筋で、創業41年。東大阪市商工会議所会員、2005年度IT百選企業。
国公立大学、研究所、自衛隊、警察庁 など主な国公立機関に納入実績多数。医療機器販売業免許取得済

包装資材 包装機械 物流機器 測定機器 洗剤 ケミカル 蛍光灯 季節品-夏 季節品-冬 弱電工具 ホイスト 環境機器 掃除機 ムーブテック 切削工具 機械工具調理厨房機器 研究室用品 安全防犯防災品 エクステリア 新商品 在庫処分


カテゴリー第二分類(物流機器)
物流機器カテゴリー一覧を見る
作業台軽量作業台中量作業台重量作業台昇降式作業台ステンレス作業台台車軽量台車樹脂台車レベラー台車ストッパー付台車静音台車折りたたみ台車プレス製台車網カゴ台車長尺台車/長物台車鉄板台車二段台車三段台車一輪車二輪車アルミ製二輪/三輪運搬車ガスボンベ運搬車ドラム缶運搬車ステンレス台車アルミ台車パレット台車コンテナ台車電動台車牽引車平台車アルミ製運搬車エンジンクローラー運搬車マルチキャリー電動階段運搬車リヤカーアルミリヤカーピッキングカー手動リフターエアーリフト電動フォークリフト電動リフター電動テーブルリフト手動テーブルリフト手動油圧リフター油圧リフター油圧ハンドリフターコゾウリフターハンドパレット台車リフトステンレスリフターステンレス台車リフトエアコン室外機リフター集塵機一斗缶ペール缶ドラム缶反転リフトボンベスタンド一斗缶・ペール缶スタンドドラム缶ヒーター一斗缶ペール缶ドラム缶給油コックドラム缶液面計・残量ゲージ攪拌混合機ワゴンステンレスワゴンショッピングカートショッピングバスケットホワイトラスティースリムカートステンレス棚パレットプラスチックパレット再生エコパレット樹脂パレットアルミパレット輸出用パレットネスティングパレットラックボックスパレットパレットカバータンクポリエチレン製タンクステンレスタンク雨水タンクFRPタンク耐熱タンク貯水タンクドラム缶ドラムポンプ/ケミカルポンプコンテナ防水コンテナアルミコンテナ樹脂コンテナ折り畳み式コンテナマワールターンテーブルベルト荷締機高所作業用品脚立・はしご・踏み台安全用品作業用イス(オフィスチェア)クリーンルーム用チェア導電作業椅子・導電チェアライン引きラインテープキャスターゴミ箱分別ゴミ箱ステンレスゴミ箱防犯対策用窓付ゴミ箱傘立てコンベアステンレス機器テント/シート/網/カーテン油圧ジャッキエアー搬送機器保管庫ステンレス保管庫PCB廃棄物保管庫保冷庫/保温庫作業マット/フロアマット農業関連物流機器その他の物流機器中古物流機器

関連商品一覧

レール用L型片ツバ車輪(材質S45C焼入品/外径加工済下穴品) 品番 M4213L50-25N 【詳細表示】
商品番号 M4213L50-25N 価 格
レール用L型片ツバ車輪(材質S45C焼入品/外径加工済下穴品)/M4213L50-25N レール用L型片ツバ車輪(材質S45C焼入品/外径加工済下穴品)
品番 M4213L50-25N
価格は下記をご覧ください
本製品は従来より製作している小車径の鋳物製・鋳放し車輪の改良品として新開発された材質S45C製で、外径加工済み、下穴キリ加工品です。


1.車輪のサイズは18種あり、レール当たり面の巾は25、40、45、55、60、75mmの6種類あります
2.本製品は、ツバ側にボス部が出ていますので、必要に応じタップ穴を開け、六角穴ボールト等に依って車輪と車軸とをボルト締め出来る様にしました。
3.従来品の鋳放し車輪ですと、車輪外径も加工しなければセット組立てが出来なかったのですが、本品が外径加工済品ですので、軸穴径又は、装入するボールベアリング外径に合わせて追加工すれば良い様にした新車輪です。
4.本品の呼称は、例としてL100-40と称する品物は、片ツバっで車輪外径がφ100mmで、レール当たり面の巾が40mmの製品である事を意味しています。
5.稼働時間、荷重が多い場合、スピードが早い場合等には、クロームモリブデン鋼の焼入品も製作出来ます。尚、本企画以外の指定寸法図品も早期に製作することが出来ます。



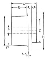
■寸法図



■仕様
品番 車径 レール当り巾 ツバ元巾 ボス出 全巾 下穴 ボス径 ツバ径 最大荷重
B C D E F kg
M4213L50-25N 50 25 12 13 50 15 45 70 200
M4213L50-40N 50 40 12 13 65 15 45 70 250
M4213L75-25N 75 25 12 13 50 15 60 956 300
M4213L75-40N 75 40 12 13 65 15 60 95 400
M4213L100-25N 100 25 13 15 53 20 80 120 400
M4213L100-40N 100 40 13 15 68 20 80 120 900
M4213L125-40N 125 40 15 15 70 20 100 150 1,100
M4213L125-60N 125 60 15 15 90 20 100 150 1,300
M4213L150-40N 150 40 17 18 75 20 110 175 1,500
M4213L150-60N 150 60 17 18 95 20 110 175 1,700
M4213L175-40N 175 40 17 18 75 20 140 205 ,2000
M4213L175-60N 175 60 17 18 95 20 140 205 2,200
M4213L200-45N 200 45 20 20 85 25 140 232 2,500
M4213L200-60N 200 60 20 20 100 25 140 232 2,800
M4213L250-45N 250 45 20 20 85 25 150 284 3,000
M4213L250-60N 250 60 20 20 100 25 150 284 3,500
M4213L300-55N 300 55 25 20 100 30 180 336 4,000
M4213L300-75N 300 75 25 20 120 30 180 336 5,000


運賃、および消費税は、記載価格には、含まれていません。

[トップページに戻る] [注文書] [見積り依頼] TEL 0729-64-8663 FAX 0729-61-4874

営業時間 AM9:00~PM7:00 営業日 月曜日~金曜日 定休日 土曜日 日曜日 祝日