足踏み油圧フォークリフト1000kg牽引ハンドル付

手動油圧リフター

業務機器&資材 シロ産業 HOME
新製品情報 在庫処分情報 会社概要
見積依頼 ご注文フォーム お問い合わせ
業務用機材商社一筋で、創業41年。東大阪市商工会議所会員、2005年度IT百選企業。
国公立大学、研究所、自衛隊、警察庁 など主な国公立機関に納入実績多数。医療機器販売業免許取得済

包装資材 包装機械 物流機器 測定機器 洗剤 ケミカル 蛍光灯 季節品-夏 季節品-冬 弱電工具 ホイスト 環境機器 掃除機 ムーブテック 切削工具 機械工具調理厨房機器 研究室用品 安全防犯防災品 エクステリア 新商品 在庫処分


カテゴリー第二分類(物流機器)
物流機器カテゴリー一覧を見る
作業台軽量作業台中量作業台重量作業台昇降式作業台ステンレス作業台台車軽量台車樹脂台車レベラー台車ストッパー付台車静音台車折りたたみ台車プレス製台車網カゴ台車長尺台車/長物台車鉄板台車二段台車三段台車一輪車二輪車アルミ製二輪/三輪運搬車ガスボンベ運搬車ドラム缶運搬車ステンレス台車アルミ台車パレット台車コンテナ台車電動台車牽引車平台車アルミ製運搬車エンジンクローラー運搬車マルチキャリー電動階段運搬車リヤカーアルミリヤカーピッキングカー手動リフターエアーリフト電動フォークリフト電動リフター電動テーブルリフト手動テーブルリフト手動油圧リフター油圧リフター油圧ハンドリフターコゾウリフターハンドパレット台車リフトステンレスリフターステンレス台車リフトエアコン室外機リフター集塵機一斗缶ペール缶ドラム缶反転リフトボンベスタンド一斗缶・ペール缶スタンドドラム缶ヒーター一斗缶ペール缶ドラム缶給油コックドラム缶液面計・残量ゲージ攪拌混合機ワゴンステンレスワゴンショッピングカートショッピングバスケットホワイトラスティースリムカートステンレス棚パレットプラスチックパレット再生エコパレット樹脂パレットアルミパレット輸出用パレットネスティングパレットラックボックスパレットパレットカバータンクポリエチレン製タンクステンレスタンク雨水タンクFRPタンク耐熱タンク貯水タンクドラム缶ドラムポンプ/ケミカルポンプコンテナ防水コンテナアルミコンテナ樹脂コンテナ折り畳み式コンテナマワールターンテーブルベルト荷締機高所作業用品脚立・はしご・踏み台安全用品作業用イス(オフィスチェア)クリーンルーム用チェア導電作業椅子・導電チェアライン引きラインテープキャスターゴミ箱分別ゴミ箱ステンレスゴミ箱防犯対策用窓付ゴミ箱傘立てコンベアステンレス機器テント/シート/網/カーテン油圧ジャッキエアー搬送機器保管庫ステンレス保管庫PCB廃棄物保管庫保冷庫/保温庫作業マット/フロアマット農業関連物流機器その他の物流機器中古物流機器

関連商品一覧

足踏み油圧フォークリフト1000kg牽引ハンドル付/品番 MD18NLF-H1000-8T 【詳細表示】
商品番号 MD18NLF-H1000-8T 価 格
足踏み油圧フォークリフト1000kg牽引ハンドル付
品番 MD18NLF-H1000-8T
価格は下記をご覧ください。
油圧・足踏式/電動式
操作性が楽なハンドル付きタイプ
狭いスペースや通路でのパレットの搬送移動に便利です。




■特長
●狭い通路でも簡単操作、場所をとらない足踏油圧式のリフターです。
●操舵用車輪が押ハンドルと一体になっているので方向転換が容易
●ウレタン固定車輪・自在にはブレーキ付きウレタン車輪を採用。
●マスト、フォークに高張力鋼板を使った強靭軽量設計です。
●過負荷防止装置付き※1
●早送り装置付き(約20%の荷重で自動的に切り替ります。)※2
●フォーク巾を簡単に調整。
●フォークのガタつきを防止する進行造マスト。
●レリーズハンドルにスプリングバック機構を付けました。緊急時に手を放すだけで下降が停止します。
●ポンプペダルの形状を踏みやすくしました。
●粉体塗装
●油圧シリンダー
●ブレーキ付きキャスター
●フットペダル式
※1.荷重オーバーの時は上昇しません。
※2.詳細は仕様表をご参照ください。

■主な仕様
ポンプ部 アルミ
シリンダー部 スチール(ウレタン系樹脂吹き付け塗装)
本体部 スチール(粉体塗装)


■電動式シリーズのおもな特長
●楽々簡単操作のバッテリー式のリフターです。
●操舵用車輪が押ハンドルと一体になっているので方向転換が容易
●ソフトタッチのレバースイッチで昇降楽々操作
●上昇時の衝撃を極力抑えた安全設計
●ゴルフカート用の長寿命”EB”バッテリーを搭載
●自動充電器搭載でいつでもどこでも充電OK(AC100V)
●充電器のコード(2m)はひきずる心配のない自動巻き取り式です。
●1回の充電力は最大積載荷重で連続30回上下出来ます。
●見やすいバッテリー残量計付き
●過負荷防止装置付き※1
●PCフローコントロール(積載荷重が変化しても、下降スピードを一定に保ちます。)
●充電時間は約12時間。気温やバッテリーの古さなどで充電時間は変わります。
●フル充電は最大積載荷重で連続30回上下できます。
※1.荷重オーバーの時は上昇しません。


■スプリングの力でレリーズハンドルが戻る為、緊急時には手を放すだけで下降しているフォークが止まります。
注)リフト上昇は、レリーズハンドルを締めて行ってください。



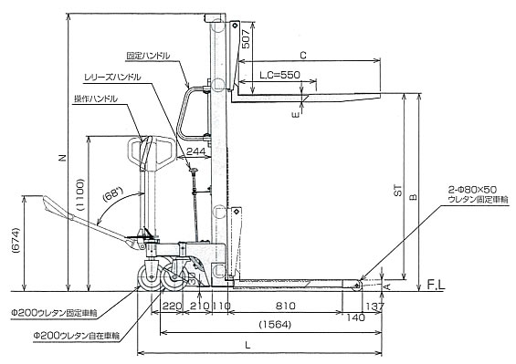
■寸法図
※パレットトラックではすくえない両面パレットをすくい運搬できます。



品番  フォーク高さ フォーク寸法 脚寸法 外形寸法


ストローク スライド
外巾





A B ST C D E F~G H J K L M N
MD18NLF-H1000-8T
MD18NLF-D1000-8T
85 800 715 800 100 55 218

578
80 400 550 1526 790 1360
MD18NLF-H1000-11T
MD18NLF-D1000-11T
1100 1015 1661
MD18NLF-H1000-14T
MD18NLF-D1000-14T
1400 1315 1961


■仕様 (mm)
品番 動力 積載
荷重
(kg)
荷重
中心
距離
(L.C)
足踏みポンプ回数
(回)
上昇時間(秒) 自重
(kg)
スタンダード 無負荷時
(早送り)
全負荷時
(標準)
無負荷時 全負荷時
MD18NLF-H1000-8T 足踏式 1000 400 54 144 15 21 188
MD18NLF-H1000-11T 76 199 21 29 206
MD18NLF-H1000-14T 84 224 27 37 212
MD18NLF-D1000-8T 電動式 54 144 15 21 254
MD18NLF-D1000-11T 76 199 21 29 264
MD18NLF-D1000-14T 84 224 27 37 270
※脚にフォークをかぶせた時、最低高は95mm。





運賃、および消費税は、記載価格には、含まれていません。

[トップページに戻る] [注文書] [見積り依頼] TEL 0729-64-8663 FAX 0729-61-4874

営業時間 AM9:00~PM7:00 営業日 月曜日~金曜日 定休日 土曜日 日曜日 祝日