電動回転テーブル

ターンテーブル

業務機器&資材 シロ産業 HOME
新製品情報 在庫処分情報 会社概要
見積依頼 ご注文フォーム お問い合わせ
業務用機材商社一筋で、創業41年。東大阪市商工会議所会員、2005年度IT百選企業。
国公立大学、研究所、自衛隊、警察庁 など主な国公立機関に納入実績多数。医療機器販売業免許取得済

包装資材 包装機械 物流機器 測定機器 洗剤 ケミカル 蛍光灯 季節品-夏 季節品-冬 弱電工具 ホイスト 環境機器 掃除機 ムーブテック 切削工具 機械工具調理厨房機器 研究室用品 安全防犯防災品 エクステリア 新商品 在庫処分


カテゴリー第二分類(物流機器)
物流機器カテゴリー一覧を見る
作業台軽量作業台中量作業台重量作業台昇降式作業台ステンレス作業台台車軽量台車樹脂台車レベラー台車ストッパー付台車静音台車折りたたみ台車プレス製台車網カゴ台車長尺台車/長物台車鉄板台車二段台車三段台車一輪車二輪車アルミ製二輪/三輪運搬車ガスボンベ運搬車ドラム缶運搬車ステンレス台車アルミ台車パレット台車コンテナ台車電動台車牽引車平台車アルミ製運搬車エンジンクローラー運搬車マルチキャリー電動階段運搬車リヤカーアルミリヤカーピッキングカー手動リフターエアーリフト電動フォークリフト電動リフター電動テーブルリフト手動テーブルリフト手動油圧リフター油圧リフター油圧ハンドリフターコゾウリフターハンドパレット台車リフトステンレスリフターステンレス台車リフトエアコン室外機リフター集塵機一斗缶ペール缶ドラム缶反転リフトボンベスタンド一斗缶・ペール缶スタンドドラム缶ヒーター一斗缶ペール缶ドラム缶給油コックドラム缶液面計・残量ゲージ攪拌混合機ワゴンステンレスワゴンショッピングカートショッピングバスケットホワイトラスティースリムカートステンレス棚パレットプラスチックパレット再生エコパレット樹脂パレットアルミパレット輸出用パレットネスティングパレットラックボックスパレットパレットカバータンクポリエチレン製タンクステンレスタンク雨水タンクFRPタンク耐熱タンク貯水タンクドラム缶ドラムポンプ/ケミカルポンプコンテナ防水コンテナアルミコンテナ樹脂コンテナ折り畳み式コンテナマワールターンテーブルベルト荷締機高所作業用品脚立・はしご・踏み台安全用品作業用イス(オフィスチェア)クリーンルーム用チェア導電作業椅子・導電チェアライン引きラインテープキャスターゴミ箱分別ゴミ箱ステンレスゴミ箱防犯対策用窓付ゴミ箱傘立てコンベアステンレス機器テント/シート/網/カーテン油圧ジャッキエアー搬送機器保管庫ステンレス保管庫PCB廃棄物保管庫保冷庫/保温庫作業マット/フロアマット農業関連物流機器その他の物流機器中古物流機器

関連商品一覧

電動回転テーブル/品番 M1226VB-F30-500Sシリーズ 【詳細表示】
商品番号 M1226VB-F30-500Sシリーズ 価 格
●テーブル面が低くて、リーズナブルです。
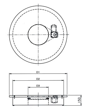
●真ん中に穴が開いていますので、中央に生け花やライティングを施したり、ドーナツテーブルに商品を載せるなど使い方は自由自在です。(M1226VB-Dシリーズ)
●商品を載せて、カンバンを載せて、いろいろ回って目立ちます。
●オプションで速度変化や正逆回転も可能です。
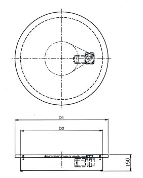
電動回転テーブル
品番 M1226VB-F30-500Sシリーズ
価格は下記をご覧下さい
■タイプ
M1226VB-Fシリーズ M1226VB-Dシリーズ

■その他
1)塗装色はアイボリーです。
2)弊社回転テーブルは静穏設計ではありません。(駆動音・回転音がします)
3)回転テーブルは、受注生産です。納期は別途ご相談ください。

■仕様
品番 M1226VB-F30-500S M1226VB-F30-600S
耐荷重 30kg
テーブル
直径
(D1) 500mm 600mm
本体
外形
(D2) 450mm 550mm
高さ 150mm
電源 AC100
ワット 15W
標準
仕様
材質 鉄(本体・テーブル)
塗装色 アイボリー
変速 1.1~3.3回転(50Hz)、1.3~4.0回転(60Hz)
電装 ON-OFFスイッチ
電源
コード
3m
回転方向 右回り(時計回り)


品番 M1226VB-F50-700S M1226VB-F50-850S
耐荷重 50kg
テーブル
直径
(D1) 700mm 850mm
本体
外形
(D2) 600mm 700nn
高さ 150mm
電源 AC100
ワット 25W
標準
仕様
材質 鉄(本体・テーブル)
塗装色 アイボリー
変速 1.1~3.3回転(50Hz)、1.3~4.0回転(60Hz)
電装 ON-OFFスイッチ
電源
コード
3m
回転方向 右回り(時計回り)



品番 M1226VB-D50-600S M1226VB-D50-700S M1226VB-D50-850S
耐荷重 50kg
テーブル直径 (D1) 600mm 700mm 850mm
本体外形 (D2) 550nn 650nn 700nn
テーブル内径 (D3) 150mm 200mm 300mm
高さ 150mm
電源 AC100
ワット 25W
標準仕様 材質 鉄(本体・テーブル)
塗装色 アイボリー
変速 1.1~3.3回転(50Hz)、1.3~4.0回転(60Hz)
電装 ON-OFFスイッチ
電源コード 3m
回転方向 右回り(時計回り)



■オプション
品  番 品  名 対応機種
M1226VB-F30SUS-TABLE ステンレス製化粧板テーブル(30kg用) M1226VB-Fシリーズ
M1226VB-F50SUS-TABLE ステンレス製化粧板テーブル(50kg用)
M1226VB-F-LEG 脚取付(全高700mm)
M1226VB-F-REVERSIBLE 正逆運転
M1226VB-D50SUS-TABLE ステンレス製化粧板テーブル M1226VB-Dシリーズ 
M1226VB-D-LEG 脚取付(全高700mm)
M1226VB-D-REVERSIBLE 正逆運転




運賃、および消費税は、記載価格には、含まれていません。

[トップページに戻る] [注文書] [見積り依頼] TEL 0729-64-8663 FAX 0729-61-4874

営業時間 AM9:00~PM7:00 営業日 月曜日~金曜日 定休日 土曜日 日曜日 祝日