小型ケミカル用ドラムポンプ

ドラムポンプ/ケミカルポンプ

業務機器&資材 シロ産業 HOME
新製品情報 在庫処分情報 会社概要
見積依頼 ご注文フォーム お問い合わせ
業務用機材商社一筋で、創業41年。東大阪市商工会議所会員、2005年度IT百選企業。
国公立大学、研究所、自衛隊、警察庁 など主な国公立機関に納入実績多数。医療機器販売業免許取得済

包装資材 包装機械 物流機器 測定機器 洗剤 ケミカル 蛍光灯 季節品-夏 季節品-冬 弱電工具 ホイスト 環境機器 掃除機 ムーブテック 切削工具 機械工具調理厨房機器 研究室用品 安全防犯防災品 エクステリア 新商品 在庫処分


カテゴリー第二分類(物流機器)
物流機器カテゴリー一覧を見る
作業台軽量作業台中量作業台重量作業台昇降式作業台台車ストッパ付台車樹脂台車アルミ台車レベラ台車長尺台車/長物台車静音台車ワゴンステンレスワゴンピッキングカーコンテナ台車ショッピングカート二段台車三段台車手動リフター手動油圧リフターステンレスリフター電動リフター電動フォークリフト油圧ハンドリフターエアーリフト油圧リフター油圧ジャッキ電動テーブルリフト作業イス(オフィスチェア)クリーンルーム用チェア導電作業椅子鉄板台車コゾウリフターハンドパレット台車リフトステンレス台車ステンレス台車リフトパレット台車ステンレス作業台プレス製台車電動台車エンジンクローラー運搬車マルチキャリー一斗缶ペール缶ドラム缶反転リフト一斗缶ペール缶ドラム缶給油コックドラム缶残量ゲージ・液面計パレットプラスチックパレット再生エコパレット樹脂パレットアルミパレット輸出パレット平台車二輪車リヤカーアルミリヤカーボンベスタンドドラム缶運搬車ドラム缶ヒーターボンベドラム缶運搬車アルミ運搬車電動階段運搬車ホワイトラスティーボックスパレットコンテナ折畳式コンテナアルミコンテナ防水コンテナマワールターンテーブルベルト荷締機高所作業用品タンクステンレスタンク雨水タンクFRPタンク耐熱タンク貯水タンクドラム缶キャスターゴミ箱分別ゴミ箱集塵機安全用品ライン引きラインテープコンベアステンレス機器保管庫作業マット傘立てテント・シート・網・カーテンエアー搬送機器ドラムポンプ/ケミカルポンプ農業関連物流機器保冷庫/保温庫その他の物流機器中古物流機器

関連商品一覧

手動ドラム缶ポンプ/品番 M1491P-32K 【詳細表示】
商品番号 M1491P-32K 価 格
手動ドラム缶ポンプ/M1491P-32K 軽油からA重油まで幅広く使える手動ドラム缶ポンプ 手動ドラム缶ポンプ
品番 M1491P-32K
価格は下記をご覧下さい
■特長
●M1491P-32K
・1回転1Lの大吐出量が得られ、ドラム缶1本をわずか2分で吸い上げます。灯油・軽油・A重油(油温10℃以上)などの低粘度油の移送給油に最適です。
※ガソリンは使用できません。
※低粘度油用設計ですので100m㎡/s以上の油には使用できません。 (油温15℃時でのVG32程度まで)

●M1491B-20K・M1491B-25K
・ドラム缶用ポンプとして最も手軽で、灯油・軽油・A重油(油温10℃以上)などの低粘度油の移送給油に最適です。
※ガソリンは使用できません。
※低粘度油用設計ですので100m㎡/s以上の油には使用できません。(油温15℃時でのVG32程度まで)

●M1491O-25SK
・ご使用に便利な受皿付きのポンプで、高粘度油の移し替えに最適。ガソリンスタンドでの必需品として愛用されています。
※ガソリンは使用できません。

●M1491P-25PK
・軽く、使いやすいオールプラスチック製。灯油・軽油など低粘度油や水に使用できます。
※ガソリンは使用できません。
※低粘度油用設計ですので100m㎡/s以上の油には使用できません。(油温15℃時でのVG32程度まで)

■タイプ
M1491P-32K M1491B-20K・M1491B-25K
M1491O-25SK M1491P-25PK


■各外形寸法図
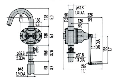
M1491P-32K
M1491O-25SK
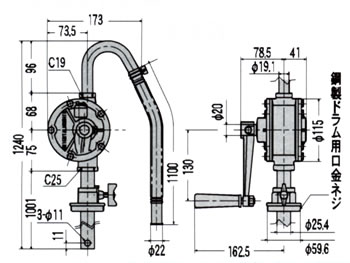
M1491B-20K
M1491P-25PK


■各仕様
品番 M1491P-32K M1491B-20K M1491B-25K
使用液 灯油・軽油・A重油
吐出量 1回転/1L 105回転/20L 72回転/20L
材質質 鉄・アルミ 本体:鉄鋳物
羽根:PPS:樹脂
吐出ホース φ32×1275mm φ22×1100mm φ25×1280mm
ストレーナー 60メッシュ ポリエチレン - -
重量  6.0kg 3.8kg 5.8kg


品番 M1491O-25SK M1491P-25PK
使用液 高粘度油
(2000m㎡/s以下)
灯油・軽油・水
吐出量 0.5L/1ストローク 20L/min
材質 鉄・アルミ 本体:ポリエチレン
パイプ:塩ビ
全長 1380mm 1194mm
吸入パイプ 外径32mm
重量 7kg 450g


運賃、および消費税は、記載価格には、含まれていません。

[トップページに戻る] [注文書] [見積り依頼] TEL 0729-64-8663 FAX 0729-61-4874

営業時間 AM9:00~PM7:00 営業日 月曜日~金曜日 定休日 土曜日 日曜日 祝日