足踏油圧式フォークリフター

油圧リフター

業務機器&資材 シロ産業 HOME
新製品情報 在庫処分情報 会社概要
見積依頼 ご注文フォーム お問い合わせ
業務用機材商社一筋で、創業41年。東大阪市商工会議所会員、2005年度IT百選企業。
国公立大学、研究所、自衛隊、警察庁 など主な国公立機関に納入実績多数。医療機器販売業免許取得済

包装資材 包装機械 物流機器 測定機器 洗剤 ケミカル 蛍光灯 季節品-夏 季節品-冬 弱電工具 ホイスト 環境機器 掃除機 ムーブテック 切削工具 機械工具調理厨房機器 研究室用品 安全防犯防災品 エクステリア 新商品 在庫処分


カテゴリー第二分類(物流機器)
物流機器カテゴリー一覧を見る
作業台軽量作業台中量作業台重量作業台昇降式作業台ステンレス作業台台車軽量台車樹脂台車レベラー台車ストッパー付台車静音台車折りたたみ台車プレス製台車網カゴ台車長尺台車/長物台車鉄板台車二段台車三段台車一輪車二輪車アルミ製二輪/三輪運搬車ガスボンベ運搬車ドラム缶運搬車ステンレス台車アルミ台車パレット台車コンテナ台車電動台車牽引車平台車アルミ製運搬車エンジンクローラー運搬車マルチキャリー電動階段運搬車リヤカーアルミリヤカーピッキングカー手動リフターエアーリフト電動フォークリフト電動リフター電動テーブルリフト手動テーブルリフト手動油圧リフター油圧リフター油圧ハンドリフターコゾウリフターハンドパレット台車リフトステンレスリフターステンレス台車リフトエアコン室外機リフター集塵機一斗缶ペール缶ドラム缶反転リフトボンベスタンド一斗缶・ペール缶スタンドドラム缶ヒーター一斗缶ペール缶ドラム缶給油コックドラム缶液面計・残量ゲージ攪拌混合機ワゴンステンレスワゴンショッピングカートショッピングバスケットホワイトラスティースリムカートステンレス棚パレットプラスチックパレット再生エコパレット樹脂パレットアルミパレット輸出用パレットネスティングパレットラックボックスパレットパレットカバータンクポリエチレン製タンクステンレスタンク雨水タンクFRPタンク耐熱タンク貯水タンクドラム缶ドラムポンプ/ケミカルポンプコンテナ防水コンテナアルミコンテナ樹脂コンテナ折り畳み式コンテナマワールターンテーブルベルト荷締機高所作業用品脚立・はしご・踏み台安全用品作業用イス(オフィスチェア)クリーンルーム用チェア導電作業椅子・導電チェアライン引きラインテープキャスターゴミ箱分別ゴミ箱ステンレスゴミ箱防犯対策用窓付ゴミ箱傘立てコンベアステンレス機器テント/シート/網/カーテン油圧ジャッキエアー搬送機器保管庫ステンレス保管庫PCB廃棄物保管庫保冷庫/保温庫作業マット/フロアマット農業関連物流機器その他の物流機器中古物流機器

関連商品一覧

足踏油圧式フォークリフター/品番 MD18LF-H800-14WT 【詳細表示】
商品番号 MD18LF-H800-14WT 価 格
足踏油圧式フォークリフター/MD18LF-H800-14WT 狭い隙間もラクラク作業できるスタンダードタイプ
狭いスペースや通路でのパレットの搬送移動に便利です。

積載荷重:800・1000kg
足踏油圧式フォークリフター
品番 MD18LF-H800-14WT
廃番
■特長
●狭い通路でも簡単操作、場所をとらない足踏油圧式のリフターです。
●操舵用車輪が押ハンドルと一体になっているので方向転換が容易。
●低全高タイプは入り口、天井が低くても楽々作業。
●ウレタン固定車輪・自在にはブレーキ付ウレタン車輪を採用。
●マスト、フォークに高張力鋼板を使った強靭軽量設計です。
●過負荷防止バルブ付き。
●フォーク巾を簡単に調整。
●フォークのガタつきを防止する新構造マスト。
●レリーズハンドルにスプリングバック機構を付けました。緊急時に手を放すだけで下降が停止します。
●ポンプペダルの形状を踏みやすくしました。

スプリングの力でレリーズハンドルが戻るため、緊急時には手を放すだけで下降しているフォークが止まります。
注)リフト上昇時は、レリーズハンドルを締めて行って下さい。

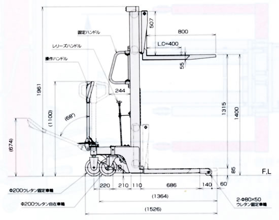
■仕様
品番 MD18LF-H800-14WT MD18LF-H1000-14T
積載荷重 800kg 1000kg
荷重中心距離 550 400
フォーク
高さ
最低高 85
最高高 1400
ストローク 1315
外形寸法 全長 1726 1526
全巾 1359 790
全高 1961 1961
足踏
ポンプ回数
無負荷時 34回
全負荷時 148回
自重 232kg 212kg
単位:mm



■寸法図
MD18LF-H800-14WT

MD18LF-H1000-14T

運賃、および消費税は、記載価格には、含まれていません。

[トップページに戻る] [注文書] [見積り依頼] TEL 0729-64-8663 FAX 0729-61-4874

営業時間 AM9:00~PM7:00 営業日 月曜日~金曜日 定休日 土曜日 日曜日 祝日