ホームページへ

1976年創業 東大阪市商工会議所会員 2005年度IT百選企業。国公立大学、研究所 自衛隊、警察庁 など主な国公立機関に納入実績多数 医療機器販売業免許取得済み

包装資材 包装機械 物流機器 測定機器 洗剤 ケミカル 蛍光灯 季節品-夏 季節品-冬 弱電工具 ホイスト 環境機器 掃除機 ムーブテック 切削工具 機械工具調理厨房機器 研究室用品 安全防犯防災品 エクステリア 新商品 在庫処分


作業台台車手動リフター電動リフター油圧ハンドリフターステンレス作業台プレス製台車油圧リフター電動テーブルリフト
作業用イス(オフィスチェア)鉄板台車コゾウリフターハンドパレット台車リフトステンレス台車パレット台車安全用品
電動台車マルチキャリードラム缶運搬車ワゴンパレット平台車二輪車ガスボンベドラム缶運搬車
アルミ運搬車ホワイトラスティーボックスパレットコンテナマワールベルト荷締機高所作業用品
ピッキングカーコンテナ台車タンクキャスター電動階段運搬車ゴミ箱コンベアステンレス機器保管庫作業マット
集塵機傘立てドラムポンプケミカルポンプ農業関連物流機器保冷庫その他の物流機器中古物流機器
物流機器メインページ

関連商品一覧

携帯型通報ユニット/品番 M1027GA-679Kシリーズ 【詳細表示】
商品番号 M1027GA-679Kシリーズ 価格
●対応する携帯電話と接続することにより、A接点入力を感知すると指定先への自動通報、音声の送信を行うことができます。
●緊急通報用途、生産機械やセキュリティ用センサーなどの接点出力タイプのセンサーなどと接続を行うことで、自動通報機能を簡易に追加することができます。
携帯型通報ユニット
品番 M1027GA-679Kシリーズ
価格は下記をご覧ください。
■使用方法
●前準備 携帯電話の設定
発信先の設定
docomo 電話帳に発信先番号を登録し、イヤホン発信登録設定で発信先を電話帳から選択し登録
Softbank 電話帳に発信先電話番号を登録し、スピードダイヤル登録設定でスピードダイヤル0に発信先を
電話帳から選択し登録。
au 電話帳に発信先番号を登録。登録の際、登録番号を末尾にする(多くは999番)
(一部機種は、イヤホン発信登録設定にて発信先を電話帳から選択し登録)
●機器接続
1.本機器の接点入力部と接点出力機器を接続します。
2.携帯電話を携帯接続ケーブルに接続します。
  (M1027GA-679K-AはUSBケーブルも差込)
3.本機器ACアダプタ差込口にACアダプタを差し込みます。
  (M1027GA-679K-DSにて充電機能を使用しない場合は不要です。)
4.接点入力部上側、下側端子がショートされると携帯電話で設定した通報先へ自動発信を行います。(M1027GA-679K-DS
  は、携帯電話により1〜3秒程度接点が必要な場合があります。)
<注意>
初回接続時に発信する場合がありますのでご注意ください。
M1027GA-679K-AのUSBケーブル接続は必須となります。

■機器構成
M1027GA-679Kシリーズ

ACアダプタ差込口 接点入力部

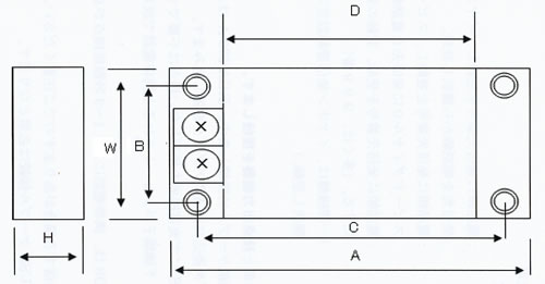
■寸法図


■仕様
品番 M1027GA-679K-DS M1027GA-679K-A
対応携帯会社 docomo、softbank au
対応携帯機種 対応機種一覧
接点入力部 無電圧接点出力機器と接続すること
オープンコレクタ出力機器と接続すること※1
電源電圧 DC+5V
機器単体消費電流 外部電源使用せず 0.2mA程度(待機時)
携帯電話充電電流 各携帯電話へ依存
参考値
消費電流(最大時):700mA程度
消費電流(待機時):20mA程度
外部寸法
(W×D×H)
50×80×25mm
取付部寸法
(B×A×C)
35×110×95mm
取付穴 M4
端子台 端子ネジM3
動作温度範囲 -10〜+60℃(ただし携帯電話を除く)
使用湿度範囲 80%RH以下(ただし結露なきこと)
ケース材質 ABS樹脂
機器ケーブル 携帯タイプによりケーブル変更 -
統合タイプ
ELAJ RC-5238 IMT-2000携帯電話用コネクタAタイプ
-
イヤホンタイプ
ELAJ RC-5240 携帯電話用角形コネクタタイプ
価格 ¥33,800- ¥33,800-
※オープンコレクタ出力機器と接続する場合には、携帯電話ごとに多少電流値が異なるため、機器接続可能か確認すること
一般携帯接点部電流参考値:0.2mA程度
一般携帯接点部電圧参考値:1.8〜4V程度
※M1027GA-679K-DSは、携帯充電を別途専用アダプタ使用または充電せずに使用する場合にはACアダプタは必要ありません。


運賃、および消費税は、記載価格には、含まれていません。

[トップページに戻る][注文書] [見積り依頼] TEL0729-64-8663 FAX 0729-61-4874
営業時間 AM9:00〜PM7:00 営業日 月曜日〜金曜日 定休日 土曜日 日曜日 祝日