アンカー固定点検アルミ製ミラー

安全用品

業務機器&資材 シロ産業 HOME
新製品情報 在庫処分情報 会社概要
見積依頼 ご注文フォーム お問い合わせ
業務用機材商社一筋で、創業41年。東大阪市商工会議所会員、2005年度IT百選企業。
国公立大学、研究所、自衛隊、警察庁 など主な国公立機関に納入実績多数。医療機器販売業免許取得済

包装資材 包装機械 物流機器 測定機器 洗剤 ケミカル 蛍光灯 季節品-夏 季節品-冬 弱電工具 ホイスト 環境機器 掃除機 ムーブテック 切削工具 機械工具調理厨房機器 研究室用品 安全防犯防災品 エクステリア 新商品 在庫処分


カテゴリー第二分類(物流機器)
物流機器カテゴリー一覧を見る
作業台軽量作業台中量作業台重量作業台昇降式作業台台車ストッパ付台車樹脂台車アルミ台車レベラ台車長尺台車/長物台車静音台車ドラム缶運搬台車ワゴンステンレスワゴンピッキングカーコンテナ台車ショッピングカート二段台車三段台車手動リフター手動油圧リフターステンレスリフター電動リフター電動フォークリフト油圧ハンドリフターエアーリフト油圧リフター油圧ジャッキ電動テーブルリフト作業イス(オフィスチェア)クリーンルーム用チェア導電作業椅子鉄板台車コゾウリフターハンドパレット台車リフトステンレス台車ステンレス台車リフトパレット台車ステンレス作業台プレス製台車電動台車エンジンクローラー運搬車マルチキャリードラム缶反転リフトドラム缶給油コックドラム缶残量ゲージ・液面計パレットプラスチックパレット再生エコパレット樹脂パレットアルミパレット輸出パレット平台車二輪車リヤカーアルミリヤカーボンベスタンドボンベドラム缶運搬車ドラム缶ヒーターアルミ運搬車電動階段運搬車ホワイトラスティーボックスパレットコンテナ折畳式コンテナアルミコンテナ防水コンテナマワールターンテーブルベルト荷締機高所作業用品タンクステンレスタンク雨水タンクFRPタンク耐熱タンク貯水タンクドラム缶キャスターゴミ箱分別ゴミ箱集塵機安全用品ライン引きラインテープコンベアステンレス機器保管庫作業マット傘立てテント・シート・網・カーテンエアー搬送機器ドラムポンプ/ケミカルポンプ農業関連物流機器保冷庫/保温庫その他の物流機器中古物流機器

関連商品一覧

アンカー固定点検アルミ製ミラー/品番 M1082N-14858S 【詳細表示】
商品番号 M1082N-14858S 価 格
アンカー固定点検アルミ製ミラー
品番 M1082N-14858S
■特長
●鏡面がアルミでできているので割れにくく安全です。
●衝撃・ショックに強く耐久性にも優れています。
●ミラーの角度を変えることができるので、使用範囲が広い。
●床面固定式なので、スペース形状を気にせず設置ができます。また、ブラケットの向きを変える事が出来るので、壁面ギリギリまでの設置も可能です。
標準設置 壁面寄せ設置

●高さは1200mmと1000mmに調整可能
●本体サイズ:W1680×H1200(1000)×D40mm
●アンカーブラケットサイズ:W150×D75mm
●材質・仕上げ:スチール・焼付塗装


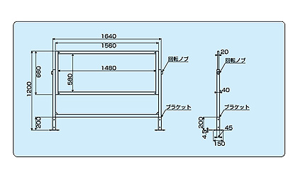
■寸法図



■仕様
品番 M1082N-14858S
本体(回転ノブ部除く) (W)1640×(H)1200×(D)40
アンカー固定ブラケット 150×75
鏡面サイズ (W)1480×(H)580
鏡面 アルミ製ミラー
本体材質 アルミ
アンカー固定ブラケット材質 スチール
商品改良の為、仕様等は予告なく変更する場合がございます。

運賃、および消費税は、記載価格には、含まれていません。

[トップページに戻る] [注文書] [見積り依頼] TEL 0729-64-8663 FAX 0729-61-4874

営業時間 AM9:00~PM7:00 営業日 月曜日~金曜日 定休日 土曜日 日曜日 祝日