電動ケミカル小型ポンプ

ドラムポンプ/ケミカルポンプ

業務機器&資材 シロ産業 HOME
新製品情報 在庫処分情報 会社概要
見積依頼 ご注文フォーム お問い合わせ
業務用機材商社一筋で、創業41年。東大阪市商工会議所会員、2005年度IT百選企業。
国公立大学、研究所、自衛隊、警察庁 など主な国公立機関に納入実績多数。医療機器販売業免許取得済

包装資材 包装機械 物流機器 測定機器 洗剤 ケミカル 蛍光灯 季節品-夏 季節品-冬 弱電工具 ホイスト 環境機器 掃除機 ムーブテック 切削工具 機械工具調理厨房機器 研究室用品 安全防犯防災品 エクステリア 新商品 在庫処分


カテゴリー第二分類(物流機器)
物流機器カテゴリー一覧を見る
作業台軽量作業台中量作業台重量作業台昇降式作業台ステンレス作業台台車軽量台車樹脂台車レベラー台車ストッパー付台車静音台車折りたたみ台車プレス製台車網カゴ台車長尺台車/長物台車鉄板台車二段台車三段台車一輪車二輪車アルミ製二輪/三輪運搬車ガスボンベ運搬車ドラム缶運搬車ステンレス台車アルミ台車パレット台車コンテナ台車電動台車牽引車平台車アルミ製運搬車エンジンクローラー運搬車マルチキャリー電動階段運搬車リヤカーアルミリヤカーピッキングカー手動リフターエアーリフト電動フォークリフト電動リフター電動テーブルリフト手動テーブルリフト手動油圧リフター油圧リフター油圧ハンドリフターコゾウリフターハンドパレット台車リフトステンレスリフターステンレス台車リフトエアコン室外機リフター集塵機一斗缶ペール缶ドラム缶反転リフトボンベスタンド一斗缶・ペール缶スタンドドラム缶ヒーター一斗缶ペール缶ドラム缶給油コックドラム缶液面計・残量ゲージ攪拌混合機ワゴンステンレスワゴンショッピングカートショッピングバスケットホワイトラスティースリムカートステンレス棚パレットプラスチックパレット再生エコパレット樹脂パレットアルミパレット輸出用パレットネスティングパレットラックボックスパレットパレットカバータンクポリエチレン製タンクステンレスタンク雨水タンクFRPタンク耐熱タンク貯水タンクドラム缶ドラムポンプ/ケミカルポンプコンテナ防水コンテナアルミコンテナ樹脂コンテナ折り畳み式コンテナマワールターンテーブルベルト荷締機高所作業用品脚立・はしご・踏み台安全用品作業用イス(オフィスチェア)クリーンルーム用チェア導電作業椅子・導電チェアライン引きラインテープキャスターゴミ箱分別ゴミ箱ステンレスゴミ箱防犯対策用窓付ゴミ箱傘立てコンベアステンレス機器テント/シート/網/カーテン油圧ジャッキエアー搬送機器保管庫ステンレス保管庫PCB廃棄物保管庫保冷庫/保温庫作業マット/フロアマット農業関連物流機器その他の物流機器中古物流機器

関連商品一覧

電動ケミカル小型ポンプ 品番 M655HM-316MM 【詳細表示】
商品番号 M655HM-316MM 価 格
電動ケミカル小型ポンプ(一斗缶用)M655HM-316MM 安全・確実・小型・軽量。薬液小分け移送用ポンプです。 電動ケミカル小型ポンプ
品番 M655HM-316MM
価格は下記をご覧下さい
■特長
●小型、軽量で操作が簡単。
●耐食性に優れた設計。(溶剤対応:SUS316製)
●ペール缶・ポリ缶(口径φ31)・キュービテナーにも使用可能。
●新型モーターと新型ハウジングの採用により、静音設定を実現。
●電源のないところでも使用可能なコードレスポンプ。(M655HM-316MRM、M655HM-316MFRM)


■タイプ



■主な用途
●研究室等で使用する薬品のあけかえに。
●化学薬品、薬品倉庫などの薬液の小分け、及び薬液槽のあけかえ補充に。
●金属工場、廃水処理場などの薬品やオイル移送用に。

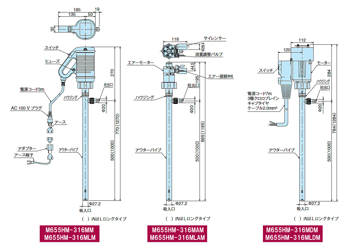
■寸法図



■性能曲線


■備考
※使用状況により性能は変化します。
●常温清水による試験性能です。
●使用液の粘度範囲は100CPまでです。
●スラリーを含む使用液はポンプの寿命を短くします。
●空運転はできません。

■付属品
品番 付属品
M655HM-316MM
M655HM-316MLM
PVC製 呼び19m:1m
ホースバンド:26mm 1ヶ
電源用2極アダプター 1ヶ
M655HM-316MAM
M655HM-316MLAM
PVC製 呼び19:1m
エアー用ホース6×11:4m
ホースバンド(26/12mm)1ヶ
M655HM-316MRM
M655HM-316MLRM
PVC製 呼び19:1m
ホースバンド26mm 1ヶ
充電器/充電池×各1ヶ
M655HM-316MDM
M655HM-316MLDM
PVC製 呼び19:1m
ホースバンド26mm 1ヶ
M655HM-316MFM
M655HM-316MLFM
SUS304製15A×1m
電源用2極アダプター
M655HM-316MFAM
M655HM-316MLFAM
SUS304製15A×1m
エアー用ホース6x11:4m
ホースバンド12mm
M655HM-316MFRM
M655HM-316MLFRM
SUS304製15A×1m
充電器/充電池×各1ヶ
M655MHM-316MFDM
M655MHM-316MLFDM
SUS304製15A×1m



■仕様


●一斗缶用20Aホース接続タイプ
品番 M655HM-316MM M655HM-316MAM M655HM-316MRM M655HM-316MDM
種類 整流子モーター エアモーター 整流子モーター 整流子モーターd2G3
定格電圧/
エアー圧力
AC100V 0.6MPa DC9.6V AC100V
ヒューズ定格 2.0A - - -
消費電力/
エアー消費量
125W 500NL/min 27W 150W
定格 連続 30min 連続
絶縁階級 E種 - - E種
最大
吐出量
30L/min 12L/min 30L/min
全揚程 5m 2m 5m
吐出口径 20A ホース接続
最大
使用液温
60℃
最大
使用粘度
100CP 70CP 100CP
本体
主要材質
SUS316
重量 3kg 2.5kg 6kg




●ドラム缶用20Aホース接続タイプ
品番 M655HM-316MLM M655HM-316MLAM M655HM-
316MLRM
M655HM-
316MLDM
種類 整流子モーター エアモーター 整流子モーター 整流子モーターd2G3
定格電圧/
エアー圧力
AC100V 0.6MPa DC9.6V AC100V
ヒューズ定格 2.0A - - -
消費電力/
エアー消費量
125W 500NL/min 27W 150W
定格 連続 30min 連続
絶縁階級 E種 - - E種
最大
吐出量
30L/min 12L/min 30L/min
全揚程 5m 2m 5m
吐出口径 20A ホース接続
最大
使用液温
60℃
最大
使用粘度
100CP 70CP 100CP
本体
主要材質
SUS316
重量 3kg 2.5kg 6kg




●一斗缶用G1/2(オネジ)接続タイプ
品番 M655HM-316MFM M655HM-316MFAM M655HM-
316MFRM
M655MHM-
316MFDM
種類 整流子モーター エアモーター 整流子モーター 整流子モーターd2G3
定格電圧/
エアー圧力
AC100V 0.6MPa DC9.6V AC100V
ヒューズ定格 2.0A - - -
消費電力/
エアー消費量
125W 500NL/min 27W 150W
定格 連続 30min 連続
絶縁階級 E種 - - E種
最大
吐出量
30L/min 12L/min 30L/min
全揚程 5m 2m 5m
吐出口径 G1/2(オネジ)
最大
使用液温
60℃
最大
使用粘度
100CP 70CP 100CP
本体
主要材質
SUS316
重量 3kg 2.5kg 6kg




●ドラム缶用G1/2(オネジ)接続タイプ
品番 M655HM-316MLFM M655HM-316MLFAM M655HM-
316MLFRM
M655MHM-
316MLFDM
種類 整流子モーター エアモーター 整流子モーター 整流子モーターd2G3
定格電圧/
エアー圧力
AC100V 0.6MPa DC9.6V AC100V
ヒューズ定格 2.0A - - -
消費電力/
エアー消費量
125W 500NL/min 27W 150W
定格 連続 30min 連続
絶縁階級 E種 - - E種
最大
吐出量
30L/min 12L/min 30L/min
全揚程 5m 2m 5m
吐出口径 G1/2(オネジ)
最大
使用液温
60℃
最大
使用粘度
100CP 70CP 100CP
本体
主要材質
SUS316
重量 3kg 2.5kg 6kg



運賃、および消費税は、記載価格には、含まれていません。

[トップページに戻る] [注文書] [見積り依頼] TEL 0729-64-8663 FAX 0729-61-4874

営業時間 AM9:00~PM7:00 営業日 月曜日~金曜日 定休日 土曜日 日曜日 祝日