ササガキ機

調理厨房機器

業務機器&資材 シロ産業 HOME
新製品情報 在庫処分情報 会社概要
見積依頼 ご注文フォーム お問い合わせ
業務用機材商社一筋で、創業41年。東大阪市商工会議所会員、2005年度IT百選企業。
国公立大学、研究所、自衛隊、警察庁 など主な国公立機関に納入実績多数。医療機器販売業免許取得済

包装資材 包装機械 物流機器 測定機器 洗剤 ケミカル 蛍光灯 季節品-夏 季節品-冬 弱電工具 ホイスト 環境機器 掃除機 ムーブテック 切削工具 機械工具調理厨房機器 研究室用品 安全防犯防災品 エクステリア 新商品 在庫処分


カテゴリー第二分類(調理厨房機器)
調理厨房機器カテゴリー一覧を見る

関連商品一覧

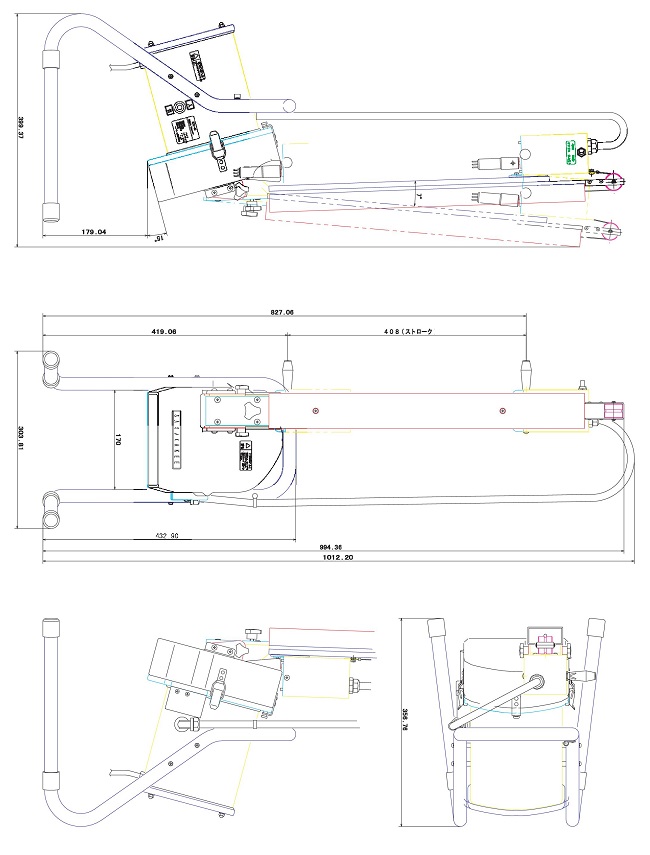
ササガキ機/品番 M2522OC-45H 【詳細表示】
商品番号 M2522OC-45H 価 格
卓上小型ゴボウの自動ササガキ機。
面倒なゴボウのササガキ作りが簡単に。
斜め切りもO.K。角度・厚さ調節付き。
ササガキ機
品番 M2522OC-45H
■使い方
①ゴボウの皮を剥きます。
②皮を剥いたゴボウを約35cm程度に切ります。
③ゴボウをゴボウホルダーにセットして機械のスイッチを入れます。
④ゴボウホルダーから手を離せば、ゴボウも回転させながらササガキ切りを行います。
※ゴボウホルダーの回転を止めてゴボウの斜め切りも可能です。ホルダー部にある切替スイッチで、ササガキ切り・斜め切りの切替えが出来ます。

■仕様
品番 M2522OC-45H
機械寸法 幅39.9cm × 奥行40.5cm × 高さ101.2cm
機械重量 12.5kg
切栽厚さ 0.3~3mm
処理能力 2本/分
モーター 単相100V 75/65W
サーマルプロテクター付※
※モーター温度120度で自動ストップ、温度が下がると自動作動します。


■この製品のQ&A








■製品詳細図・図面




運賃、および消費税は、記載価格には、含まれていません。

[トップページに戻る] [注文書] [見積り依頼] TEL 0729-64-8663 FAX 0729-61-4874

営業時間 AM9:00~PM7:00 営業日 月曜日~金曜日 定休日 土曜日 日曜日 祝日