サイクロンセパレート微小異物排出

ドラムポンプ/ケミカルポンプ

業務機器&資材 シロ産業 HOME
新製品情報 在庫処分情報 会社概要
見積依頼 ご注文フォーム お問い合わせ
業務用機材商社一筋で、創業41年。東大阪市商工会議所会員、2005年度IT百選企業。
国公立大学、研究所、自衛隊、警察庁 など主な国公立機関に納入実績多数。医療機器販売業免許取得済

包装資材 包装機械 物流機器 測定機器 洗剤 ケミカル 蛍光灯 季節品-夏 季節品-冬 弱電工具 ホイスト 環境機器 掃除機 ムーブテック 切削工具 機械工具調理厨房機器 研究室用品 安全防犯防災品 エクステリア 新商品 在庫処分


カテゴリー第二分類(物流機器)
物流機器カテゴリー一覧を見る
作業台軽量作業台中量作業台重量作業台昇降式作業台台車ストッパ付台車樹脂台車アルミ台車レベラ台車長尺台車/長物台車静音台車ワゴンステンレスワゴンピッキングカーコンテナ台車ショッピングカート二段台車三段台車手動リフター手動油圧リフターステンレスリフター電動リフター電動フォークリフト油圧ハンドリフターエアーリフト油圧リフター油圧ジャッキ電動テーブルリフト作業イス(オフィスチェア)クリーンルーム用チェア導電作業椅子鉄板台車コゾウリフターハンドパレット台車リフトステンレス台車ステンレス台車リフトパレット台車ステンレス作業台プレス製台車電動台車エンジンクローラー運搬車マルチキャリー一斗缶ペール缶ドラム缶反転リフト一斗缶ペール缶ドラム缶給油コックドラム缶残量ゲージ・液面計パレットプラスチックパレット再生エコパレット樹脂パレットアルミパレット輸出パレット平台車二輪車リヤカーアルミリヤカーボンベスタンドドラム缶運搬車ドラム缶ヒーターボンベドラム缶運搬車アルミ運搬車電動階段運搬車ホワイトラスティーボックスパレットコンテナ折畳式コンテナアルミコンテナ防水コンテナマワールターンテーブルベルト荷締機高所作業用品タンクステンレスタンク雨水タンクFRPタンク耐熱タンク貯水タンクドラム缶キャスターゴミ箱分別ゴミ箱集塵機安全用品ライン引きラインテープコンベアステンレス機器保管庫作業マット傘立てテント・シート・網・カーテンエアー搬送機器ドラムポンプ/ケミカルポンプ農業関連物流機器保冷庫/保温庫その他の物流機器中古物流機器

関連商品一覧

サイクロンセパレート微小異物排出/品番 M1264RC-50NT 【詳細表示】
商品番号 M1264RC-50NT 価 格
サイクロンセパレート微小異物排出M1264RC-50NT スラッジを含む水溶性クーラント液の固液分離に。 サイクロンセパレート微小異物排出
品番 M1264RC-50NT
価格は下記をご覧ください。
■特長
●ダーティ液より固液分離し、クリーン液を生成。
●スラッジ除去率は90%以上。(粒子径20μm以上の場合;メーカー試験結果)
●本体の分解が可能でメンテナンスが容易。
●フィルタエレメントのような消耗部品がないので、ランニングコストの低減が図れます。
●固液分離したスラッジを外部に排出。
●磁性体(鋳物)、非磁性体(アルミ・砥粒)ろ過可能。
●接液部に特殊ゴムを採用し、耐久性・耐摩耗性を向上。
●流入圧力0.1MPa以上でろ過可能

■各部名称


■使用例


■用途
工業設備用ポンプ、プラント組込用ポンプ

■タイプ
M1264RC-50/100タイプ M1264RC-150T

■仕様
品番 M1264RC-50NT
M1264RC-50SNT
M1264RC-100NT
M1264RC-100SNT
M1264RC-104T
M1264RC-150T
流入圧力
(MPa)
0.3 0.2 0.1 0.3 0.2 0.1 0.3 0.2 0.1
流入量
(L/min)
75 60 45 140 120 90 210 180 130
処理量
(L/min)
65 50 35 120 100 70 175 150 105
取扱液 液質 水・水溶性クーラント液
(塩素や硫黄を含まない)
スラッジ比重 2.7以上※1
液温 0~50℃
設置場所 室内
構造 全円周うず巻き入口式
材質 NBR(セパレータ)
※1:比重が2.7以上のスラッジでも浮遊するスラッジは除去不能
※2:粒子径が10μm以下のスラッジは除去にはあまり適しません。
※3:M1264RC-50SNT/100SNTは、スラッジ貯留タンク部は設けていません。
※4:M1264RC-150Tのみ標準でスラッジ貯留タンクが付いています。



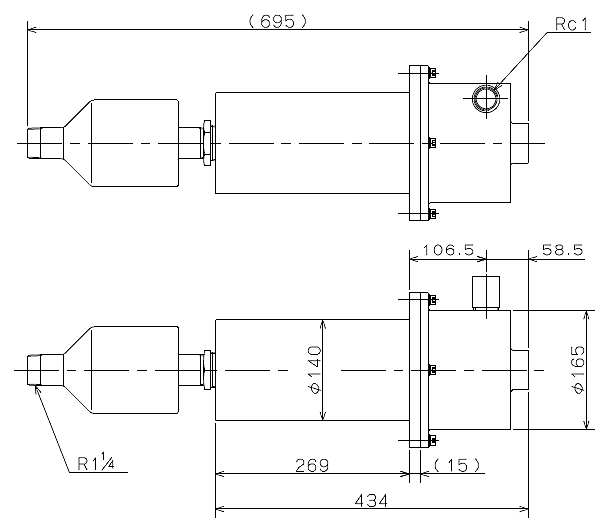
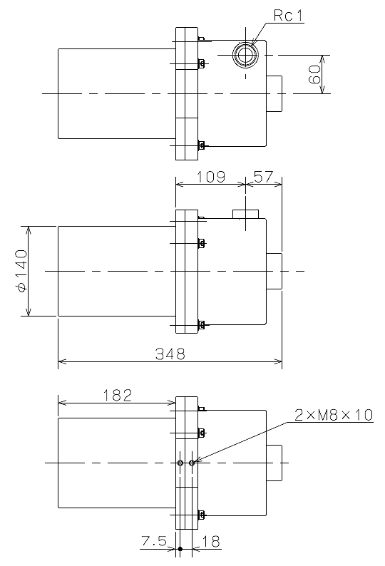
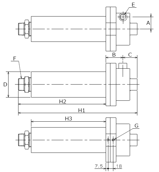
■寸法図

品番 寸法
A B C D E F G H1 H2 H3
M1264RC-50NT 41.5 59 49 89 Rc1/2 Rc1・1/4 2×M8×13 560 452 408
M1264RC-50SNT 410 302 258
M1264RC-100NT 60 109 57 φ140 Rc1 Rc1・1/4 2×M8×10 675 509 465
M1264RC-100SNT 493 327 283
M1264RC-104T
M1264RC-150T

運賃、および消費税は、記載価格には、含まれていません。

[トップページに戻る] [注文書] [見積り依頼] TEL 0729-64-8663 FAX 0729-61-4874

営業時間 AM9:00~PM7:00 営業日 月曜日~金曜日 定休日 土曜日 日曜日 祝日