業務用エアーカーテン(単相100V)
エアーカーテン
業務用機材商社一筋で、創業41年。東大阪市商工会議所会員、2005年度IT百選企業。
国公立大学、研究所、自衛隊、警察庁 など主な国公立機関に納入実績多数。医療機器販売業免許取得済
■包装資材 ■包装機械 ■物流機器 ■測定機器 ■洗剤 ■ケミカル ■蛍光灯 ■季節品-夏 ■季節品-冬 ■弱電工具 ■ホイスト ■環境機器 ■掃除機 ■ムーブテック ■切削工具 ■機械工具■調理厨房機器 ■研究室用品 ■安全防犯防災品 ■エクステリア ■新商品 ■在庫処分
調理厨房機器カテゴリー一覧を見る
| 業務用エアーカーテン(単相100V) 品番 M1514A-1209DS |
【詳細表示】 |
| 商品番号 |
M1514A-1209DS |
価 格 |
 |
業務用エアーカーテン(単相100V)
品番 M1514A-1209DS
価格は下記をご覧ください。 |
■特長
●電源スイッチ・壁設置用ブラケット付
●リモコン付き

●風速調整可能
●リミットスイッチを取り付けるだけで、ドアとの連動が可能になります。(リミット:A接点 24V)
■使用例
●冷暖房時の暖気、冷気遮断、ホコリや虫の対策に。
●食料品店、スーパーマーケット、レストランなどのドア開閉時の暖気・冷気の流出を防ぎます。
●吹き抜けなどの空間遮断にも効果的で、お客様の出入りしやすい、開放的なイメージのお店づくりに貢献します。

■エアーカーテンの効果
●冷暖気を遮断 ⇒ 冷暖房の効率アップ
●ホコリを遮断 ⇒ 衛生環境の維持に
●虫の侵入を防止⇒ 扉との上手な利用で防止率アップ
●煙、ニオイを遮断 ⇒ 分煙のためのカーテンに
●サキューレーション効果、結露防止
●コンクリート壁に設置する場合

■仕様
| 品番 |
M1514A-1209DS |
M1514A-1210DS |
M1514A-1212DS |
M1514A-1215DS |
寸法(mm)
(W×H×D) |
900×215×210 |
1000×215×210 |
1200×215×210 |
1500×215×210 |
| 電源 |
単相100V 50/60Hz |
平均風速
(m/s) |
50Hz |
12.0 |
12.0 |
12.1 |
12.0 |
| 60Hz |
12.6 |
12.5 |
12.6 |
12.3 |
最大風速
(m/s) |
50Hz |
14.0 |
14.0 |
14.0 |
13.8 |
| 60Hz |
14.5 |
14.5 |
14.0 |
14.0 |
消費電力
(W) |
50Hz |
240 |
242 |
290 |
298W |
| 60Hz |
259 |
261 |
315 |
317 |
風量
(m3/h) |
50Hz |
1670 |
1800 |
2630 |
3140 |
| 60Hz |
1690 |
1850 |
2660 |
3240 |
| 騒音(dB) |
59 dB |
59 dB |
61 dB |
61 dB |
| 質量 |
9.2 kg |
9.7 kg |
12.8 kg |
15.5 kg |
| ブラケット高さ |
105 mm |
| モーター |
単軸モーター1個 |
両軸モーター1個 |
| アルミファン |
745mm×1本 |
845mm×1本 |
489mm×2本 |
646mm×2本 |
| コード長さ |
1.5 m |
2.0 m |
| 遮断距離 |
2.2~2.7 m |
寸法(mm)
(W×H×D) |
 |
 |
 |
 |
■オプション
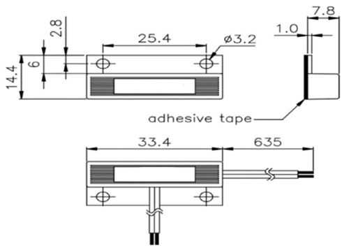
【エアーカーテン用ドア連動リミットスイッチ M1514A-12MS】
 
●ドア連動用リミットスイッチ設置方法(エアーカーテン1台の場合)

●寸法図

●仕様
| 品番 |
M1514A-12MS |
| 材質 |
樹脂 |
| 色 |
白 |
| 配線接続 |
リード線接続式 |
| 接触抵抗(mΩ) |
150以下 |
| 質量(g) |
約16 |
| 設置方法 |
露出設置 |
| 設置場所 |
屋内:ドアの内側 |
| 開閉寿命(回) |
100万 |
| 動作 |
接点/無電圧接点(b接点) |
| マグネット近接時:閉 |
| マグネット離隔時:開 |
| 接点容量 |
AC/DC30V 0.1A(抵抗負荷) |
| 操作距離(mm) |
20以下(マグネット~スイッチの間) |
|
運賃、および消費税は、記載価格には、含まれていません。
[トップページに戻る] [注文書] [見積り依頼] TEL 0729-64-8663 FAX 0729-61-4874
営業時間 AM9:00~PM7:00 営業日 月曜日~金曜日 定休日 土曜日 日曜日 祝日