足踏み式昇降角コラムリフトユニット

その他の物流機器

業務機器&資材 シロ産業 HOME
新製品情報 在庫処分情報 会社概要
見積依頼 ご注文フォーム お問い合わせ
業務用機材商社一筋で、創業41年。東大阪市商工会議所会員、2005年度IT百選企業。
国公立大学、研究所、自衛隊、警察庁 など主な国公立機関に納入実績多数。医療機器販売業免許取得済

包装資材 包装機械 物流機器 測定機器 洗剤 ケミカル 蛍光灯 季節品-夏 季節品-冬 弱電工具 ホイスト 環境機器 掃除機 ムーブテック 切削工具 機械工具調理厨房機器 研究室用品 安全防犯防災品 エクステリア 新商品 在庫処分


カテゴリー第二分類(物流機器)
物流機器カテゴリー一覧を見る
作業台軽量作業台中量作業台重量作業台昇降式作業台ステンレス作業台台車軽量台車樹脂台車レベラー台車ストッパー付台車静音台車折りたたみ台車プレス製台車網カゴ台車長尺台車/長物台車鉄板台車二段台車三段台車一輪車二輪車アルミ製二輪/三輪運搬車ガスボンベ運搬車ドラム缶運搬車ステンレス台車アルミ台車パレット台車コンテナ台車電動台車牽引車平台車アルミ製運搬車エンジンクローラー運搬車マルチキャリー電動階段運搬車リヤカーアルミリヤカーピッキングカー手動リフターエアーリフト電動フォークリフト電動リフター電動テーブルリフト手動テーブルリフト手動油圧リフター油圧リフター油圧ハンドリフターコゾウリフターハンドパレット台車リフトステンレスリフターステンレス台車リフトエアコン室外機リフター集塵機一斗缶ペール缶ドラム缶反転リフトボンベスタンド一斗缶・ペール缶スタンドドラム缶ヒーター一斗缶ペール缶ドラム缶給油コックドラム缶液面計・残量ゲージ攪拌混合機ワゴンステンレスワゴンショッピングカートショッピングバスケットホワイトラスティースリムカートステンレス棚パレットプラスチックパレット再生エコパレット樹脂パレットアルミパレット輸出用パレットネスティングパレットラックボックスパレットパレットカバータンクポリエチレン製タンクステンレスタンク雨水タンクFRPタンク耐熱タンク貯水タンクドラム缶ドラムポンプ/ケミカルポンプコンテナ防水コンテナアルミコンテナ樹脂コンテナ折り畳み式コンテナマワールターンテーブルベルト荷締機高所作業用品脚立・はしご・踏み台安全用品作業用イス(オフィスチェア)クリーンルーム用チェア導電作業椅子・導電チェアライン引きラインテープキャスターゴミ箱分別ゴミ箱ステンレスゴミ箱防犯対策用窓付ゴミ箱傘立てコンベアステンレス機器テント/シート/網/カーテン油圧ジャッキエアー搬送機器保管庫ステンレス保管庫PCB廃棄物保管庫保冷庫/保温庫作業マット/フロアマット農業関連物流機器その他の物流機器中古物流機器

関連商品一覧

足踏み式昇降角コラムリフトユニット/品番 M291115-02-20HR 【詳細表示】
商品番号 M291115-02-20HR 価 格
足踏み式昇降角コラムリフトユニット
品番 M291115-02-20HR
価格は下記をご覧下さい
当商品は特に医療分野における医療用機器ならびに産業分野における組立治具、作業台、展示台などの昇降作業に最適です。
装置の昇降又は高さ調整用のベースユニットとして使用されます。
フットペダルを操作すると、リニアアクチュエータに組み込まれたピストンポンプからシリンダーに作動油が流れ、上面プレートが上昇します。
下降するときは、ワークの自重によりシリンダーから作動油が押し出されます。また当商品は、ワークの自重に関係なく一定の速度で下降します。
用途により、最大荷重が異なる3つのタイプから選択できます。またペダルの操作1回当りの上昇距離は、タイプごとに異なります。


■特長
●シンプル且つ直感的な操作
●作業しやすい高さに調整
●産業用の堅牢な構造
●製造加工や組立作業における品質の向上
●短期間で投資回収が可能
●組立作業の処理能力と効率を向上
●静的負荷に対する高い安全性

■操作
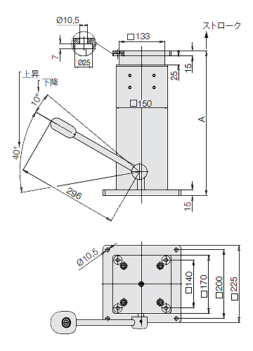
上昇させるためには、フット・ペダルを約40°多数回踏み込みます。フットペダルは、スプリングにより元の位置に戻ります。
下降させるには、フット・ペダルを約10°上方に動かしてください。

■取り付けと設置方法
他のモジュールやユーザーのワークを取り付けるため、上面プレートにはピッチ140×140の穴(M10用×4)があります。
また底面を他のモジュールに固定する為には、底面プレートにあるピッチ200×200の穴(M10用×4)を使用し、さらにこの底面プレートは当商品を床面に固定するときにも使用します。平らな床面に固定するときは、強度クラス10.9のボルト4本と相応の強度を持ったプラグで固定してください。
また、姿勢をより安定させる為に、底面プレートに取り付ける幅広のベースプレートがアクセサリーとして用意されています


■用途
効率的な組立工程を構築する為に役立ちます。
●組立作業
●作業台の高さ調整
●保守点検
●組み付け治具
●搬送ラインの高さ調整
●製品の梱包及び搬送作業


■寸法図


品番 ストロークA A+ストローク 質量
M291115-0*-20HR 200mm 420mm+620mm 15kg
M291115-0*-30HR 300mm 520mm+820mm 20kg
M291115-0*-40HR 400mm 620mm+1020mm 25kg
M291115-0*-50HR 500mm 720mm+1220mm 30kg
M291115-0*-60HR 600mm 820mm+1420mm 35kg


■仕様
品番 均等荷重
(kg)
テーブル寸法
幅×長さ(mm)
テーブル高さ
(mm)
足踏み回数 早送り装置
M291115-02-20HR 200 170×170 420 5回で
100mm上昇
なし
M291115-02-30HR 170×170 520 なし
M291115-02-40HR 170×170 620 なし
M291115-02-50HR 170×170 720 なし
M291115-02-60HR 170×170 820 なし
M291115-04-20HR 400 170×170 420 7回で
100mm上昇
なし
M291115-04-30HR 170×170 520 なし
M291115-04-40HR 170×170 620 なし
M291115-04-50HR 170×170 720 なし
M291115-04-60HR 170×170 820 なし
M291115-06-20HR 600 170×170 420 9回で
100mm上昇
なし
M291115-06-30HR 170×170 520 なし
M291115-06-40HR 170×170 620 なし
M291115-06-50HR 170×170 720 なし
M291115-06-60HR 170×170 820 なし



■最大荷重及び最大許容モーメント
偏荷重がかかる場合には、それらの荷重を打ち消すカウンターウェイトを取り付けてください。
静止状態では上記の最大モーメントが許容されます。
ただし、作業者が及ぼす力やモーメントも考慮してください。当商品の動作中は、最大値の50%が許容値となります。


最大荷重 Fz 最大許容モーメント
合計モーメント Mx/y Mz
2000N
4000N
6000N
500N 30Nm

運賃、および消費税は、記載価格には、含まれていません。

[トップページに戻る] [注文書] [見積り依頼] TEL 0729-64-8663 FAX 0729-61-4874

営業時間 AM9:00~PM7:00 営業日 月曜日~金曜日 定休日 土曜日 日曜日 祝日