電動アシスト油圧リフター台車

油圧ハンドリフター

業務機器&資材 シロ産業 HOME
新製品情報 在庫処分情報 会社概要
見積依頼 ご注文フォーム お問い合わせ
業務用機材商社一筋で、創業41年。東大阪市商工会議所会員、2005年度IT百選企業。
国公立大学、研究所、自衛隊、警察庁 など主な国公立機関に納入実績多数。医療機器販売業免許取得済

包装資材 包装機械 物流機器 測定機器 洗剤 ケミカル 蛍光灯 季節品-夏 季節品-冬 弱電工具 ホイスト 環境機器 掃除機 ムーブテック 切削工具 機械工具調理厨房機器 研究室用品 安全防犯防災品 エクステリア 新商品 在庫処分


カテゴリー第二分類(物流機器)
物流機器カテゴリー一覧を見る
作業台軽量作業台中量作業台重量作業台昇降式作業台ステンレス作業台台車軽量台車樹脂台車レベラー台車ストッパー付台車静音台車折りたたみ台車プレス製台車網カゴ台車長尺台車/長物台車鉄板台車二段台車三段台車一輪車二輪車アルミ製二輪/三輪運搬車ガスボンベ運搬車ドラム缶運搬車ステンレス台車アルミ台車パレット台車コンテナ台車電動台車牽引車平台車アルミ製運搬車エンジンクローラー運搬車マルチキャリー電動階段運搬車リヤカーアルミリヤカーピッキングカー手動リフターエアーリフト電動フォークリフト電動リフター電動テーブルリフト手動テーブルリフト手動油圧リフター油圧リフター油圧ハンドリフターコゾウリフターハンドパレット台車リフトステンレスリフターステンレス台車リフトエアコン室外機リフター集塵機一斗缶ペール缶ドラム缶反転リフトボンベスタンド一斗缶・ペール缶スタンドドラム缶ヒーター一斗缶ペール缶ドラム缶給油コックドラム缶液面計・残量ゲージ攪拌混合機ワゴンステンレスワゴンショッピングカートショッピングバスケットホワイトラスティースリムカートステンレス棚パレットプラスチックパレット再生エコパレット樹脂パレットアルミパレット輸出用パレットネスティングパレットラックボックスパレットパレットカバータンクポリエチレン製タンクステンレスタンク雨水タンクFRPタンク耐熱タンク貯水タンクドラム缶ドラムポンプ/ケミカルポンプコンテナ防水コンテナアルミコンテナ樹脂コンテナ折り畳み式コンテナマワールターンテーブルベルト荷締機高所作業用品脚立・はしご・踏み台安全用品作業用イス(オフィスチェア)クリーンルーム用チェア導電作業椅子・導電チェアライン引きラインテープキャスターゴミ箱分別ゴミ箱ステンレスゴミ箱防犯対策用窓付ゴミ箱傘立てコンベアステンレス機器テント/シート/網/カーテン油圧ジャッキエアー搬送機器保管庫ステンレス保管庫PCB廃棄物保管庫保冷庫/保温庫作業マット/フロアマット農業関連物流機器その他の物流機器中古物流機器

関連商品一覧

電動アシスト油圧リフター台車 品番 M37TAS250-8W 【詳細表示】
商品番号 M37TAS250-8W 価 格
電動アシスト油圧リフター台車M37TAS250-8W 運搬作業をより軽く。
独自開発のセンシング技術で日常の運搬作業をアシスト

女性・高齢者の活躍を期待する、物流現場をより快適に。

日本語・英語・中国語※1に対応した音声ガイドなど、使い手を選びません。

※1:購入後の言語変更はできません。
電動アシスト油圧リフター台車
品番 M37TAS250-8W
廃番
■特長
アシスト機能を搭載した油圧式昇降台車(リフトテーブル)です。
重量物を運搬する際、特に女性や高齢者の方にとっては大きな負荷がかかっていましたが、アシスト技術を利用することで作業負荷を低減し、小さな力で搬送作業ができます。
また特別な操作を必要とせず、普段と同様の「押す・引く」動作で機能します。



■安全性の高いホールド・トゥ・ラン制御
ハンドルを握っている時だけアシスト機能が作動。手を離せば自動ブレーキがかかります。



■小型・高効率モーター採用
省エネでありながらパワフル



■シンプルで機能的な操作パネル
音声ガイド付き



■繰り返し充電に強い、リチウムイオンバッテリーを採用



■予備バッテリーと別置き充電器で充電時間ロスを低減
(※ 予備バッテリーパックは別売りです)



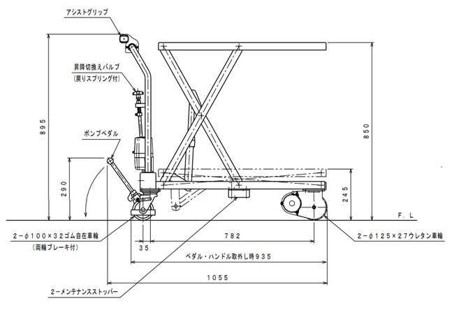
■寸法図
M37TAS250-8W


M37TAS250-8SW




■仕様

品番 M37TAS250-8W M37TAS250-8SW
最大積載質量(kg) 250
最低位(mm) A 245
最高位(mm) B 850
テーブル寸法(mm) C×D 800×500
全長(mm) E 1,055
全幅(mm) F 500
全高(mm) G 895
ステアリングホイール
φ×幅(mm)
ゴム 100×32
ドライブホイール
φ×幅(mm)
ウレタン 125×27
バッテリー
(リチウムイオン)
14.4V-2.5Ah
ポンプペダル回数(回) 24 24 (12)
車体重量(kg) 59 59
※充電器はアダプター型自動充電方式(AC100V)
※ペダル回数の( )内の数値は無負荷時早揚り回数です。


運賃、および消費税は、記載価格には、含まれていません。

[トップページに戻る] [注文書] [見積り依頼] TEL 0729-64-8663 FAX 0729-61-4874

営業時間 AM9:00~PM7:00 営業日 月曜日~金曜日 定休日 土曜日 日曜日 祝日