防爆地域用エア式ドラムポンプ(溶剤・薬品用)

ドラムポンプ/ケミカルポンプ

業務機器&資材 シロ産業 HOME
新製品情報 在庫処分情報 会社概要
見積依頼 ご注文フォーム お問い合わせ
業務用機材商社一筋で、創業41年。東大阪市商工会議所会員、2005年度IT百選企業。
国公立大学、研究所、自衛隊、警察庁 など主な国公立機関に納入実績多数。医療機器販売業免許取得済

包装資材 包装機械 物流機器 測定機器 洗剤 ケミカル 蛍光灯 季節品-夏 季節品-冬 弱電工具 ホイスト 環境機器 掃除機 ムーブテック 切削工具 機械工具調理厨房機器 研究室用品 安全防犯防災品 エクステリア 新商品 在庫処分


カテゴリー第二分類(物流機器)
物流機器カテゴリー一覧を見る
作業台軽量作業台中量作業台重量作業台昇降式作業台台車ストッパ付台車樹脂台車アルミ台車レベラ台車長尺台車/長物台車静音台車ワゴンステンレスワゴンピッキングカーコンテナ台車ショッピングカート二段台車三段台車手動リフター手動油圧リフターステンレスリフター電動リフター電動フォークリフト油圧ハンドリフターエアーリフト油圧リフター油圧ジャッキ電動テーブルリフト作業イス(オフィスチェア)クリーンルーム用チェア導電作業椅子鉄板台車コゾウリフターハンドパレット台車リフトステンレス台車ステンレス台車リフトパレット台車ステンレス作業台プレス製台車電動台車エンジンクローラー運搬車マルチキャリー一斗缶ペール缶ドラム缶反転リフト一斗缶ペール缶ドラム缶給油コックドラム缶残量ゲージ・液面計パレットプラスチックパレット再生エコパレット樹脂パレットアルミパレット輸出パレット平台車二輪車リヤカーアルミリヤカーボンベスタンドドラム缶運搬車ドラム缶ヒーターボンベドラム缶運搬車アルミ運搬車電動階段運搬車ホワイトラスティーボックスパレットコンテナ折畳式コンテナアルミコンテナ防水コンテナマワールターンテーブルベルト荷締機高所作業用品タンクステンレスタンク雨水タンクFRPタンク耐熱タンク貯水タンクドラム缶キャスターゴミ箱分別ゴミ箱集塵機安全用品ライン引きラインテープコンベアステンレス機器保管庫作業マット傘立てテント・シート・網・カーテンエアー搬送機器ドラムポンプ/ケミカルポンプ農業関連物流機器保冷庫/保温庫その他の物流機器中古物流機器

関連商品一覧

防爆地域用エア式ドラムポンプ(溶剤・薬品用)/品番 M58ADP-31ASA 【詳細表示】
商品番号 M58ADP-31ASA 価 格
防爆地域用エア式ドラムポンプ(溶剤・薬品用)M58ADP-31ASA 圧縮エアで内圧を利用し移送するポンプ
電気を使用しない防爆タイプ
二重安全構造で安心
高粘度の液体に対応
故障が少ない
液体を無駄なく吐出
チッ素ボンベからでも使用可能
吐出方法も選択可能
防爆地域用エア式ドラムポンプ(溶剤・薬品用)
品番 M58ADP-31ASA
価格は下記をご覧下さい
■特長
●圧縮エアで内圧を利用し移送するポンプ
切削液、廃液、溶剤等のドラム缶からの移送へ最適

●電気を使用しない防爆タイプ
エア圧を利用して液体を吐出・吸入するポンプです。
電気を一切使用しないため防爆地域でも安心して利用して下さい。
さらにAS・SUSタイプにはアース線が標準装備で静電気対策も万全です。
アース線は接地している場所に取り付けてください。

●二重安全構造で安心
ドラム缶を加圧・減圧するので安全面にも十分配慮しています。
自動減圧弁(レギュレーター)はドラム缶内の圧力を一定に保つとともに、一定の圧力(0.05Mpa)以上になるのを防止します。
安全弁は万が一圧力が上昇しても0.07Mpa以上になると圧縮空気をドラム缶の外へ逃がすように設計しておりますのでドラム缶が破裂する事はありませんのでご安心下さい。

●高粘度の液体に対応
従来のドラムポンプで対応するのが難しかった高粘度(3,000cPまで)の液体でも使用可能です。もちろん低粘度の液体もパワフル吐出。

●故障が少ない
モーター類を使用せず、流路に障害物がない為、異物の混入した液体や粘度(3,000cPまで)のある液体にも対応ができ、支障がありません

●液体を無駄なく吐出
吐出用のポンプはエアの圧力により液体を吐出するためドラム缶内の液体が他の電動・手動ポンプに比べて無駄なく吐出できます。
缶内に残るのは深さ約5mm程度です。(1~2L程度・テスト値)

●チッ素ボンベからでも使用可能
コンプレッサー電源がなくても、使用出来ます。非常時でもOK

●吐出方法も選択可能
流路を妨げないボールバルブタイプと、片手で操作可能な手動ガンノズルタイプ(型式末尾にNAがつくタイプ)がございます。
流量を確保したいならボールバルブタイプ、便利さを追求するなら手動ガンノズルタイプをおススメ致します。


■圧力計
ドラム缶内の圧力が一目で判ります。
※流量計ではありません。


■エア抜きバルブ
ドラム缶ないのエアを抜く時に使用。


■マグネット付きアース線
静電気対策もバッチリ


■吸入口バネ(伸縮機構型サクションパイプ)
液体を無駄なく吐出
吸入パイプ先端がバネにより伸縮し、缶の底にぴったりあうため、ドラム缶内の残液は0.5Lとほとんどア残りません。


■安全弁
二重安全弁構造で安心
ドラム缶内に必要以上の圧がかからないようにするための弁です。


■BCアダプター


■SUSアダプター


■ホース
 



■供給可能部品
●ホース ●吸入パイプ一式 ●ボールバルブ ●ノズル ●アダプタ 
●ホースバンド ●アース線(AS・SUS)

※ドラム缶変形防止策について
レギュレーターにて設定圧力はを0.05Mpaに設定してますが、ドラム缶の変形が起きる場合は0.02Mpa~0.025Mpaへ下げてご使用ください。
液体のよっては吐出量が減少する場合がございます。
またレギュレータの設定時には圧力を減少側確実にへまわしてください。

■吐出しの仕組み
0.1~1MPaの圧縮エアを注入
レギュレーターで0.05MPaに減圧
減圧されたエアがタンク内に流入
タンク内が加圧され液面を押し下げる
押された液体が吸入パイプ内へ
吐出ホースを通過しガンノズルより吐出

■エアプレッシャーポンプとは?
ドラム缶に減圧した圧縮エアを挿入し、ドラム缶の内圧を変化させることにより液体を吐出(APD)するポンプです。
流路に障害物がないため、異物の混入した液体や粘度(3,000cPまで)のある液体にも対応でき故障がありません。
またエア式ですので引火・爆発の恐れのある液体や環境でも使用できます。
※流量計・ガンノズル付きは異物混入不可


■密閉保管も可能
●液体の揮発によるロスも最小限に
●ドラム缶に入った様々な液体に対応
●潤滑油・エンジンオイルから燃料、洗浄液、有機溶剤までカバー


■省エネ・静音
●密閉したドラムエアを注入し、吐出するので無駄なエアを消費しません。音もたいへん静かです。

■タイプ
M58ADP-31ASA M58ADP-31SUSA M58ADP-31ASATNA


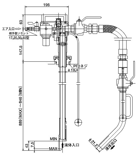
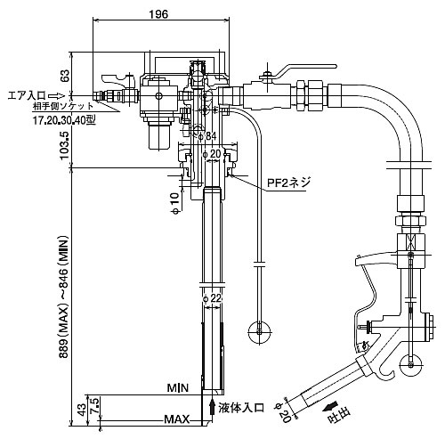
■寸法図
M58ADP-31ASA
M58ADP-31ASNA
M58ADP-31SUSA
M58ADP-31SUSNA
※型式末尾にNAがつくと【手動ガンノズル付】が付きます。

■ポンプユニット
  

■仕様
品番 ノズルタイプ 使用可能液体 使用可能粘度
(cP)
吐出量
(L/min)
M58ADP-31ASA ボールバルブ 溶剤 3,000以下 35 (1cP時)
M58ADP-36ASA ボールバルブ 115 (1cP時)
M58ADP-31ASNA 手動ガン 30 (1cP時)
M58ADP-36ASNA 手動ガン 70 (1cP時)
M58ADP-31SUSA ボールバルブ 溶剤・酸・アルカリ 40 (1cP時)
M58ADP-31SUSNA 手動ガン 溶剤・酸・アルカリ 35 (1cP時)
M58ADP-31ASATNA オートストップガン 溶剤・薬品用 30 (1cP時)
M58ADP-36ASATNA オートストップガン 溶剤・薬品用 70 (1cP時)

品番 揚程 材質 重量
(kg)
本体 パッキン アダプタ ホース
(長さ・内径)
M58ADP-31ASA 最大2m
(清水)
アルミ テフロン・フッ素(EPT) CAC406
(銅)
SUS304(2m・φ20) 5.3
M58ADP-36ASA SUS304(2m・φ25) 7.5
M58ADP-31ASNA SUS304(2m・φ20) 4.9
M58ADP-36ASNA SUS304(2m・φ25) 5.7
M58ADP-31SUSA SUS304 テフロン・バーフロ SUS303 SUS304(2m・φ20) 7.8
M58ADP-31SUSNA SUS304(2m・φ20) 7.6
M58ADP-31ASATNA アルミ テフロン・フッ素(EPT) CAC406
(銅)
SUS304(2m・φ20) 4.9
M58ADP-36ASATNA SUS304(2m・φ25) 5.7



運賃、および消費税は、記載価格には、含まれていません。

[トップページに戻る] [注文書] [見積り依頼] TEL 0729-64-8663 FAX 0729-61-4874

営業時間 AM9:00~PM7:00 営業日 月曜日~金曜日 定休日 土曜日 日曜日 祝日