|
|
■包装資材
■包装機械
■物流機器
■測定機器 ■洗剤■ケミカル
■蛍光灯
■季節商品(夏)
■季節商品(冬)
■弱電工具
■ホイスト
■環境機器
■掃除機
■ムーブテック
■切削工具
■機械工具■調理厨房機器
■研究室用品
■安全防犯防災用品
■エクステリア
■新商品情報
■在庫処分情報
| 電動横型試験スタンド/品番 M123S-50XBL/M123S-50XBH | 【詳細表示】 | |||||||||||||||||||||||||||||||||||||||||||||||||||||||||||||
| 商品番号 | M123S-50XBL/M123S-50XBH | 価 格 | ||||||||||||||||||||||||||||||||||||||||||||||||||||||||||||
![]() |
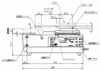
送り速度と移動距離のデジタル表示が可能なフォースゲージ対応の電動横型試験スタンド | 電動横型試験スタンド 品番 M123S-50XBH 廃番 |
||||||||||||||||||||||||||||||||||||||||||||||||||||||||||||
| ■特長 ●目的、用途に応じて寸動動作や往復繰り返し動作などフォースゲージの動きを自由に選択 ●移動距離を記録できるアナログ出力付(移動距離を小数第2位まで表示する測長計付もシリーズ化) ●送り速度の無段階調整が可能 ●10点の位置・停止時間をプログラム設定することが可能 ●コンパレータ出力による停止が可能(FGXシリーズ取付時) ●非常停止スイッチ付 ■寸法図 ![]() ![]() ![]() ![]() ■仕様
|
||||||||||||||||||||||||||||||||||||||||||||||||||||||||||||||

[トップページに戻る][注文書] [見積り依頼] TEL0729-64-8663 FAX 0729-61-4874
営業時間 AM9:00~PM7:00 営業日 月曜日~金曜日 定休日 土曜日 日曜日 祝日