■特長 ●非接触温度測定をローコストに実現
●優れた耐環境性:耐熱最高90℃(空冷ジャケット使用時)
●小形・堅牢(φ18mm×長さ135mm)
●高速応答:50ms
●エアパージ付レーザマーカオプション
●エアパージ機能付空冷ジャケット
●2線式4-20mA出力

 
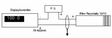
■接続図 出力電流は4-20mAのリニア出力です。
1mもしくは8mのシールドケーブルで供給されます。

■モジュールの配線図
| ラベル |
機能 |
| 1 |
シリアルインターフェースモジュール Pin1 |
| 2 |
シリアルインターフェースモジュール Pin2 |
| 3 |
シリアルインターフェースモジュール Pin3 |
| 4 |
シリアルインターフェースモジュール Pin4 |
| Loop+ |
出力 + (4-20mA) |
| Loop - |
出力グランド (4-20 mA) |
| グランド線とLOOP-を必ず結線してください。 |
■測定視野範囲図
  
■仕様
| 測定温度範囲/測定波長 |
600〜1600℃/0.9μm 300〜1300℃/1.6μm |
| 測定視野範囲 |
50:1 (φ20mm@1000mm φ6mm@300mm φ3mm@150mm) |
| 応答時間 |
50ms(95%応答) |
| 放射率 |
出荷時0.95(別途オプションにて0.10〜1.00可変) |
| 使用周囲温度 |
-10〜60℃(空冷ジャケット使用時Max90℃) |
| 使用周囲湿度 |
10〜95%RH(結露なきこと) |
| 保護構造 |
IP65(NEMA-4) |
| 材質 |
ステンレス |
| 測定精度 |
±0.5%もしくは±1℃のどちらか大きい方(周囲温度23℃±5℃,放射率1にて) |
| 再現性 |
±0.25%もしくは±0.5℃のどちらか大きい方 |
| 出力 |
2線式4-20mA(負荷抵抗700Ω以下) |
| 電源電圧 |
24VDC |
| 保存温度 |
-30〜70℃/10〜95%RH(結露なきこと) |
| 外形寸法 |
φ18×135mm |
| 質量 |
約100g |
センサヘッド取付ナット、取扱説明書、出力ケーブル1mは付属です。
製品改良のため、仕様の一部を予告なく変更する場合があります。ご了承ください。
| 型 式 |
仕 様 |
価格 |
| M72550-1001 |
測定視野範囲 φ20mm@1000mm |
廃番 |
| M72550-1002 |
測定視野範囲 φ6mm@300mm |
廃番 |
| M72550-1003 |
測定視野範囲 φ3mm@150mm |
廃番 |
| M72550-1601 |
測定視野範囲 φ20mm@1000mm |
廃番 |
| M72550-1602 |
測定視野範囲 φ6mm@300mm |
廃番 |
| M72550-1603 |
測定視野範囲 φ3mm@150mm |
廃番 |
| M725CABLE-8M |
8mシールドケーブル仕様 耐熱200℃(出荷時指定) |
廃番 |
*USB接続の場合は別途USBシリアルケーブルが必要です。
■オプションのソフトウェアとRS232アダプタを使用すれば放射率、スケーリング、応答時間等の設定が可能です。
*ソフトウェアはWindows98,2000,XP互換。
*ボーレートは1200でご使用ください。
■オプション
| M725E290106 |
M725E290115 |
 |
 |
| M725E290109 |

エアパージ機能付空冷ジャケット |
| 品 番 |
品 名 |
価 格 |
| M725B260195 |
IRセットアップソフトウェア |
廃番 |
| M725B530221 |
USBアダプタ |
廃番 |
| M725E290106 |
固定式ブラケット |
廃番 |
| M725E290115 |
エアパージ |
廃番 |
| M725B530220 |
RS232変換アダプタ |
廃番 |
| M725E280440 |
赤色レーザマーカ付エアパージ(周囲温度最大50℃) |
廃番 |
| M725E290109 |
空冷ジャケット |
廃番 |
|