|
|
■包装資材
■包装機械
■物流機器
■測定機器 ■洗剤■ケミカル
■蛍光灯
■季節商品(夏)
■季節商品(冬)
■弱電工具
■ホイスト
■環境機器
■掃除機
■ムーブテック
■切削工具
■機械工具■調理厨房機器
■研究室用品
■安全防犯防災用品
■エクステリア
■新商品情報
■在庫処分情報
耐熱2点レーザマーカ非接触温度センサ/品番 M725Y-58814LS13 【詳細表示】
商品番号 M725Y-58814LS13 価 格
M725Y-58814LS13はワイドな測定温度範囲-40〜1000℃を測定可能。
エアパージを標準装備し、耐薬品性にも優れたステンレスヘッドで現場でのご使用も安心です。
オイルミストなどが原因とされるクラックの心配もありません。
冷却なしで85℃の周囲温度で使用可能です。
周囲温度が50℃を超えるとレーザマーカは保護の為、自動消灯します。耐熱2点レーザマーカ非接触温度センサ
品番 M725Y-58814LS13
廃番
後継機種はこちら→M1241-IR20814T75-C3■特長
●耐熱85℃/センサヘッドケーブル3m
●ワイドな測定温度範囲 -40〜1000℃
●TTS 2点レーザポインタ付で正確照準
●高精度±1℃
●冷却不要で周囲温度85℃で使用可能
●ステンレス製 超小型センサヘッド
●エアパージ標準装備
●外部入力による周囲温度補償が可能
■測定視野範囲図
旧タイプ M725Y-58814LS13
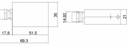
■センサヘッド外形寸法図
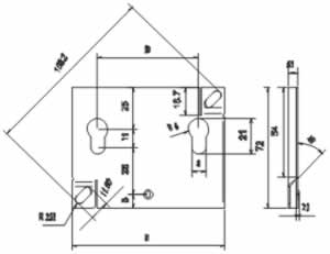
■アンプ取付金具外形寸法図
■アンプは専用金具付で簡単取付
■チルティングパネルなので配線も簡単
■配線
*外形が3〜5mmのシールドケーブルを別途ご用意ください。
記号表示: 各端子説明 +8 ... 36VDC 電源電圧 GND グランド(電源用) GND グランド(入出力用) AMB アナログ出力(ヘッド温度/電圧) OUT-TC アナログ出力(熱電対用) OUT-mV/mA アナログ出力(電流・電圧用) F1-F3 ファンクション入力 PINK - GRAY - BROWN センサヘッド茶色 WHITE センサヘッド白色 GREEN センサヘッド緑色 YELLOW センサヘッド黄色
■仕様
※検出体の大きさが、視野径の1.2倍以上になるような距離でご使用ください。
測定温度範囲 -40〜1000℃ 測定視野範囲 φ40mm/1000mm(測定視野範囲図参照) 測定精度 ±1%もしくは±1℃のどちらか大きい方(周囲温度23℃±5℃,測定温度-20℃以下を除く) 再現性 ±0.5℃もしくは±0.5℃のどちらか大きい方 応答時間 150ms(95%応答) アナログ出力 チャンネル1:4-20mA/0〜20mA/0-5V/0-10V/熱電対J・K出力(測定対象物温度) チャンネル2:0-5V/0-10V(センサヘッド温度) 分解能 0.1℃ 信号処理 ピークホールド/バレーホールド/アベレージング 測定波長 8〜14μm 放射率補正 0.100〜1.100 透過率補正 0.100〜1.100 使用周囲温度 センサヘッド:-20〜85℃(レーザオン時は50℃まで) アンプユニット0〜65℃ 使用周囲湿度 10〜95%RH(結露なきこと) 保護構造 IP65(NEMA-4) 材質 センサヘッド:ステンレス アンプユニット:亜鉛ダイキャスト 電源電圧 8-36VDC 出力インピーダンス 電流(ループ抵抗500Ω以下)電圧(負荷インピーダンス100KΩ以上)熱電対(20Ω) 外形寸法 センサヘッド:51.5×35×21mm アンプユニット:120 mm x 80 mm x 40 mm 質量 センサヘッド:約100g アンプユニット:約450g
※センサヘッド取付金具、アンプ取付金具は付属です。
※出力ケーブルは直径3-5mmのシールドケーブル等を別途ご用意ください。
※製品改良のため、仕様の一部を予告なく変更する場合があります。ご了承ください。
運賃、および消費税は、記載価格には、含まれていません。

[トップページに戻る][注文書] [見積り依頼] TEL0729-64-8663 FAX 0729-61-4874
営業時間 AM9:00〜PM7:00 営業日 月曜日〜金曜日 定休日 土曜日 日曜日 祝日