|
|
■包装資材
■包装機械
■物流機器
■測定機器 ■洗剤■ケミカル
■蛍光灯
■季節商品(夏)
■季節商品(冬)
■弱電工具
■ホイスト
■環境機器
■掃除機
■ムーブテック
■切削工具
■機械工具■調理厨房機器
■研究室用品
■安全防犯防災用品
■エクステリア
■新商品情報
■在庫処分情報
高温放射温度センサー/品番 M8F-30-1200P 【詳細表示】 商品番号 M8F-30-1200P 価 格 ●コンパクトセンサヘッド
●400~1200℃のワイドレンジ
●ファイバ先端部は耐熱150℃
●アナログ出力(スケーリング付)
●放射率ティーチ高温放射温度センサー
品番 M8F-30-1200P
価格 ¥244,000-
■特徴
●ワイドな測定温度範囲
400〜1200℃のワイドレンジで多様な用途に対応。
●出力スケーリング機能
アナログ出力(4-20mA)の温度範囲を自由に設定。記録計等の後処理が簡単。
●簡単放射率補正:ティーチ機能
温度を入力すると、放射率を自動計算・記憶できるTEACH(ティーチ)機能を搭載。設定工数の大幅な削減が可能。
●応答時間50ms
比較的速く移動する測定物も追従が可能。
●耐熱150℃(ファイバ先端部)
ファイバ先端部は、使用周囲温度150℃まで耐熱設計。冷却装置は不要。
●省スペースのガラス系ファイバ型
ファイバ先端部(レンジアタッチメント)はM16のコンパクト設計。折れにくいガラス系ファイバを採用。機械や装置組込に最適。
●選べるファイバ長
現場に合わせてファイバの長さが選択できます。(標準:2m、特注:5m、10mから選択可)
■測定視野範囲図
<標準レンズ>
※出荷時には標準レンズにて構成しています。ファイバのみで使用される場合は、TEACH/εを調整してご使用ください。
※測定エリアは光学応答90%の測定径です。
※測定対象物の大きさは下図の測定径よりも大きいことが必要です。
<レンズ未装着時(ファイバのみ)>
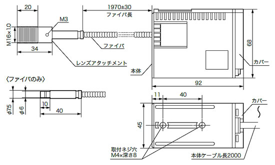
■寸法図
M8F-30-1200P レンズアタッチメント取付金具(付属品) エアパージ(別売りオプション)
■仕様
品番 M8F-30-1200P 測定温度範囲 400~1200℃ 測定エリア φ30 / 1000mm 光学系 ガラス系赤外光ファイバ 検出素子/波長 InGaAs / 1.2~2.6μm 応答時間 50ms / 90% 測定精度(ε≒1.0) 読取値の±2% 再現性 ±1℃ 表示分解能 1℃ アナログ出力 4-20mA 出力分解能 0.1~0.5℃相当(出力幅100~800℃) 放射率(ε)補正 0.10~1.20 機能 簡単放射率補正:TEACH(ティーチ)機能
応答時間選択(DELAY)機能:1(0.05秒)~200(約10秒)
出力スケーリング機能電源/消費電流 DC12~24V±10% / 100mA以下(最大負荷時) 使用周囲温度 0~50℃(本体) / 0~150℃(ファイバ先端部) 使用周囲湿度 35~85%RH(結露なきこと) 保存温度 -10~60℃ 耐振性 10~55Hz、振幅1.5mm、XYZ方向各2時間 保護構造 IP65 ※ 材質 本体 リング・ケース:ガラス入PBT、リア:PSF、カバー:PC ファイバ SUS レンズアタッチメント BS/Niメッキ 質量 約500g 付属品 本体取付金具×1個、取付ネジ(M4)×2本、レンズアタッチメント、
取付ナット(M16)×2個、レンズアタッチメント取付金具
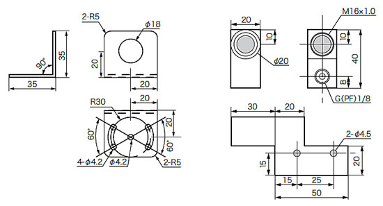
■オプション
●エアパージ
レンズ面に空気を吹き付けることで、粉塵や汚れなどの付着を防ぐことができます。
品番 M8F-AP2P 周囲温度 0~150℃ 空気流量 50~150Nℓ/min. 使用空気温度 0~50℃ 空気圧力 0.5MPa以下(計装用エアに限る) 配管接続口径 G(PE) 1/8 質量 約80g 材質 アルミニウム 価格 ¥Mail-
運賃、および消費税は、記載価格には、含まれていません。

[トップページに戻る][注文書] [見積り依頼] TEL0729-64-8663 FAX 0729-61-4874
営業時間 AM9:00~PM7:00 営業日 月曜日~金曜日 定休日 土曜日 日曜日 祝日