|
|
■包装資材 ■包装機械 ■物流機器 ■測定機器 ■洗剤■ケミカル ■蛍光灯 ■季節商品(夏) ■季節商品(冬)
■弱電工具 ■ホイスト ■環境機器 ■掃除機 ■ムーブテック ■切削工具 ■機械工具■調理厨房機器
■研究室用品 ■安全防犯防災用品 ■エクステリア ■新商品情報 ■在庫処分情報
| 感雨センサー(ヒーター内蔵)/品番 MC8D-20132D | 【詳細表示】 | |||||||||||||||||||||||||||||||||||||||||||||||||||||||||||||||||||||||||||||||||||||||||||||||||||||||||||||||||||||||||||||||
| 商品番号 | MC8D-20132D | 価 格 | ||||||||||||||||||||||||||||||||||||||||||||||||||||||||||||||||||||||||||||||||||||||||||||||||||||||||||||||||||||||||||||||
![]() |
MC8D-20132Dは静電容量原理に基づく感雨計です。アルミナ製の架台において、その雨滴によって湿らされた表面に応じて、受感素子の静電気容量値が変化します。内蔵のヒーターがこの架台の水分を蒸発させて乾燥を保ち、霧や露による誤差信号(誤動作)を防ぎます。低温においては、このヒーターは雪を溶かし、降雪量の検知を可能にする働きも兼ねています。感雨計の外側の円形ドームはセンサの誤動作を防ぐ風よけの働きをします。 | 感雨センサー(ヒーター内蔵) 品番 MC8D-20132D |
||||||||||||||||||||||||||||||||||||||||||||||||||||||||||||||||||||||||||||||||||||||||||||||||||||||||||||||||||||||||||||||
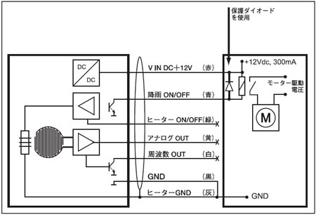
| ■特徴 ●3種類の出力を備えています。 一つは降雨/降雪の有(ON)無(OFF)を検出する“Rain ON/OFF”出力で、この出力は(外部)リレー等を制御するためにも使用されます。二つ目の出力は0~1Vのアナログ出力(校正出力)、三つ目は1.5~6KHzの周波出力(非校正)で、これにより降雨/降雪の有無をアナログ信号の高低のレベルで知ることも出来ます。 ●ON/OFF出力は、“雨上がり”状態を2分遅れで知らせるディレー回路を備えており、これにより“雨上がり”状態が“小雨”の状態から識別されます。電力消費を抑える必要がある時はヒーターを切る事が可能です。ヒーターの切断は0VにヒーターOFFを入力する事によって可能です。 ■用途 ●MC8D-20132Dは単独の感雨計として、あるいはデータロガーシステム(例えば気象ステーション)などに接続して使用できます。下記図において、MC8D-20132DのON/OFF出力はモーターを動作させるリレーに接続されています。降雨の際、OF/OFF出力がリレーを励磁させ、常時開の接点を閉じます(この場合、雨量計は、例えば自動的に窓を閉めるような、制御システムの一部として使用されています)。MC8D-20132Dはまた気象ステーションの校正機器としても使用できます。様々な危機からのアナログ信号を処理するデータロガー(あるいは制御器)にアナログ電圧出力を供給します。 ![]() ■仕様
■取付けおよびメンテナンス ●感雨計は、遮蔽物におおわれて降雨の検出を妨げることのないよう、建物や木立から離して設置して下さい。また、付属のアクセサリーを使用して確実に設置して下さい。ブラケットは直径30~50mmのポールに取り付け可能です。ブラケットの固定穴は十字に配置されており、ポールは水平でも垂直でも取り付けが可能です。接続ケーブルはIP68のコネクタを備えており、このコネクタを感雨計の底部に挿入して接続します。芯線の色および関連機能はテクニカルデータ中に示されています。 良好な耐ノイズ性を確保するため、ケーブルのシールドを接地し、ヒーターと電子回路のアース線を分離する事をお勧めします。感雨計のセンサは蒸留水に浸した綿布などで定期的に掃除をしてください。汚れがひどい場合は薄めの洗剤を使用しても構いません。感雨計のセンサはアルミナ製架台に設置されており、壊れやすい物ですから取り扱いには注意が必要です。 ![]() ■オプション
|
||||||||||||||||||||||||||||||||||||||||||||||||||||||||||||||||||||||||||||||||||||||||||||||||||||||||||||||||||||||||||||||||

[トップページに戻る][注文書] [見積り依頼] TEL0729-64-8663 FAX 0729-61-4874
営業時間 AM9:00~PM7:00 営業日 月曜日~金曜日 定休日 土曜日 日曜日 祝日