ホームページへ

1976年創業 東大阪市商工会議所会員 2005年度IT百選企業。国公立大学、研究所 自衛隊、警察庁 など主な国公立機関に納入実績多数 医療機器販売業免許取得済み

■包装資材 ■包装機械 ■物流機器 ■測定機器 ■洗剤■ケミカル ■蛍光灯 ■季節商品(夏) ■季節商品(冬)
■弱電工具 ■ホイスト ■環境機器 ■掃除機 ■ムーブテック ■切削工具 ■機械工具■調理厨房機器
■研究室用品 ■安全防犯防災用品 ■エクステリア ■新商品情報 ■在庫処分情報


測定 MAIN PAGE
温湿度計-温度計 - 記録温湿度計放射温度計 -重量はかり- 吊はかり- 電気測定器- 厚さ計トルクゲージノギス、マイクロメータ
騒音計PH水質計風速計ガス臭気測定器−ニオイ臭気測定器デジタル距離計金属探知器水分計 -照度計色計枚数計数機器回転計
プッシュプルゲージおんどとりデータロガーシックネスゲージ振動計電磁力計気象計器光学機器ファイバースコープ
電磁波・電位計糖度計酸度計塩分計屈折計濃度計角度計粉塵計-硬度計-圧力計流量計-健康管理-その他計測器測定メインページ

関連商品一覧

簡易型ファイバスコープ品番  OSシリーズ 【詳細表示】
価格
特長

■ファイバ画素数6000画素

従来品の3500画素から6000画素になりました。ファイバ長も、350mm、500mm、1000mmをラインナップ。
簡易型ファイバスコープ
品番 OSシリーズ
廃番
■デジタルビデオ・カメラに接続可能

全機種、デジタルビデオ・カメラに接続可能になりました。(オプションのビデオアダプタVA-□接続時)。画像データの取り込みに最適です。

■強力光源アルミニライト標準装備
暗所でも見やすい、強力なアルミニライト光源を標準装備しました。
別光源は不要です。

■フレキシブルファイバ採用
入り組んだ機器内部でも柔軟に形状が変化する、フレキシブルファイバを採用。

■ファイバ先端部水中使用可能
アタッチメントを付けず水中の状態が確認できます。

■ファイバ先端部絶縁加工
ファイバ先端金具とファイバ部は、10MΩ以上(DC1000V)の絶縁抵抗加工を施しています。


■仕様

型式

OS-100

OS-50

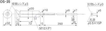
OS-35

ファイバ長

1000mm

500mm

350mm

許容曲げ半径

R=60mm

画素数

6000画素

先端径

φ7.0mm(側視アタッチメント取付時φ8.6mm)

倍率

等倍

焦点距離

10mm〜∞

光源

アルミニライトAL324FB

視野角

60°

電源

単三電池2個(別売)

使用周囲温度

-20〜60℃

防水

常圧

標準付属品

携帯用ケース、予備電球、ストラップ

オプション品

側視アタッチメント:OSV-02、ビデオアダプタ:OSVA-□





別売オプション
ビデオアダプタ
OSVA-□
側視アタッチメント
OSV-02
デジタルビデオ・カメラとの接続用アダプタ。
OSVA-□の□にフィルタ径のサイズが入ります。
直視型のOSシリーズ本体先端に取り付けると、
側視が可能になるアタッチメント。
外径φ8.6mm



■寸法図







運賃、および消費税は、記載価格には、含まれていません。

[注文書] [ホームページに戻る] [osbic][見積り依頼]

[トップページに戻る][注文書] [見積り依頼] TEL0729-64-8663 FAX 0729-61-4874
営業時間 AM9:00〜PM7:00 営業日 月曜日〜金曜日 定休日 土曜日 日曜日 祝日