|
|
■包装資材
■包装機械
■物流機器
■測定機器 ■洗剤■ケミカル
■蛍光灯
■季節商品(夏)
■季節商品(冬)
■弱電工具
■ホイスト
■環境機器
■掃除機
■ムーブテック
■切削工具
■機械工具■調理厨房機器
■研究室用品
■安全防犯防災用品
■エクステリア
■新商品情報
■在庫処分情報
| タッチセンサ/品番 WPCSCS/WPCSCSP |
【詳細表示】 |
|||||||||||||||||||||||||||||||||||||||||||||||||||||||
| 商品番号 | WPCSCS/WPCSCSP |
価 格 |
||||||||||||||||||||||||||||||||||||||||||||||||||||||
![]() |
1本のセンサで3クラス(+NG、OK、-NG)2分類(合否)がシーケンス回路を組まなくて出来る。 |
タッチセンサ 品番 WPCSCS WPCSCSP 価格は下記をご参照下さい。 |
||||||||||||||||||||||||||||||||||||||||||||||||||||||
|
||||||||||||||||||||||||||||||||||||||||||||||||||||||||
■論理図
|
||||||||||||||||||||||||||||||||||||||||||||||||||||||||
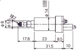
■外形寸法図
|
||||||||||||||||||||||||||||||||||||||||||||||||||||||||
■仕様
|
||||||||||||||||||||||||||||||||||||||||||||||||||||||||

[トップページに戻る][注文書] [見積り依頼] TEL0729-64-8663 FAX 0729-61-4874
営業時間 AM9:00〜PM7:00 営業日 月曜日〜金曜日 定休日 土曜日 日曜日 祝日