|
|
■包装資材
■包装機械
■物流機器
■測定機器 ■洗剤■ケミカル
■蛍光灯
■季節商品(夏)
■季節商品(冬)
■弱電工具
■ホイスト
■環境機器
■掃除機
■ムーブテック
■切削工具
■機械工具■調理厨房機器
■研究室用品
■安全防犯防災用品
■エクステリア
■新商品情報
■在庫処分情報
| 2段表示プログラマブルメーターリレー/品番 WPDO9404 | 【詳細表示】 | ||||||||||||||||||||||||||||||||||||||||||
| 商品番号 | WPDO9404 | 価 格 | |||||||||||||||||||||||||||||||||||||||||
![]() |
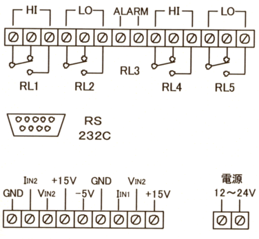
RS232C出力付 WPDO9404はユーザーにより入力、出力、零点調整、スパンの設定変更が可能なプログラマブルメーターリレーです。通常の電圧、電流測定器に加え、4〜20mA、1〜5V出力の温度、湿度、圧力、流量計等の直読み表示器として幅広くご利用いただけます。 前面パネルから入力するパラメーターにより全ての設定変更が可能です。表示は2段表示でそれぞれ独立した設定が可能です。 炉の入口、出口の温度、温度と湿度、圧力と温度の組合等多彩な使い方が可能です。 |
2段表示 プログラマブルメーターリレー 品番 WPDO9404 廃番 |
|||||||||||||||||||||||||||||||||||||||||
■端子接続図 ![]() ■仕様
|
|||||||||||||||||||||||||||||||||||||||||||

[トップページに戻る][注文書] [見積り依頼] TEL0729-64-8663 FAX 0729-61-4874
営業時間 AM9:00〜PM7:00 営業日 月曜日〜金曜日 定休日 土曜日 日曜日 祝日