■特長
●電圧出力0-5V/0-10V指定可能
●コンパクトヘッド M12×28mm 50g
●小型アンプ採用で装置や制御盤への設置が容易
●ワイドな測定温度範囲 -40〜500℃
●耐熱ヘッド120℃冷却不要
●高い耐振動性
●高速応答 30ms(90%応答)
●小形でも狭視野15:1 (φ8.3mm/75mmにて)
●位置決め簡単 緑色LEDアラーム付(中継アンプ部)
■主なアプリケーション ・ペットボトルの予熱管理
・自動車部品の試験装置
・印刷工程
・路面温度測定
・ガラスの温度管理
・食品機械の温度測定
■接続方法

■外形寸法

■外観図

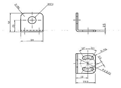
■取付金具(オプション)

■測定視野範囲図

■仕様
| 測定温度範囲 |
-40〜500℃ |
| 測定波長 |
8〜14μm |
| 光学系 |
シリコンレンズ |
| 検出素子 |
サーモパイル |
| 測定視野範囲 |
15:1(20mm@300mm) |
| 応答時間 |
30ms(90%応答) |
| 放射率 |
0.95固定(出荷時指定可) |
| 使用周囲温度 |
-20〜120℃(氷結・結露なきこと)アンプ部65℃まで |
| 使用周囲湿度 |
10〜95%RH |
| 耐振動 |
IEC 68-2-6: XYZ各軸, 11-200 Hz, 3G |
| 耐衝撃 |
IEC 68-2-27: XYZ各軸, 11 ms, 50G |
| 保護構造 |
IP65(NEMA-4) |
| 材質 |
ステンレス(センサヘッド部) テフロン耐熱ケーブル |
| 測定精度 |
±1.0%もしくは±1.0℃のどちらか大きい方 |
| 再現性 |
±0.5%もしくは±0.5℃のどちらか大きい方 |
| アナログ出力 |
0-5V/0-10V選択 分解能0.1℃ |
| 電源電圧 |
DC12-30V |
| 消費電流 |
9mA |
| ケーブル長 |
センサ中継アンプ間3m+出力ケーブル0.5m |
| 外形寸法(センサヘッド) |
M12×28mm |
| 質量(センサヘッド) |
約50g |
*測定対象物温度>0°C 、周囲温度23℃±5℃、放射率1.00、応答時間1sにて
製品改良のため、仕様の一部を予告なく変更する場合があります。ご了承ください。
校正成績書も発行可能です。別途お問い合わせください
| 品番 |
仕様 |
| M1241-IR12-814-L1-T15-C3 |
組込型非接触温度センサー -40℃〜500℃ 0-5V出力 |
| M1241-IR12-814-L2-T15-C3 |
組込型非接触温度センサー -40℃〜100℃ 0-5V出力 |
| M1241-IR12-814-L3-T15-C3 |
組込型非接触温度センサー -40℃〜200℃ 0-5V出力 |
| M1241-IR12-814-L4-T15-C3 |
組込型非接触温度センサー 0℃〜100℃ 0-5V出力 |
| M1241-IR12-814-L5-T15-C3 |
組込型非接触温度センサー 0℃〜200℃ 0-5V出力 |
| M1241-IR12-814-L6-T15-C3 |
組込型非接触温度センサー 0℃〜500℃ 0-5V出力 |
|