■特長
●φ0.8mmの小スポット測定(距離10mmにて)
●高速応答 30ms(90%応答)
●耐熱ヘッド120℃冷却不要
●高い耐振動性
●外部電源供給なので長時間のデータ取りに最適
●位置決め簡単 緑色LEDアラーム付(中継アンプ部)
■接続方法

■外形寸法

■外観図

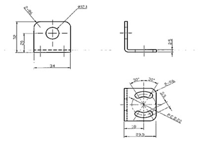
■取付金具(オプション品)

■クローズフォーカスレンズ外形寸法(付属)

■測定視野範囲図

■使用例

■仕様
| 測定温度範囲 |
-40〜1000℃ |
| 測定波長 |
8〜14μm |
| 光学系 |
シリコンレンズ CFレンズ付 |
| 検出素子 |
サーモパイル |
| 測定視野範囲 |
φ0.8mm/10mmにて |
| 応答時間 |
30ms(90%応答) |
| 放射率 |
0.95固定(出荷時指定可) |
| 使用周囲温度 |
-20〜120℃(氷結・結露なきこと)アンプ部65℃まで |
| 使用周囲湿度 |
10〜95%RH |
| 耐振動 |
IEC 68-2-6: XYZ各軸, 11-200 Hz, 3G |
| 耐衝撃 |
IEC 68-2-27: XYZ各軸, 11 ms, 50G |
| 保護構造 |
IP65(NEMA-4) |
| 材質 |
ステンレス(センサヘッド部) テフロン耐熱ケーブル |
| 測定精度 |
±1.0%もしくは±1.0℃のどちらか大きい方 |
| 再現性 |
±0.5%もしくは±0.5℃のどちらか大きい方 |
| アナログ出力 |
0-5V/0-10V選択 分解能0.1℃ |
| 電源電圧 |
DC12-30V |
| 消費電流 |
9mA |
| ケーブル長 |
センサ中継アンプ間3m+出力ケーブル0.5m |
| 外形寸法(センサヘッド) |
M12×28mm(CFレンズ含まず) |
| 質量(センサヘッド) |
約50g(CFレンズ含まず) |
*測定対象物温度>0°C 、周囲温度23℃±5℃、放射率1.00、応答時間1sにて(CFレンズ含まず)
製品改良のため、仕様の一部を予告なく変更する場合があります。ご了承ください。
微小点を測定する場合、測定対象物の大きさは測定視野範囲図の1.5倍程度を推奨します。
面積の広い高温の物体を測定する場合、スリット等で視野を制限してください。
CFレンズの透過率を調整して出荷しますので出荷後の補正は不要です。
| 品番 |
仕様 |
価格 |
| M1241-IR12-814-L1-T15CF-C3 |
非接触温度センサー -40℃〜200℃ 0-5V出力 |
¥67,500.- |
| M1241-IR12-814-L2-T15CF-C3 |
非接触温度センサー 0℃〜200℃ 0-5V出力 |
¥67,500.- |
| M1241-IR12-814-L3-T15CF-C3 |
非接触温度センサー -40℃〜500℃ 0-5V出力 |
¥67,500.- |
| M1241-IR12-814-L4-T15CF-C3 |
非接触温度センサー 0℃〜500℃ 0-5V出力 |
¥67,500.- |
| M1241-IR12-814-L5-T15CF-C3 |
非接触温度センサー -40℃〜1000℃ 0-5V出力 |
¥67,500.- |
| M1241-IR12-814-L6-T15CF-C3 |
非接触温度センサー 0℃〜1000℃ 0-5V出力 |
¥67,500.- |
|