|
|
|
■包装資材
■包装機械
■物流機器
■測定機器 ■洗剤■ケミカル
■蛍光灯
■季節商品(夏)
■季節商品(冬)
■弱電工具
■ホイスト
■環境機器
■掃除機
■ムーブテック
■切削工具
■機械工具■調理厨房機器
■研究室用品
■安全防犯防災用品
■エクステリア
■新商品情報
■在庫処分情報
| ハカリ天秤用卓上除振台/品番 M1247K-64-1415S |
【詳細表示】
|
|||||||||||||||||||||||||||||||||
| 商品番号 | M1247K-64-1415S |
価 格
|
||||||||||||||||||||||||||||||||
![]() |
精密な天秤に対する除振を実現 電子天秤を除振技術でサポートします。 |
ハカリ天秤用卓上除振台 品番 M1247K-64-1415S 価格は下記をご覧下さい |
||||||||||||||||||||||||||||||||
| ■特長 ●特殊高減衰ゴムを採用 特殊高減衰ゴムを採用し、除振機能(共振の低減)と、搭載盤の安定性を兼ね備えています。 設置場所を汚しにくく、移行性を改善したゴムを採用。 ●石定盤を採用 高剛性でありながら軽量化を実現。 非磁性のため、磁性を嫌う電子天秤にも使用可能です。 ![]() ■除振性能 (M1247K-64-1415S 搭載質量10kg) ![]() ![]() ■タイプ
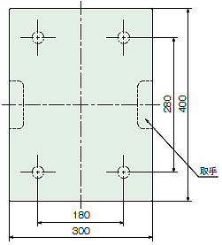
■外形図
■仕様
|
||||||||||||||||||||||||||||||||||

[トップページに戻る][注文書] [見積り依頼] TEL0729-64-8663 FAX 0729-61-4874
営業時間 AM9:00〜PM7:00 営業日 月曜日〜金曜日 定休日 土曜日 日曜日 祝日