|
|
■包装資材
■包装機械
■物流機器
■測定機器 ■洗剤■ケミカル
■蛍光灯
■季節商品(夏)
■季節商品(冬)
■弱電工具
■ホイスト
■環境機器
■掃除機
■ムーブテック
■切削工具
■機械工具
■調理厨房機器
■研究室用品
■安全防犯防災用品
■エクステリア
■新商品情報
■在庫処分情報
| 回転数チェッカー/品番 M1398HP-S01M | 【詳細表示】 | |||||||||||||||||||||||||||||||||||||||||||||||||||||||||||||||||||
| 商品番号 | M1398HP-S01M | 価 格 | ||||||||||||||||||||||||||||||||||||||||||||||||||||||||||||||||||
![]() |
設定ボタンを押すだけで、機械装置の現在の回転数を自動的に記憶します。 この為、面倒なスピード確認を行う必要がありません。 記憶した速度から、5~10%降下すると、警報または停止用の接点を出力します。 |
回転数チェッカー 品番 M1398HP-S01M 廃番 |
||||||||||||||||||||||||||||||||||||||||||||||||||||||||||||||||||
| ■特長 ●調整不要でカンタン導入 機械装置の正常な回転数を自動で記憶する為、面倒な調整が不要です。 ●安全に異常をキャッチ 変換器側で設定する為、現場に行く必要がなく安全に監視できます。 ●メンテナンスフリー 無接触で検出するので、摩擦などの心配は不要です。 ■動作原理 機械装置の回転軸に取り付けられた磁性体の検出片が、回転軸と共に回転することで、近接スイッチがパルス信号を検出します。 そのパルス信号の周期が回転軸の回転速度に応じて変化し、記憶された値から降下すると、リレー接点が出力されます。 ![]() ■アプリケーション事例
■タイプ
■共通仕様
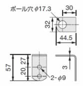
■外形寸法
■付属品
|
||||||||||||||||||||||||||||||||||||||||||||||||||||||||||||||||||||
