| 角度センサー/品番 M1509S-60XY-0-10V |
【詳細表示】 |
| 商品番号 |
M1509S-60XY-0-10V |
価 格 |
 |
●X軸・Y軸同時に2軸の傾きを計測、それぞれの角度を出力
●検出角度±60°
●ゼロ点設定 ティーチイン方式
●2軸アナログ出力
●堅牢なメタルハウジング
●保護等級 IP67 |
角度センサー
品番 M1509S-60XY-0-10V
廃番 |
■特長
傾斜角測定センサーは、角度の変化を確実に検出するように設計されています。
120°の検出角度、X軸とY軸が独立した出力を持ちワークの傾きや位置、取付位置の確認など多様な用途にご使用頂けます。
保護等級IP67に加え堅牢なメタルハウジングで屋外での使用にも耐え、アミューズメント施設や移動体の姿勢制御などにもご使用頂けます。
■2軸独立したアナログ出力

■ソーラーモジュールの自動調整

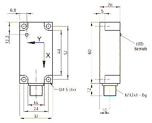
■本体寸法図

■仕様
| 品番 |
M1509S-60XY-0-10V |
M1509S-60XY-4-20A |
テクニカルデータ
(typ.) |
+20℃、24VDC |
| 検出角度 |
各軸 ±60° |
| 供給電圧 |
12・・・30VDC |
| 消費電力 |
<25mA plus 2×20mA under load |
| 逆極性保護 |
有 (全てのケーブル) |
| アナログ出力 |
0・・・10V(2x) リニア出力.min.100.000Ω |
4・・・20mA(2x) リニア出力.max.250Ω |
| 分解能 |
0.3° |
| 再現出 |
0.5° |
| 耐衝撃性 |
<30g |
| 横感度(対他軸) |
±3% |
| リモートティーチ方法※ |
6V 印加=ティーチインスタート、接点開=ノーマルモード |
| 応答性 |
<300ms |
| 使用周囲温度 |
-25・・・+70℃ |
| 保護等級 |
IP67 |
| 保護度 |
Ⅲ 低電圧保護 |
| ケース材質 |
アルミ(アルマイト処理) |
| 基本出力 |
0°(傾きが無い状態)で5V
-60°での出力は0V
+60°での出力は10V |
0°(傾きが無い状態)で12mA
-60°での出力は4mA
+60°での出力は20mA |
※6V以上(12~30Vこれは電源でもあります)をteaching側の接点にかけて頂きますと 0°を今の状態で認識させます。 open normal
modeは、teaching側の接点開(open)で 通常使用で角度計測出力をするという事です。
■専用ケーブル
角度センサー専用のコネクタ付きケーブルです。センサー1つにつきケーブル1つをご選定頂き、センサーと併せてご注文ください。
| M1509IM-Z-5Sシリーズ |
M1509IM-W-5Sシリーズ |
 |
 |
| 品番 |
サイズ |
ソケット |
サイズ |
最大許容電圧
(V AC/DC) |
コネクタ材質 |
保護等級 |
| M1509IM-Z-3-5S |
M12,5-芯 |
ストレート |
3m |
max.125 |
PU |
IP67 |
| M1509IM-Z-5-5S |
5m |
| M1509IM-Z-10-5S |
10m |
| M1509IM-W-3-5S |
M12,5-芯 |
エルボ |
3m |
| M1509IM-W-5-5S |
5m |
| M1509IM-W-10-5S |
10m |
|