|
|
■包装資材
■包装機械
■物流機器
■測定機器 ■洗剤■ケミカル
■蛍光灯
■季節商品(夏)
■季節商品(冬)
■弱電工具
■ホイスト
■環境機器
■掃除機
■ムーブテック
■切削工具
■機械工具
■調理厨房機器
■研究室用品
■安全防犯防災用品
■エクステリア
■新商品情報
■在庫処分情報
| 二軸角度センサー(±25°)/品番 M193S-25DQP | 【詳細表示】 | |||||||||||||||||||||||||||||||||
| 商品番号 | M193S-25DQP | 価 格 | ||||||||||||||||||||||||||||||||
![]() |
2軸傾斜センサX Y、アナログ同時出力 最近マイクロプロセッサ技術を使い電化液の傾斜による液体の変化を2電極間の導電率の相対変化を捉えるセンサである。 センサそのものが原理的及び構造に長期間厳しい環境に耐えるものとして設計されている防護構造IP66に適合したケースに収納され、耐衝撃性にもすぐれている。 |
二軸角度センサー(±25°) 品番 M193S-25DQP 廃番 後継機種はこちら→NS-25/DQG2-XUA |
||||||||||||||||||||||||||||||||
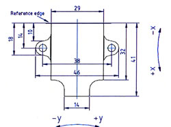
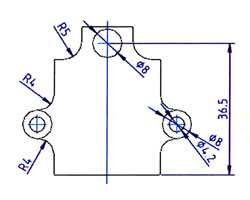
| ■特長 ●最新のマイクロプロセッサ技術 ●長期間の耐久性 ●耐衝撃性 ●簡単使用 ●低価格 ●防護構造にすぐれている ●超小型である ■M193S-25DQPは最新の技術を使い、リニアリティと温度補正行って広い温度範囲で高精度を保っています。 M193S-25DQPはXY2軸の傾斜値を同時に出力する ![]() ![]() 外形寸法(mm) ■基本仕様
|
||||||||||||||||||||||||||||||||||

[トップページに戻る][注文書] [見積り依頼] TEL0729-64-8663 FAX 0729-61-4874
営業時間 AM9:00~PM7:00 営業日 月曜日~金曜日 定休日 土曜日 日曜日 祝日