ホームページへ

1976年創業 東大阪市商工会議所会員 2005年度IT百選企業。国公立大学、研究所 自衛隊、警察庁 など主な国公立機関に納入実績多数 医療機器販売業免許取得済み
トップページ

包装資材 包装機械 物流機器 測定機器 洗剤ケミカル 蛍光灯 季節商品(夏) 季節商品(冬) 弱電工具 ホイスト 環境機器
掃除機 ムーブテック 切削工具 機械工具 調理厨房機器 研究室用品 安全防犯防災用品 エクステリア 新商品情報 在庫処分情報



測定 MAIN PAGE
温湿度計-温度計 - 記録温湿度計放射温度計 -重量はかり- 吊はかり- 電気測定器- 厚さ計トルクゲージノギス、マイクロメータ
騒音計PH水質計風速計ガス臭気測定器−ニオイ臭気測定器デジタル距離計金属探知器水分計 -照度計色計枚数計数機器回転計
プッシュプルゲージおんどとりデータロガーシックネスゲージ振動計電磁力計気象計器光学機器ファイバースコープ
電磁波・電位計糖度計酸度計塩分計屈折計濃度計角度計粉塵計-硬度計-圧力計流量計-健康管理-その他計測器測定メインページ

関連商品一覧

高倍率USBマイクロスコープ/品番 M511G-130PCS 【詳細表示】
商品番号 M511G-130PCS 価 格
高倍率USBマイクロスコープ/M511G-130PCS ●高解像度130万画素のUSBマイクロスコープに、高倍率ズームレンズをセット。
●PCに接続するため、さまざまな機能が使え、データ保存も容易です。
●簡易計測ソフト標準装備
●45−360倍の連続可変倍率
●WindowsXP、Vista、7に対応
●32bit対応。(64bit対応ではごさいません)

※USB通信速度に依存するため、解像度に比例して表示速度が遅くなります。
高倍率USBマイクロスコープ
品番 M511G-130PCS

廃番
■標準装備
高倍率ズームレンズ 48灯LDリング照明
130万画素USBカメラ スタンド


■標準装備のソフト機能
●ライブ映像の観察
●静止画の保存(JPEG,BMP形式)
●観察画像の一時停止(フリーズ機能)
●任意の2点間の距離測定
●対応OS:WindowsXP、Vista、7
(32bit対応。62bit対応ではございません)


■仕様
●カメラ仕様

映像素子 1/2”CMOS
画素数 130万画素
解像度 1280(H)×1024(V)
PC接続 USB2.0

レンズ仕様
倍率 X0.75−4.5
作動距離 W.D. 45mm
レンズホルダ径 φ50mm
レンズ総長 200mm
マウント Cマウント

●全体仕様
トータル倍率 45−360倍
最大倍率時
観察範囲
0.9×0.7mm
最小倍率時
観察範囲
7.5×5.8mm
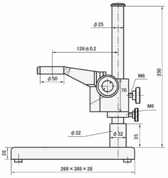
スタンド寸法 380×250×350(H)mm
※倍率は17インチモニタで表示させた場合の値
※45倍時 1mmをモニタ上で45mmで表示
※360倍時 1mmをモニタ上で360mmで表示


■スタンド寸法図


■USBカメラ寸法図

運賃、および消費税は、記載価格には、含まれていません。


[注文書] [ホームページに戻る] [osbic][見積り依頼]

[トップページに戻る][注文書] [見積り依頼] TEL0729-64-8663 FAX 0729-61-4874
営業時間 AM9:00〜PM7:00 営業日 月曜日〜金曜日 定休日 土曜日 日曜日 祝日