| 高倍率USB拡大スコープ/品番 M511SHP200PC-4SS |
【詳細表示】 |
| 商品番号 |
M511SHP200PC-4SS |
価 格 |
 |
高解像度200万画素のUSBマイクロスコープに、最大倍率680倍までの高倍率ズームレンズをセット |
高倍率USB拡大スコープ
品番 M511SHP200PC-4SS
廃番 |
■特長
●高画質200万画素1/3CMOSセンサを搭載
●倍率130倍-680倍までの連続可変
●任意の2点間距離測定のできる簡易計測ソフトを標準装備
●最大倍率680倍までの高倍率で20万円台の低価格を実現!
※パソコンは付属しておりません
■セット内容
●1/3インチ200万画素USBカメラ
●ズームレンズ
●小型スタンドセット
●X2補助レンズ ●ツインアームLED照明
●簡易計測ソフト
| 200万画素USBカメラ |
ズームレンズ |
小型スタンド |
 |
 |
 |
| ×2補助レンズ |
ツインアームLED照明 |
標準付属ソフトウェア |
 |
 |
 |
■仕様
| 品番 |
M511SHP200PC-4SS |
| レンズ |
撮像素子 |
1/3”CMOS |
| 画素数 |
200万画素 |
| 解像度 |
1600(H)×1200(V) |
| PC接続 |
USB2.0 |
| カメラ |
倍率 |
X1.0-X4.0 |
| 作動距離 |
W.D.40mm |
| レンズホルダ径 |
φ50mm |
| レンズ総長 |
300mm |
| マウント |
Cマウント |
| 全体 |
トータル倍率 |
130倍〜680倍 |
| 最小観察範囲 |
2.7mm×2.0mm |
| 最大観察範囲 |
0.5mm×0.3mm |
| スタンド寸法 |
145×225×315(H)mm |
標準付属
ソフトウェア
(CD-ROM) |
対応OS |
WindowsXP、Vista、7、8
(64bitに対応) |
| 機能 |
・ライブ映像の観察
・静止画の保存(JPEG,BMP形式)
・観察画像の一時停止(フリーズ機能)
・任意の2点間の距離測定
・校正データの保存・読出し |
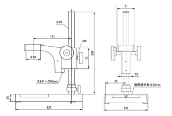
■寸法図
●小型スタンド

●ツインアームLED照明

|