| 一般観測/船舶両用アネロイド気圧計/品番 M9Z-10T-1シリーズ |
【詳細表示】 |
| 商品番号 |
M9Z-10T-1シリーズ |
価 格 |
 |
●オールメカ機構で高信頼性・高精度
●アネロイド型指示気圧計としての最高レベルの指示精度・高感度
●耐振構造により船舶装備用に使用可能
●防振機構・温度補償機構による広範な汎用性
●省スペースで簡易な取扱い |
一般観測/船舶両用アネロイド気圧計
品番 M9Z-10T-1シリーズ
廃番 |
■概要
アネロイド型指示気圧計の中でM9Z-10T-1シリーズ船舶用アネロイド型指示気圧計は、もっとも精密で高い信頼性と優れた精度を長期間保持します。受感部にチャンバーを2個ずつ合計4個を対称にセットして、回転軸に対する平衡をとっています。このチャンバーの気圧変化による変位を機構部に連結拡大し、気圧測定値として指示します。一般気圧計・船舶用として使用範囲も広くご使用出来ます。またフォルタン型水銀指示気圧計と比較しながら使用すれば、0.1hPaの精度で気圧の観測ができます。
■特長
●全ての機構・駆動は電気・電子部品を使用しないオールメカ式なので、精密型アネロイド指示気圧計としての高い信頼性と優れた精度を長期間保持します。
●アネロイド型指示気圧計としての最高レベルの指示精度・高感度を持ちますので、水銀気圧計にかわる副準器としても使用可能です。
●船舶用としての気象庁規格(振動数:300rpm、振幅:2mm)を越える耐振性能(振動数:600rpm、振幅:10mm)を持ち、船舶装備用としても使用できます。
●上記の振動を与えた状態でも指示値の読み取りが可能です。また温度補償バイメタルの補正により周囲温度変化の影響を補正しますので、一般観測から各地の気象台、飛行場をはじめ船舶用・移動体など広範な用途に使用することが出来ます。
●防振機構部・温度補償機構などはコンパクトに筐体内に内蔵していますので、水銀気圧計などのように傾斜取付等による姿勢誤差がほとんどなく設置や取扱いも簡単です。
■タイプ
M9Z-102T-1/2は携帯用のトランク型保護ケースに収容したバネ耐震構造タイプです。
| M9Z-10T-1/2 |
M9Z-102T-1/2 |
 |
 |
■仕様
| 品番 |
M9Z-10T-1 |
M9Z-10T-2 |
M9Z-102T-1 |
M9Z-102T-2 |
| 検定 |
社内検査品 |
気象庁検定品 |
社内検査品 |
気象庁検定品 |
| 測定範囲 |
二重目盛り式により@Aいずれのレンジでも読み取り可 |
@912〜1048hPa(最小目盛:0.5hPa)
A684〜786mmHg(最小目盛:0.5mmHg) |
| 精度 |
±0.7hPa |
| 感度 |
0.1hPa |
| 温度影響 |
温度補償バイメタル内蔵=1℃につき0.07hPa(0℃〜30℃間) |
| 耐振動性 |
気象庁規格 |
振幅:±2mm、振動数:300rpm(5Hz)、連続2時間 |
| 最大耐震 |
振幅:±10mm、振動数:600rpm(10Hz)、連続0.5時間 |
| 時定数 |
約1秒 |
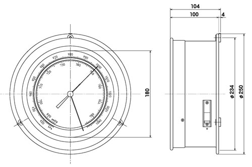
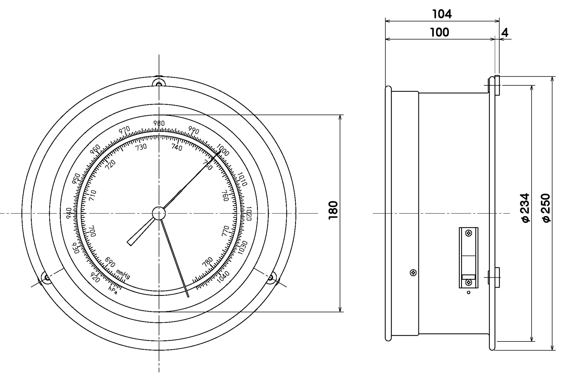
| 寸法 |
φ250×100Dmm |
| 質量 |
約4.0kg |
| 取付姿勢 |
垂直(⊥)〜水平(-) |
| 使用高度 |
約500m迄 |
| 示度調整 |
約±7hPa |
| 備考 |
- |
収納ケース付 |
■寸法図
 |