ホームページへ

1976年創業 東大阪市商工会議所会員 2005年度IT百選企業。国公立大学、研究所 自衛隊、警察庁 など主な国公立機関に納入実績多数 医療機器販売業免許取得済み
トップページ

包装資材 包装機械 物流機器 測定機器 洗剤ケミカル 蛍光灯 季節商品(夏) 季節商品(冬) 弱電工具 ホイスト 環境機器
掃除機 ムーブテック 切削工具 機械工具 調理厨房機器 研究室用品 安全防犯防災用品 エクステリア 新商品情報 在庫処分情報



測定 MAIN PAGE
温湿度計-温度計 - 記録温湿度計放射温度計 -重量はかり- 吊はかり- 電気測定器- 厚さ計トルクゲージノギス、マイクロメータ
騒音計PH水質計風速計ガス臭気測定器−ニオイ臭気測定器デジタル距離計金属探知器水分計 -照度計色計枚数計数機器回転計
プッシュプルゲージおんどとりデータロガーシックネスゲージ振動計電磁力計気象計器光学機器ファイバースコープ
電磁波・電位計糖度計酸度計塩分計屈折計濃度計角度計粉塵計-硬度計-圧力計流量計-健康管理-その他計測器測定メインページ

関連商品一覧

ファイバースコープ/品番 MB8S-01C 【詳細表示】
商品番号 MB8S-01C 価 格
ファイバースコープ/MB8S-01C ファイバースコープ ファイバースコープ
品番 MB8S-01C
廃番
■タイプ
MB8S-01C
φ10mm×約88cmのケーブル(MB8S-01TC)標準装備
MB8S-01SC
φ6mm×約100cmのケーブル(MB8S-01T6C)標準装備
MB8S-02SC
φ6mm×約100cmのケーブル(MB8S-01T6C)標準装備
Micro SD記録

■MB8S-01C専用アタッチメントイメージ


■使用例

エンジンルームの点検に

延長ケーブル(別売)使用で手の届かないところまで見られます。

配管内部の点検に

簡単操作で、画像反転も行えます。

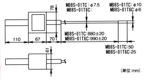
■外形寸法


■仕様
ケーブル材質 鋼ワイヤー(PE被覆)
液晶画面 2.4インチ、320×234ピクセル
カメラ解像度 320×240ピクセル
焦点距離 30〜60mm
最小ケーブル曲げ半径 約45mm(MB8S-01TC)、約35mm(MB8S-01T6C)
防水性 フレキシブルケーブル部 IP67準拠(コネクター部を除く)
重量 約450g(MB8S-01TC使用時)、約370g(MB8S-01T6C使用時)
(本体にフレキシブルケーブル、電池、ラバーケーブルを取り付けた場合)
使用温度 0〜+45℃、15〜85%RH(但し、結露のない事)
保存温度 -10〜+70℃、15〜85%RH(但し、結露のない事)
電源 単3乾電池(1.5V)4個
電池寿命 約8時間
付属品 MB8S-01C:フレキシブルケーブルMB8S-01TC(カメラ部φ10mm)×1、
ラバーケース×1、マグネットアタッチメント×1、フックアタッチメント×1、
ミラーアタッチメント×1、取扱説明書
MB8S-01SC:フレキシブルケーブルMB8S-01T6C(カメラ部φ6mm)×1、
ラバーケース×1、取扱説明書
MB8S-02SC:フレキシブルケーブルMB8S-01T6C(カメラ部φ6mm)×1、
ラバーケース×1、USBケーブル×1、取扱説明書
オプション 交換用フレキシブルケーブル(カメラ部)
品番 MB8S-01TC(φ10mm)、MB8S-01T6C(φ6mm)
3m延長ケーブル:MB8S-01EC(コネクタ部φ19mm、ケーブル部φ7.5mm)
(延長ケーブル使用時、防水機能なし)

品番 品名 価格
MB8S-01C ファイバースコープ 廃番
MB8S-01SC ファイバースコープ 廃番
MB8S-02SC ファイバースコープ 廃番



■オプション
交換用フレキシブルチューブ(φ10mm)
品番 MB8S-01TC
3m延長ケーブル
品番 MB8S-01EC
交換用フレキシブルチューブ(φ6mm)
品番 MB8S-01T6C
形を固定して使用可能なインターロックタイプ。
先端のカメラ部からフレキブルチューブ部分までIP67準拠。
形を固定して使用可能なインターロックタイプ。
延長ケーブル使用時は、防滴性はありませんので、予めご了承下さい。
内栓充分な曲った配管でもスムーズに挿入しやすい弾力性タイプ。
先端のカメラ部からフレキブルチューブ部分までIP67準拠。
品番 品名 価格
MB8S-01TC 交換用フレキシブルチューブ(φ10mm) 廃番
MB8S-01EC 3m延長ケーブル 廃番
MB8S-01T6C 交換用フレキシブルチューブ(φ6mm) 廃番

運賃、および消費税は、記載価格には、含まれていません。

[注文書] [ホームページに戻る] [osbic][見積り依頼]

[トップページに戻る][注文書] [見積り依頼] TEL0729-64-8663 FAX 0729-61-4874
営業時間 AM9:00〜PM7:00 営業日 月曜日〜金曜日 定休日 土曜日 日曜日 祝日