ホームページへ

1976年創業 東大阪市商工会議所会員 2005年度IT百選企業。国公立大学、研究所 自衛隊、警察庁 など主な国公立機関に納入実績多数 医療機器販売業免許取得済み
トップページ

包装資材 包装機械 物流機器 測定機器 洗剤ケミカル 蛍光灯 季節商品(夏) 季節商品(冬) 弱電工具 ホイスト 環境機器
掃除機 ムーブテック 切削工具 機械工具 調理厨房機器 研究室用品 安全防犯防災用品 エクステリア 新商品情報 在庫処分情報



測定 MAIN PAGE
温湿度計-温度計 - 記録温湿度計放射温度計 -重量はかり- 吊はかり- 電気測定器- 厚さ計トルクゲージノギス、マイクロメータ
騒音計PH水質計風速計ガス臭気測定器−ニオイ臭気測定器デジタル距離計金属探知器水分計 -照度計色計枚数計数機器回転計
プッシュプルゲージおんどとりデータロガーシックネスゲージ振動計電磁力計気象計器光学機器ファイバースコープ
電磁波・電位計糖度計酸度計塩分計屈折計濃度計角度計粉塵計-硬度計-圧力計流量計-健康管理-その他計測器測定メインページ

関連商品一覧

φ8mmタイプファイバースコープ/品番 MB8S-01S8C 【詳細表示】
商品番号 MB8S-01S8C 価 格
●フレキシブルケーブルは着脱・交換が可能なIP67準拠の防水タイプを採用(コネクタ部は非防水)。ケーブル先端には、暗所を明るく照らすLEDを標準装備。
●画像をmicroSDカードに保存が可能。本体でも画像再生ができ、また付属のUSBケーブル経由でPCに読み込むことも可能です。(※録画機能付きタイプのみ)
φ8mmタイプファイバースコープ
品番 MB8S-01S8C
廃番
後継機種はこちら→MB8S-22TS
MB8S-23TS
■特長
●「マグネット」「フック」「ミラー」のアタッチメント付き。アタッチメントをケーブルの先端に取り付けることで、「見る」以外の使い勝手も広がります。(φ8mmタイプのみ)
●表示は2.4インチの大きく見やすいカラー液晶ディスプレイを採用。ビデオ出力付きなので、付属のAVケーブルを接続すればテレビ画面に画像を表示できます。
●電池の消耗を防ぐオートパワーオフ機能付き。

■タイプ
   
 MB8S-01S8C
φ8mm×約88cmのケーブル
(MB8S-T8C)標準装備
インターロックタイプ
 MB8S-02S8C
φ8mm×約88cmのケーブル
(MB8S-T8C)標準装備
インターロックタイプ
MicroSD記録機能付
MB8S-01S55C
φ5.5mm×約100cmのケーブル
(MB8S-T55C)標準装備
インターロックタイプ
MB8S-02S55C
φ5.5mm×約100cmのケーブル
(MB8S-T55C)標準装備
インターロックタイプ
MicroSD記録機能付

■使用例
エンジンルームの点検に 配管内部の点検に 簡単操作で、画像反転も行えます。

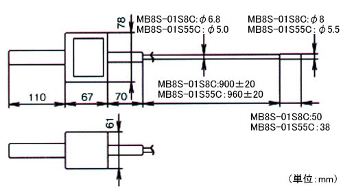
■外形寸法


■仕様
品番 MB8S-01S8C MB8S-02S8C MB8S-01S55C MB8S-02S55C
カメラ径 φ8mm φ8mm φ5.5mm φ5.5mm
ケーブル材質 鋼ワイヤー(PE被覆)
液晶画面 2.4インチ、320×234ピクセル
カメラ解像度 320×240ピクセル
焦点距離 30〜60mm
最小ケーブル曲げ半径 約45mm 約35mm
防水性 フレキシブルケーブル部 IP67準拠(コネクター部を除く)
重量※1 約450g 約410g
使用温度 0〜+45℃、15〜85%RH(但し、結露のないこと)
保存温度 -10〜+70℃、15〜85%RH(但し、結露のないこと)
電源 単3(1.5V)電池×4個
電池寿命 約8時間
録画機能 - SDカード(別売り) - SDカード(別売り)
データ記録※2 - 静止画(jpeg):約900枚
動画(avi):約15分
- 静止画(jpeg):約900枚
動画(avi):約15分
付属品 取扱説明書、AVケーブル×1、ラバーケース×1
フレキシブルチューブ(MB8S-T8C)×1、
専用アタッチメントセットMB8S-TA8C×1、
フレキシブルチューブ(MB8S-T55C)×1
オプション  交換用フレキシブルチューブ(MB8S-T8C、MB8S-T55C)、3m延長ケーブル(MB8S-01EC)※3
価格 廃番 廃番 廃番 廃番
後継機種 MB8S-22TS MB8S-23TS MB8S-22TS MB8S-23TS
※1:本体にフレキシブルケーブル、電池、ラバーケーブルを取り付けた時
※2:SDカード1GBあたり
※3:延長ケーブル使用時は防滴機能なし


■φ8mmケーブル専用アタッチメント 品番 MB8S-TA8C
ミラー マグネット フック

■φ5.5mmケーブル専用アタッチメント 品番 MB8S-TA55C
ミラー マグネット フック

品番 品名 価格
MB8S-TA8C φ8mmケーブル専用アタッチメントセット 廃番
MB8S-TA55C φ5.5mmケーブル専用アタッチメントセット 廃番


■オプション
【MB8S-T8C】
●形を固定して使用可能なインターロックタイプ。
●先端のカメラ部からフレキブルチューブ部分までIP67準拠。
【MB8S-T55C】
形を固定して使用可能なインターロックタイプ。
先端のカメラ部からフレキブルチューブ部分までIP67準拠。
【MB8S-01EC】
形を固定して使用可能なインターロックタイプ。(コネクタ部:φ19mm)
延長ケーブル使用時は防滴性はありませんので予めご了承下さい。
MB8S-T8C MB8S-T55C MB8S-01EC

品番 品名 価格
MB8S-T8C 交換用フレキシブルチューブ(φ8mm) 廃番
MB8S-T55C 交換用フレキシブルチューブ(φ5.5mm) 廃番
MB8S-01EC 3m延長ケーブル 廃番

運賃、および消費税は、記載価格には、含まれていません。

[注文書] [ホームページに戻る] [osbic][見積り依頼]

[トップページに戻る][注文書] [見積り依頼] TEL0729-64-8663 FAX 0729-61-4874
営業時間 AM9:00〜PM7:00 営業日 月曜日〜金曜日 定休日 土曜日 日曜日 祝日