■特長
データロガー機能を備えた温度・湿度トランスミッタです。
電流または電圧のアナログ出力に加えて、RS232C/RS485シリアル通信機能(全機種)、制御用ON/OFF出力(型式末尾-Rのみ)も得られます。
互換性プローブを大きな特長としており、プローブ交換の必要が生じた場合、プロセスを長時間中断することなく、ユーザーによる予備プローブとの交換が可能です。
温湿度プローブは、両シリーズ共通で、本体ハウジングに直結した背面プローブ(S.TO)、下方プローブ(S.TV)およびケーブル(2m/5m/10m)によって本体ハウジングとつながる分離プローブ(S.TC)の3種類で構成されています。
背面プローブ(S.TO)および下方プローブ(S.TV)はステンレススチールAISI304製、分離プローブ(S.TC)はAISI304または‘POCAN’(プラスチック)です。
温湿度プローブは出荷前に校正されており、使用前の調整の必要はありません。
プローブはSICRAM2モジュールを備えており、このモジュールが各プローブの校正データを記憶し、プローブの互換性を可能にしています。
温湿度トランスミッタは以下の要素を測定します。
●温度
●相対湿度
これらの要素の測定値により、以下の要素を演算します。
●露点温度
●絶対湿度
●混合比
■すべての機種が電流および電圧アナログ出力を備えており(MC8HD2817Tは3出力)、本体内のディップスイッチにより何れかが選択できます。
また、型式末尾-Rのトランスミッタはユーザー設定が可能な制御用リレー出力(2点)とアラーム用リレー出力(1点)を備えています。
RS232C/RS485シリアル通信機能は全機種標準です。
RS485により、2台以上のトランスミッタのネットワーク管理も可能です。
■データロガー機能はサンプリングインターバルの選択が可能で、測定・演算要素9000データを保存することができます。
内蔵のリアルタイムクロックはリチウム電池によりバックアップされており、トランスミッタへの電源が落ちた場合も、本体内の設定は保持されます。
供給電源はAC/DC24VまたはAC90〜240Vのユニバーサル電源の何れかが選択可能です。
■入出力のテクニカルデータ (AC24V、20℃において)
| 入力 |
| 温度: |
| センサタイプ |
Pt100 クラス1/3DIN |
| 動作温度範囲 |
-50〜+150℃ |
| 精度 |
±0.25℃ |
| 湿度: |
|
| センサタイプ |
静電容量型 |
| 有効測定範囲 |
5〜98%RH |
| 動作温度範囲 |
-50〜+150℃ |
| 精度 |
±2.5%RH(5〜90%RH)、±3%RH(90〜98%RH) |
| 演算値測定範囲 |
湿球温度: -50〜+200℃(HD2717Tのみ) |
| 露点温度: -50〜+100℃ |
| 絶対湿度: 0〜600g/m3 |
| 混合比: 0〜2000g/kg(乾燥空気) |
| 演算値精度 |
別表の通り |
| 入力応答時間 |
約3分(フィルター付、20℃、0.5m/sにて) |
| 出力 |
| 通信タイプ |
RS232CおよびRS485マルチドロップ |
| 測定物理量 |
温度、相対湿度 |
| 演算物理量 |
露点温度、絶対湿度、混合比、湿球温度(HD2717Tのみ) |
| アナログ出力 |
HD2717T=出力数2 |
| HD2817T=出力数3 |
| アナログ出力タイプ |
4〜20mA、0〜20mAまたはDC0〜10V、DC2〜10V |
| 負荷抵抗 |
電流出力: Max.500Ω、電圧出力: Min.100kΩ |
| 分解能 |
16ビット |
| アナログ出力精度 |
±0.05%FS(20℃にて) |
| エラー検出時出力 |
電流出力(Idc):22mA、電圧出力(Vdc):11V |
| (範囲外入力、プローブ接続不良、断線など) |
| リレー出力 |
制御用リレー: C接点×2(RL1、RL2)、接点容量3A/250V |
| アラーム用リレー: A接点×1(RL3)、接点容量3A/250V |
注:センサの使用は結露が無いことが条件です。
特に高温・高湿環境では数℃の変化で結露し、センサの劣化、寿命短縮の原因となる可能性があります。
演算物理量の精度
演算される物理量の精度は相対湿度および温度の校正精度によります。
以下の精度値は±2.5%RH、±0.25℃、101325hPaにおけるものです。
●露点温度の精度(℃)
| |
相対湿度(%) |
| 10 |
30 |
50 |
70 |
90 |
100 |
| 温度(℃) |
-20 |
2.50 |
1.00 |
0.71 |
0.58 |
- |
- |
| 0 |
2.84 |
1.11 |
0.78 |
0.64 |
0.56 |
0.50 |
| 20 |
3.34 |
1.32 |
0.92 |
0.75 |
0.64 |
0.62 |
| 50 |
4.16 |
1.64 |
1.12 |
0.90 |
0.77 |
0.74 |
| 100 |
5.28 |
2.07 |
1.42 |
1.13 |
0.97 |
0.91 |
●絶対湿度の精度(g/m3)
| |
相対湿度(%) |
| 10 |
30 |
50 |
70 |
90 |
100 |
| 温度(℃) |
-20 |
0.020 |
0.030 |
0.035 |
0.038 |
- |
- |
| 0 |
0.12 |
0.15 |
0.16 |
0.18 |
0.20 |
0.21 |
| 20 |
0.45 |
0.49 |
0.54 |
0.59 |
0.64 |
0.66 |
| 50 |
2.07 |
2.27 |
2.48 |
2.67 |
2.87 |
2.96 |
| 100 |
14.81 |
15.78 |
16.75 |
17.72 |
18.57 |
19.06 |
●混合比の精度(g/kg)
| |
相対湿度(%) |
| 10 |
30 |
50 |
70 |
90 |
100 |
| 温度(℃) |
-20 |
0.020 |
0.022 |
0.026 |
0.029 |
- |
- |
| 0 |
0.09 |
0.11 |
0.12 |
0.13 |
0.15 |
0.15 |
| 20 |
0.37 |
0.41 |
0.46 |
0.51 |
0.55 |
0.58 |
| 50 |
2.04 |
2.32 |
2.61 |
2.90 |
3.25 |
3.42 |
| 100 |
19.06 |
36.00 |
75.9 |
228.9 |
- |
- |
■トランスミッタ本体のテクニカルデータ (AC24V、20℃において)
| 電源 |
DC/AC24V-50/60Hzまたは
AC90〜240V-50/60Hz(何れか指定) |
| 平均消費電力 |
3W |
| データロガー保存容量 |
9000データ、最大256セッションにて |
| データ保存タイプ |
循環メモリー(ファーストイン・ファーストアウト方式) |
| データ保存対象要素 |
露点温度、温度、相対湿度、絶対湿度、混合比、
アナログ出力1および2、リレー1、2および3励磁状態 |
| データ保存インターバル |
1秒、2秒、5秒、10秒、20秒、60秒、2分または4分 |
| リアルタイムクロック |
リチウムバッファ電池付クロック、精度月差±1分 |
| ソフトウェア |
DeltaLog12、動作環境Windows98〜XP |
| ディスプレー |
HD2717T=カスタムセグメントLCD |
| HD2817T= 128×64ピクセルバックライト付大型LCD |
| 電子回路動作温度範囲 |
-20〜+60℃ |
| 電子回路動作湿度範囲 |
0〜90%RH 結露なきこと |
| センサ動作静圧 |
Max.1.2MPa |
| 保存温度 |
-30〜+80℃ |
| 本体外形寸法 |
W143×H154×D61mm |
| 重量 |
約600g |
| 材質 |
ABS樹脂 |
■MC8HD2817R.DTシリーズのディスプレーは大型バックライト付LCD(128×64ピクセル)で、三つの測定要素を同時表示、あるいは、一つの測定要素をリアルタイムでします。
MC8HD2817R.DTシリーズのアナログ出力は3出力です。
| MC8HD2817T□.D□分離プローブタイプ本体 |
MC8HD2817T□.O□背面プローブタイプ本体 |
 |
 |
■MC8HD2817T□.O□シリーズ背面プローブタイプ本体

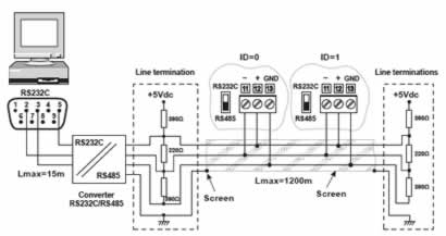
■RS232Cシリアル通信によるPCとの接続

■RS485シリアル通信RS232C/RS485コンバータによる接続、MAX.1200m

■外形寸法図
MC8HD2817O(下方・分離プローブ用)本体
ディスプレー部外観は異なります。 |
 |
MC8HD2817R(背面プローブ用)本体
ディスプレー部外観は異なります。 |
 |
■注文コード
データロガー機能付温湿度トランスミッタ(露点・絶対湿度・混合比演算機能)、128×64ピクセルバックライト付大型LCD、 電流または電圧2出力およびRS232C/RS485出力標準装備、ソフトウェアDeltaLog12、取扱説明書付属、
供給電圧DC/AC24V-50/60HzまたはAC90〜240V-50/60Hz(何れかをご注文時指定)

| 品 番 |
品 名 |
価 格 |
| MC8HD2817O.DT |
温湿度トランスミッター |
¥75,100- |
| MC8HD2817O.DTO |
温湿度トランスミッター |
¥78,500- |
| MC8HD2817R.DT |
温湿度トランスミッター |
¥88,500- |
| MC8HD2817R.DTO |
温湿度トランスミッター |
¥90,000- |
■共通仕様
| 入力 |
| 温度: |
| センサタイプ |
Pt100 クラス1/3DIN |
| 動作温度範囲 |
-50〜+200℃ |
| 精度 |
±0.25℃ |
| 湿度: |
|
| センサタイプ |
静電容量型 |
| 有効測定範囲 |
5〜98%RH |
| 動作温度範囲 |
-50〜+150℃ |
| 精度 |
±2.5%RH(5〜98%RH)、±3%RH(90〜98%RH) |
| 演算値測定範囲 |
露点温度: -50〜+100℃
絶対湿度: 0〜600g/m3
混合比: 0〜2000g/kg(乾燥空気) |
| 演算値精度 |
別表の通り(PDFをご参照下さい) |
| 入力応答時間 |
約3分(フィルター付、20℃、0.5m/sにて) |
| 出力 |
| 通信タイプ |
RS232CおよびRS485マルチドロップ |
| 測定物理量 |
温度、相対湿度 |
| 演算物理量 |
露点温度、絶対湿度、混合比 |
| アナログ出力 |
出力数3 |
| アナログ出力タイプ |
4〜20mA、0〜20mAまたはDC0〜10V、DC2〜10V |
| 負荷抵抗 |
電流出力: Max. 500Ω、電圧出力: Min. 100kΩ |
| 分解能 |
16ビット |
| アナログ出力精度 |
±0.05%FS(20℃にて) |
| エラー検出時出力 |
電流出力(Idc): 22mA、電圧出力(Vdc): 11V |
| (範囲外入力、プローブ接続不良、断線など) |
| リレー出力 |
制御用リレー: C接点×2(RL1、RL2)、接点容量3A/250V
アラーム用リレー: A接点×1(RL3)、接点容量3A/250V
|
| 電源 |
DC/AC24V-50/60Hzまたは
AC90〜240V-50/60Hz(何れか指定) |
| 平均消費電力 |
3W |
| データロガー保存容量 |
9000データ、最大256セッションにて |
| データ保存タイプ |
循環メモリー(ファーストイン・ファーストアウト方式) |
| データ保存対象要素 |
露点温度、温度、相対湿度、絶対湿度、混合比、
アナログ出力1および2、リレー1、2および3励磁状態 |
| データ保存インターバル |
1秒、2秒、5秒、10秒、20秒、60秒、2分または4分 |
| リアルタイムクロック |
リチウムバッファ電池付クロック、精度月差±1分 |
| ソフトウェア |
DeltaLog12、動作環境Windows98〜XP |
| ディスプレー |
128×64ピクセルバックライト付大型LCD |
| 電子回路動作温度範囲 |
-20〜+60℃ |
| 電子回路動作湿度範囲 |
0〜90%RH 結露なきこと |
| センサ動作静圧 |
Max.1.2MPa |
| 保存温度 |
-30〜+80℃ |
| 本体外形寸法 |
W143×H154×D61mm |
| 重量 |
約600g |
| 材質 |
ABS樹脂 |
| 保護等級 |
IP65 |
■SICRAM2モジュール付互換性温湿度プローブ

| 品番 |
プローブ長さ |
ケーブル長さ |
材質 |
価格 |
| 下方プローブ |
| MC8STV |
130mm |
- |
AISI304 |
¥47,600 |
| 分離プローブ |
| MC8STC12 |
135mm |
2m |
AISI304 |
¥53,000 |
| MC8STC12P |
135mm |
2m |
‘POCAN’ プラスチック |
¥51,500 |
| MC8STC15 |
15mm |
5m |
AISI304 |
¥63,000 |
| MC8STC15P |
135mm |
5m |
‘POCAN’ プラスチック |
¥61,100 |
| MC8STC110 |
135mm |
10m |
AISI304 |
¥76,200 |
| MC8STC110P |
135mm |
10m |
‘POCAN’ プラスチック |
¥74,600 |
| MC8STC22 |
335mm |
2m |
AISI304 |
¥57,900 |
| MC8STC22P |
335mm |
2m |
‘POCAN’ プラスチック |
¥56,300 |
| MC8STC25 |
335mm |
5m |
AISI304 |
¥67,900 |
| MC8STC25P |
335mm |
5m |
‘POCAN’ プラスチック |
¥66,300 |
| MC8STC210 |
335mm |
10m |
AISI304 |
¥86,100 |
| MC8STC210P |
335mm |
10m |
‘POCAN’ プラスチック |
¥83,000 |
| 背面プローブ |
| MC8STO1 |
135mm |
- |
AISI304 |
¥62,000 |
| MC8STO2 |
335mm |
- |
AISI304 |
¥68,700 |
■アクセサリー
| 品番 |
品名 |
価格 |
| MC8DELTALOG12 |
設定・データ管理用ソフトウェア |
¥27,900- |
| MC8HD33 |
湿度センサチェック・校正用飽和剤33.0%RH(20℃にて)、
φ14mmおよびφ26mmプローブ用アダプタ付 |
¥24,900- |
| MC8HD75 |
湿度センサチェック・校正用飽和剤75.4%RH(20℃にて)、
φ14mmおよびφ26mmプローブ用アダプタ付 |
¥24,900- |
| MC8HD9008.21.1 |
分離タイププローブ固定用ホルダー、穴径φ26mm、隔壁距離250mm |
¥14,800- |
| MC8HD9008.21.2 |
分離タイププローブ固定用ホルダー、穴径φ26mm、隔壁距離125mm |
¥13,900- |
| MC8HD9008.31 |
プローブ固定用フランジ、φ14mmアダプタ付 |
¥10,600- |
| MC8P5 |
ステンレススチール保護キャップ、プローブ径φ14mm用 |
廃番 |
| MC8P6 |
焼結ステンレススチール20μメッシュ保護キャップ、プローブ径φ14mm用 |
¥7,800- |
| MC8P7 |
PTFE10μメッシュ保護キャップ、プローブ径φ14mm用 |
¥7,800- |
| MC8P8 |
ステンレススチール20μメッシュ+POCAN保護キャップ、プローブ径φ14mm用 |
¥4,500- |
| MC8PG16 |
プローブ固定用ステンレススチール(AISI304)
ケーブルグランド、プローブ径φ14mm用 |
¥7,800- |
|